EasyManua.ls Logo

Sony KV-13FM13 - Page 26

Sony KV-13FM13
107 pages
Print Icon
To Next Page IconTo Next Page
To Next Page IconTo Next Page
To Previous Page IconTo Previous Page
To Previous Page IconTo Previous Page
Loading...
— 26 —
KV-13FM13 / 13FM14
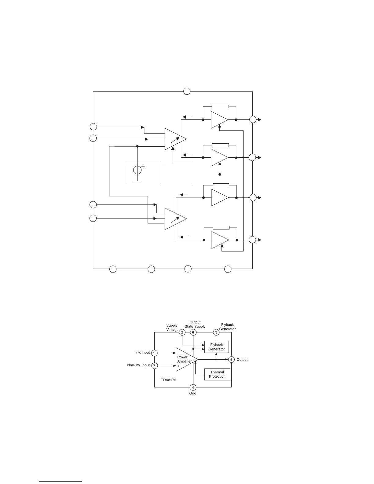
A BOARD IC BLOCK DIAGRAMS
DC Volume Control 1
Input 1
Positive Output 1
Negative Output 1
Power
Ground 1
Signal
Ground
TEMPERATURE
PROTECTION
STABILIZER
REF
V
P
V
I + i
I – i
+
4
3
1
+
13
11
7
5
DC Volume Control 2
Input 2
I + i
I – i
1
2
Positive Output 2
Negative Output 2
10
8
2 6
12
9
Power
Ground 2n.c.
A BOARD: IC401 TDA7057AQ/N2
A BOARD: IC502 TDA8172

Table of Contents

Related product manuals