EasyManua.ls Logo

Sony KV-13FM13 - Page 32

Sony KV-13FM13
107 pages
Print Icon
To Next Page IconTo Next Page
To Next Page IconTo Next Page
To Previous Page IconTo Previous Page
To Previous Page IconTo Previous Page
Loading...
— 32 —
KV-13FM13 / 13FM14
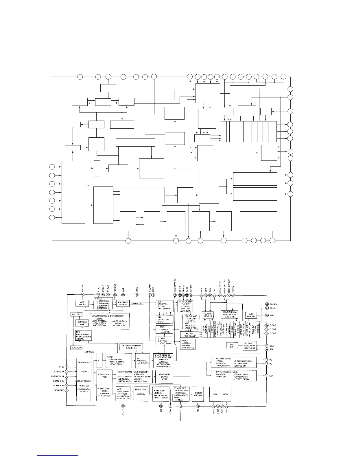
MB BOARD IC BLOCK DIAGRAMS
MB BOARD: IC1301 CXA2131AS
CHROMA SW
Y SW
MONITOR SW
VIDEO SW
<VIDEO SEL>
<S SEL>
43
6
2
4
7
9
41
TV/C2 IN
MON OUT
COMB-C IN
CVBS1/Y1 IN
CVBS2/Y2 IN
C1 IN
COMB-Y IN
ACC DET.
ACC AMP
CHROMA
AT T
V SYNC SEP
<VSS>
H SYNC SEP
<HSS>
<H MASK>
SHARPNESS DL
SHARPNESS AMP
<SHARPNESS>
<SHP F0>
<PRE/OVER>
FILTER ALIGNMENT
CAL. by fsc
COUNTDOWN
<CD MODE>
<INTERLACE>
LINE COUNTER
V TIM GEN.
<JUMP SW>
<REF P>
<VBLKW>
VSAW GEN
VTIM
AFC
<AFC GAIN>
<FH HIGH>
<<HLOCK>>
<<HCENT>>
HSAW GEN.
<HOSC>
(ZAP)
H TIM GEN.
<H BLK>
<LEFT HBLK>
<RIGHT HBLK>
PHASE DET.
<H POSITION>
<AFC BOW>
<AFC ANGLE>
HPROT
<<HNG>>
HD GEN.
<HD W>
IREF REG
20
AFC FIL
17
SCP
33
VCC1
16
REG
12
1 REF
10
GND1
19
HD
18
HP/PROTECT
5
V TIM
WIDE SAW FUNC.
<ASPECT>
<SCROLL>
<UPPER VLIN>
<LOWER VLIN>
<V ZOOM>
<JUMP SW>
VD SAW FUNC.
<VON>
<V SIZE>
<V POSITION>
<S CORRECTION>
<V LINEARITY>
<EHT COMP>
DAC
SW
VPROT
<<VGN>>
VM AMP
<VM LEV>
(OFF YS/YM)
I C BUS
DECODER
STATUS I/F
2
CLAMP
DC TRAN
<DC TRAN>
DPIC
<DPIC>
<AGING>
<AGING2>
COLOR KILLER
<<KILLER ID OFF>>
CHROMA
AMP
TRAP + EQ
<TRAP OFF>
BPF
<C BPF>
APC
<HUE>
C VCO
DEMOD.
FSC
<FSC SW>
Y/C MIX
RGB CLAMP
COLOR AMP
<COLOR>
<C OFF>
AXIS
<AXIS NTSC>
<AXIS PAL>
CLAMP
RGB 1/2
ABL/PEAK LIM
<ABL MODE>
<ABL VTH>
AKB
<<IKR>>
EW PARABOLA FUNC.
<H SIZE>
<PIN AMP>
<UPPER CPIN>
<TRAPEZIUM>
<EW DC>
<LOWER CPIN>
Y
EYUV CLAMP
YUV SW
<YSEL>
YUVOUT
<YUVOUT>
42
ABL FIL
3
ABL IN
21
IK IN
24
B OUT
23
G OUT
22
R OUT
35
SDA
34
SCL
14
VD-
13
VD+
11
EW
29303132
25262728
3637
38
39
15
1
8
40
44
46
47
45
YS2/YM
B2 IN (B-YOUT)
G2 IN (R-YOUT)
R2 IN (YOUT)
YS1
B1 IN
G1 IN
R1 IN
YUV SW
EY IN
ER-Y IN
EB-Y IN
VM OUT/
V PROT
YS1 SW
<RGB SEL>
YM SW
YS2 SW
DYNAMIC COLOR
<DYNAMIC C>
PICTURE AMP
<PICTURE>
GAMMA AMP
<GAMMA>
CLAMP
BRIGHT CONT
<BRIGHT>
DRIVE AMP
<R/G/B DRIVE>
CUTOFF CONT.
<R/G/B CUTOFF>
R/G/B BLK
<PON>
<R/G/B ON>
APED
Y CLAMP
GND2
Vcc2
FSCOUT
Xtal
APC FIL
MB BOARD: IC1301 CXA2135S

Table of Contents

Related product manuals