EasyManua.ls Logo

Sony PMC-DR45L - Block Diagram -Tuner Section

Sony PMC-DR45L
72 pages
Print Icon
To Next Page IconTo Next Page
To Next Page IconTo Next Page
To Previous Page IconTo Previous Page
To Previous Page IconTo Previous Page
Loading...
PMC-DR45L
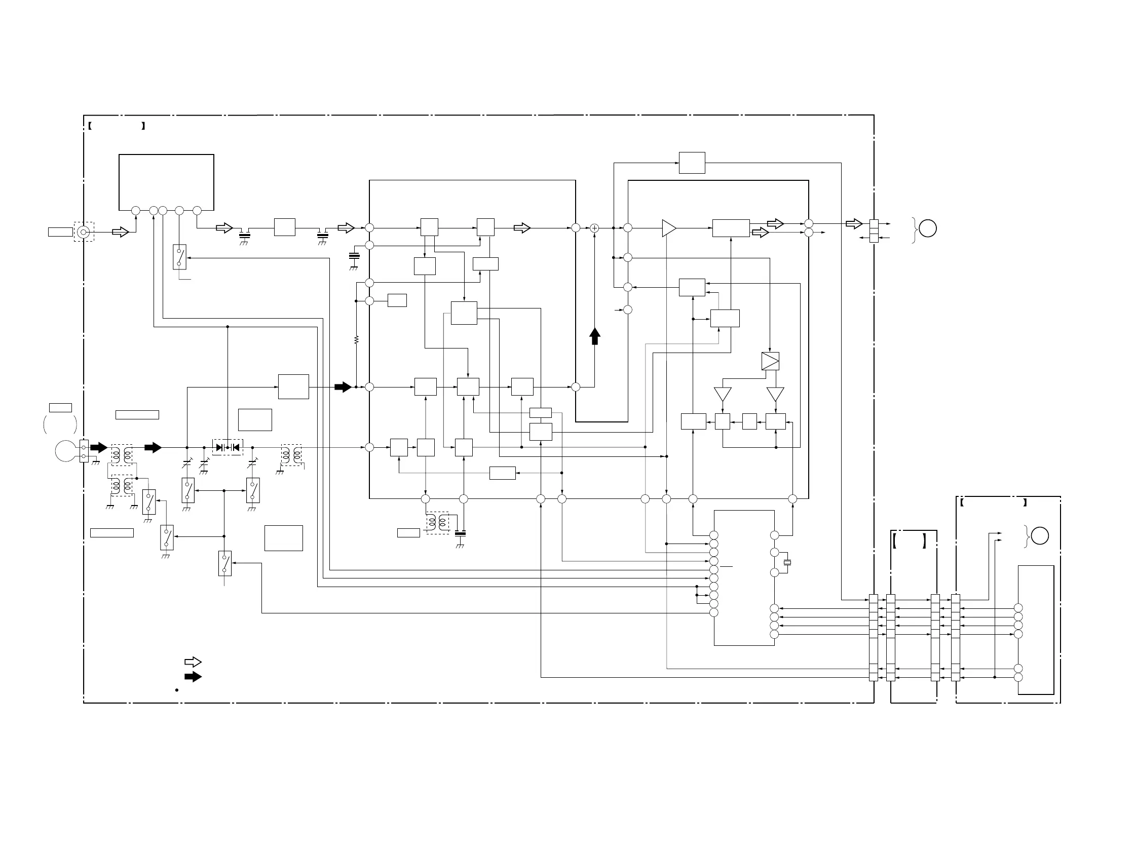
6-3. BLOCK DIAGRAM — TUNER SECTION —
– 27 – – 28 –
TUNER BOARD
CONTROL BOARD (1/3)
MAIN
BOARD
(1/3)
• Signal path
: FM
: MW/LW
R-ch : same as L-ch.
1 5 8 6 7
ANT
VT
OSC OUT
VCC
IF OUT
1 18 16
13
15
9
21 19
23
87
11
9
12
19
18
17
2
3
4
5
14
21
13
20
FM
IF
IF AMP
Q1
TU1
TUNER UNIT
AM/FM
IF
BUFFER
FM
DET
DECODER
ANTI-BIRDIE
DET OUT
AM
Q3
LEVEL
DET
AM
RF AMP
MW/LW RF
BUFFER
Q6
AGC
AM
DET
12
7
8
9
10
11
13
1
27
28
29
30
31
2
31
5
4
3
2
1
30
8
22
3
CT2,L4
LW TRACKING
CT1,L3
MW TRACKING
MW
FREQUENCY
COVERAGE
L5
J1(1/2)
EXT ANT
J1(2/2)
MW/LW
6
5
12
7
8
9
10
11
13
7 10 12 11
11
14
13
15
52
24
2 4 6 24
AM
IF
AM
OSC
AM
MIX
TUNING
DRIVE
BUFFER
COMP
STEREO
SWITCH
PILOT
CANCEL
PILOT
DET
FF VCO P-DET
14
17
S-CURVE
1
FM/MW/LW FRONT END,IF DET,
FM STREO DEMODULATOR
IC1
FM ON
SWITCH
Q2
TU+7.5V
CF1 CF2
CF3
FM IF IN
FMDET
AFC
AM
RF IN
AM
MIX OUT
AM
IF IN
TU
LED
ST
LED
IF
OUT
ST
S/W
BAND
SW
OSC
OUT
AM
OSC
IN
REG
SD
B-MUTE
R-CONT
R-CLK
R-DATA
R-CE
SYSTEM
CONTROL
IC801(1/3)
SD CLK
B-MUTE
R-CLK
R-CNT/ST
R-DATA
R-CE
DET-OUT
SD CLK
B-MUTE
R-CLK
R-CONT
R-DATA
R-CE
MO/ST
IF IN
AM IN
BAND
BAND
XIN
CE
DI
CL
DO
XOUT
FM IN
LP OUT
LP IN
PD
MW
ST IND
DET-OUT
SD
DET-OUT
6
X1
75kHz
MW/LW
LOOP
ANTENNA
FM
DET OUT
AM
DET OUT
R CH
L CH
TU+7.5V
TU
+7.5V
T1
IFT COIL
TU
+7.5V
VCC
CT3CT1CT2
LW
SWITCH
Q9
MW/LW
SWITCH
Q4
LW
SWITCH
Q8
L5
AM OSC
L3
MW RF
L4
LW RF
MW
SWITCH
Q7
MW
SWITCH
Q5
VCC
TAPE
SECTION
2
POWER SECTION
CNP305
(1/2)
CNP307
(1/3)
CNP1
(2/2)
CNP801
(1/3)
PLL
IC2
CNP1
(1/2)
04
CT3
LW
FREQUENCY
COVERAGE
MPX IN
PLL IN
PILOT DET
L OUT
R OUT
CF4
SYSTEM CONTROL,
AM IF
(Page 31)
(Page 33)

Other manuals for Sony PMC-DR45L

Related product manuals