EasyManua.ls Logo

Sony PMC-DR45L - Printed Wiring Board -Line Section; Schematic Diagram -Line Section

Sony PMC-DR45L
72 pages
Print Icon
To Next Page IconTo Next Page
To Next Page IconTo Next Page
To Previous Page IconTo Previous Page
To Previous Page IconTo Previous Page
Loading...
PMC-DR45L
61 62
1
A
B
C
D
23456789
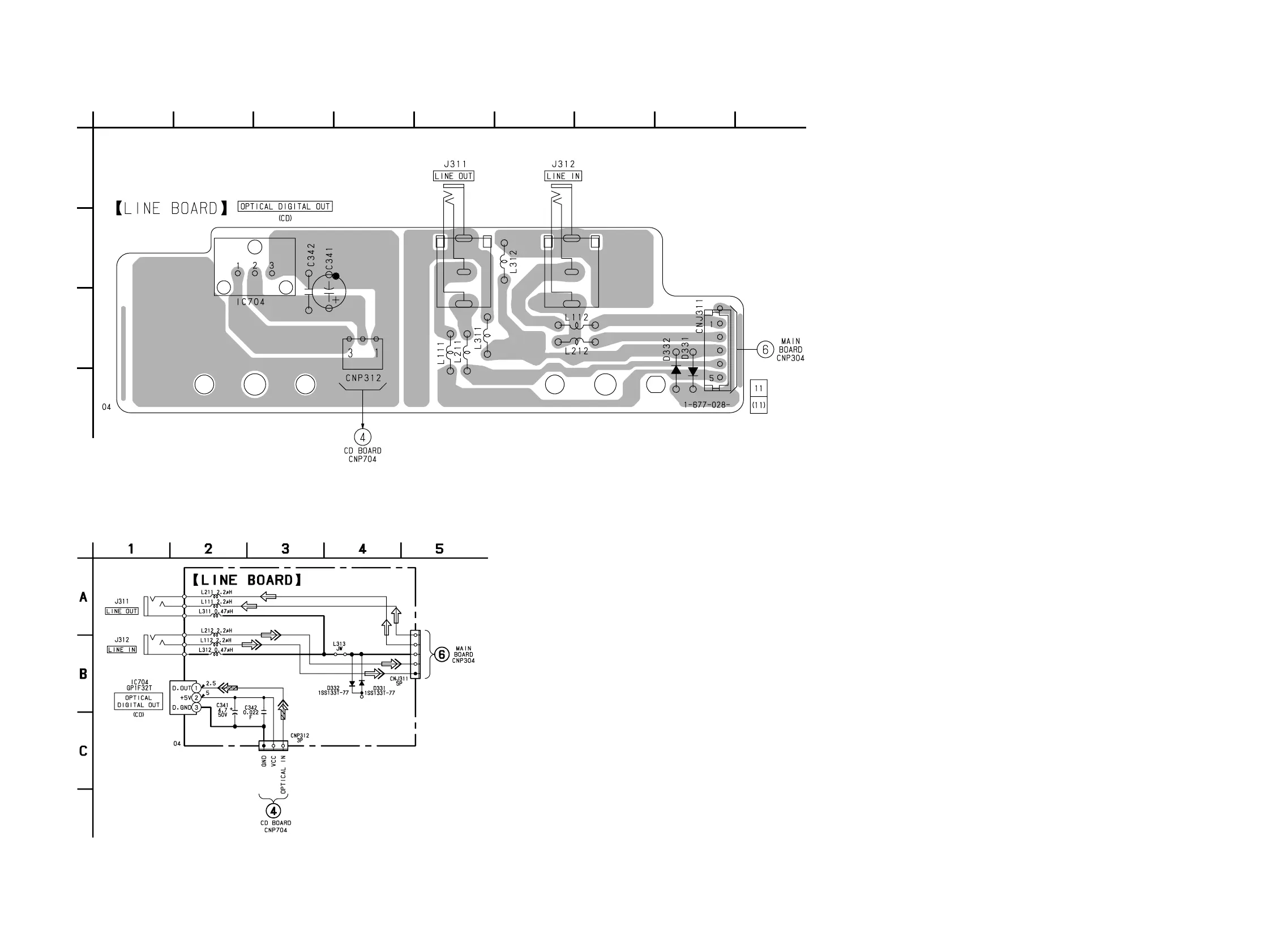
6-21. PRINTED WIRING BOARD LINE SECTION Refer to page 36 for Note.
6-22. SCHEMATIC DIAGRAM LINE SECTION Refer to page 70 for IC Block Diagram. Refer to page 35 for Note.
Voltage is dc with respect to ground under no-signal
(detuned) condition.
no mark : CD PLAY
(Page 40)
(Page 47)
(Page 42)
(Page 49)

Other manuals for Sony PMC-DR45L

Related product manuals