EasyManua.ls Logo

Sony PMC-DR45L - Schematic Diagram -TC Section

Sony PMC-DR45L
72 pages
Print Icon
To Next Page IconTo Next Page
To Next Page IconTo Next Page
To Previous Page IconTo Previous Page
To Previous Page IconTo Previous Page
Loading...
PMC-DR45L
45 46
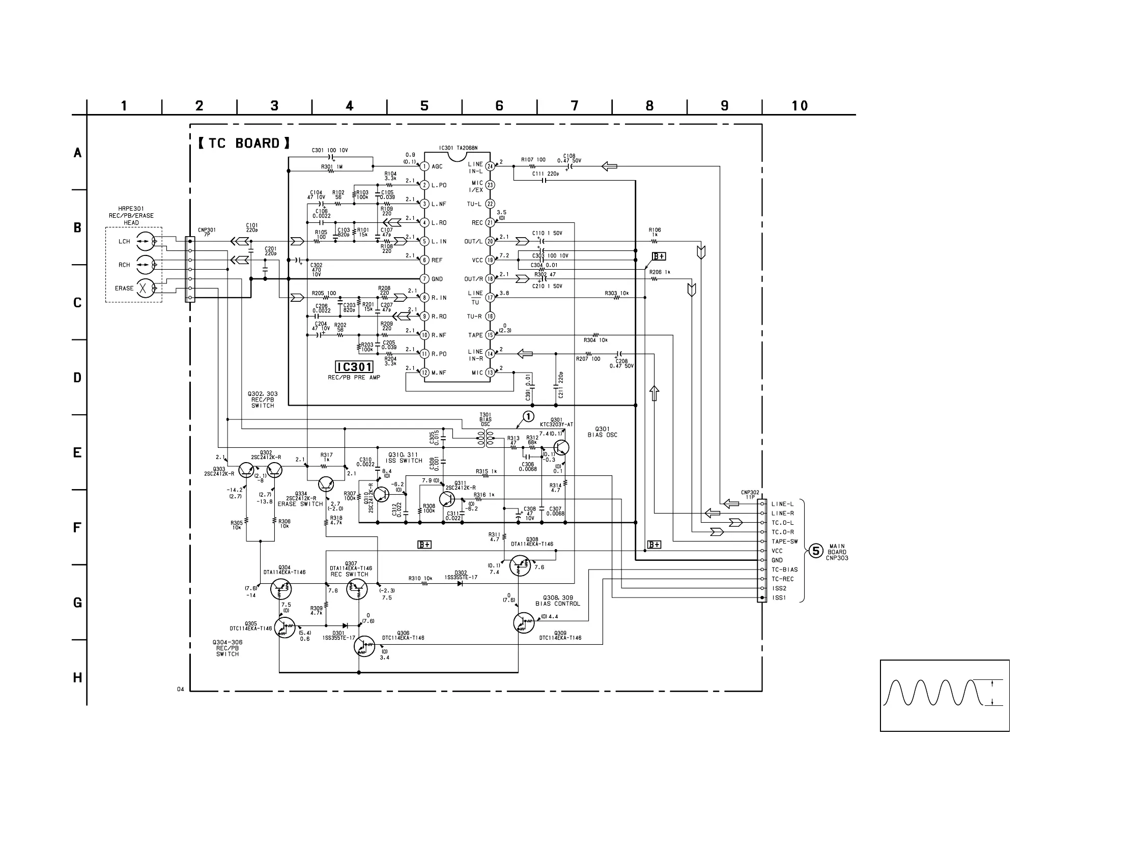
6-12. SCHEMATIC DIAGRAM TC SECTION Refer to page 69 for IC Block Diagram. Refer to page 35 for Note.
Voltage is dc with respect to ground under no-signal
(detuned) condition.
no mark : REC (TAPE)
( ) : PB (TAPE)
(Page 49)
Q301
C
(REC)
Waveform
1
4Vp-p
19.5µsec
5µsec/div
0.1V/div

Other manuals for Sony PMC-DR45L

Related product manuals