EasyManua.ls Logo

Sony PMC-DR45L - IC Block Diagrams

Sony PMC-DR45L
72 pages
Print Icon
To Next Page IconTo Next Page
To Next Page IconTo Next Page
To Previous Page IconTo Previous Page
To Previous Page IconTo Previous Page
Loading...
67 68
24 23 22 21 20 19 18
1 2 3 4 5 6 7
17 1516 1314
111098 12
OSC
OUT
AM
OSC IN
AM
RF IN
AM
AGC
AM
DET OUT
FM
DET OUT
PLL
IN
MPX
IN
PILOT
DEL
R
OUT
L
OUT
AFC
AM
IF IN
REGAM
MIX OUT
FM
IF IN
GND TU
LED
ST LED FM DET VCC IF OUT BAND
S/W
ST
S/W
ALC
AGC
COMP
REG
S-CURVE
AM
OSC
FM
IF
FM
DET
AM
MIX
AM
IF
AM/FM
IF
BUFF
AM
DET
DECODER
ANTI-BIRDIE
PILOT
CANCEL
STEREO
SW
P-DET
Ø
VCO
304kHz
AM
RF. AMP
BUFF
LEVEL
DET
TUNING
DRIVE
GND VCC
FF
38k
FF
19k/0
PILOT
DET
FF
19k/2
π
12
11
10
9
8
7
6
5
4
3
2
1
13
14
15
16
17
20
21
UNLOCK
DETECTOR
POWER ON
RESET
UNIVERSAL
COUNTER
CCB
I/F
NC
CE
DI
CL
DO
XOUT
22
NC
AOUT
XIN
AIN
PD
VSS
VDD
B04
FMIN
AMIN
B01
B02
B03
I01
I02
IFIN
PHASE
DETECTOR
CHARGE
PUMP
REFERENCE
DIVIDER
SWALLOW
COUNTER
1/16,1/17
4BITS
12BITS
PROGRAMMABLE
DIVIDER
DATA SHIFT REGISTER
LATCH
1/2
18
19
1
2
3
4
8
9
10
11
12
7
18
19
20
21
22
23
24
17
16
15
+
+
+
+
+
+
+
+
+
+
6
VEE
VEE
VC
VEE
VCC
VCC
VREF
APC PD AMP
APC LD AMP
VC
VCC
+
5
VC
VC
VC
VCC
VEE
+
VC
+
VC
+
+
VC
+
RF EQ AMPRF SUMMING AMP
VC
ERROR AMP
FOCUS
14
13
VEE
VC
VC
VC BUFFER
TRACKING
ERROR AMP
HOLD
AGCVTH
LD
PD
A
B
C
D
VEE
F
E
VC
VCC
LC/PD
LD ON
HOLD SW
RF BOT
RFTC
RF 1
RF 0
RFE
FE
TE
AGCCONT
(50%/30%
OFF)
28 27 26
+
25 24 23 22 21 20 19 18
1 2 3 4 5 6 7
INTERFACE
MUTE
LEVEL SHIFT
INTERFACE
F
R
RF
RF
INTERFACE
R
F
R
F
17 1516
111098 12 1413
VCC
VREF
VCC
VCC
VCC
VCC
VREF
NC
SPIN
SFDR
SRDR
CAPS
GND
MUTE
VCC
SL
SL+
SP
SP+
VREFOUT
FFDR
FRDR
CAP1
TFDR
TRDR
CAP2
GND
VREFIN
VCC
T+
T
F
F+
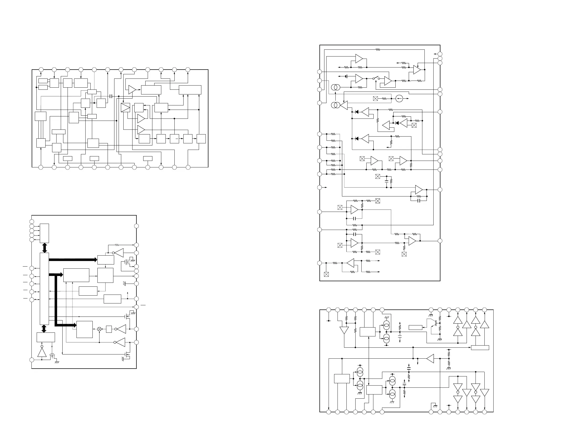
IC1 LA1833N
6-25. IC BLOCK DIAGRAMS
IC2 LC72137-D
IC701 CXA2568M
IC703 BA5974FP

Other manuals for Sony PMC-DR45L

Related product manuals