EasyManua.ls Logo

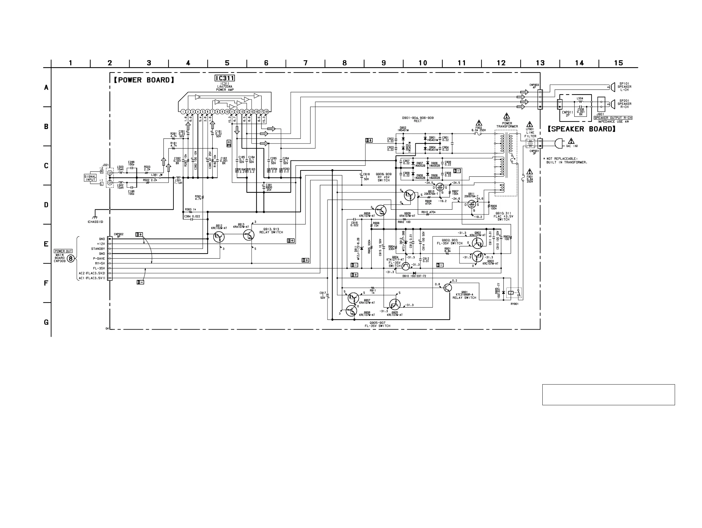
Sony PMC-DR45L - Schematic Diagram -Power Section

Sony PMC-DR45L
72 pages
Print Icon
To Next Page IconTo Next Page
To Next Page IconTo Next Page
To Previous Page IconTo Previous Page
To Previous Page IconTo Previous Page
Loading...
PMC-DR45L
65 66
6-24. SCHEMATIC DIAGRAM POWER SECTION Refer to page 35 for Note.
(Page 50)
Voltage is dc with respect to ground under no-signal
(detuned) condition.
no mark : FM
Note: The components identified by mark 0 or dotted line
with mark 0 are critical for safety.
Replace only with part number specified.

Other manuals for Sony PMC-DR45L

Related product manuals