EasyManua.ls Logo

Sony PMC-DR45L - Page 44

Sony PMC-DR45L
72 pages
Print Icon
To Next Page IconTo Next Page
To Next Page IconTo Next Page
To Previous Page IconTo Previous Page
To Previous Page IconTo Previous Page
Loading...
PMC-DR45L
63 64
1
A
B
C
D
E
F
G
H
I
J
2345678910
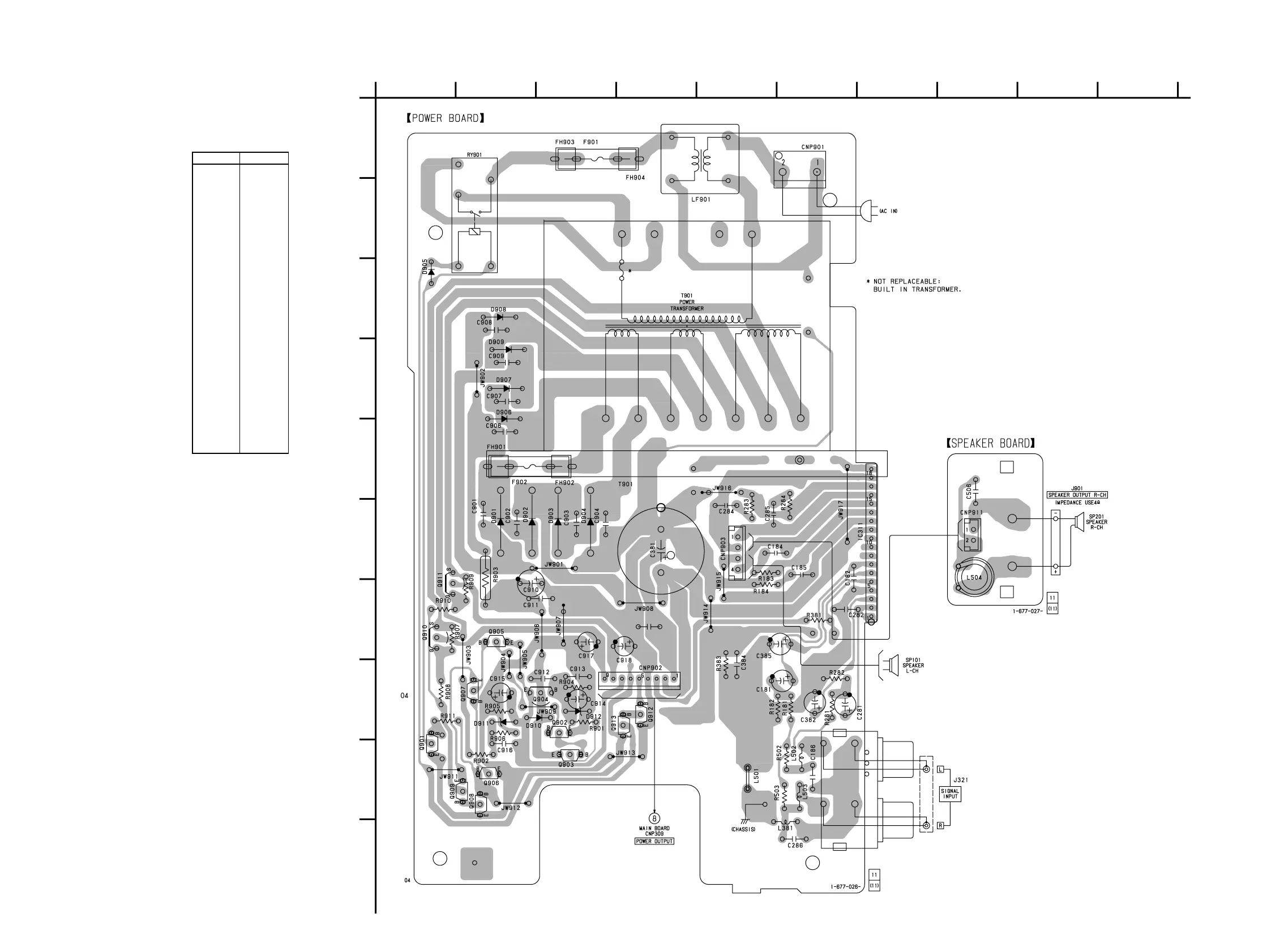
6-23. PRINTED WIRING BOARDS POWER SECTION Refer to page 36 for Note.
D901 F-2
D902 F-2
D903 F-3
D904 F-3
D905 C-1
D906 D-2
D907 D-2
D908 C-2
D909 D-2
D910 H-2
D911 H-2
D912 H-3
IC311 F-7
Q901 I-1
Q902 H-3
Q903 I-3
Q904 H-2
Q905 G-2
Q906 I-2
Q907 H-2
Q908 I-2
Q909 I-1
Q910 G-1
Q911 G-1
Q912 H-4
Q913 H-3
Semiconductor
Location
Ref. No. Location
(Page 48)

Other manuals for Sony PMC-DR45L

Related product manuals