EasyManua.ls Logo

Sony PMC-DR45L - Printed Wiring Board -Front Section; Schematic Diagram -Front Section

Sony PMC-DR45L
72 pages
Print Icon
To Next Page IconTo Next Page
To Next Page IconTo Next Page
To Previous Page IconTo Previous Page
To Previous Page IconTo Previous Page
Loading...
PMC-DR45L
57 58
1
A
B
C
D
E
234567
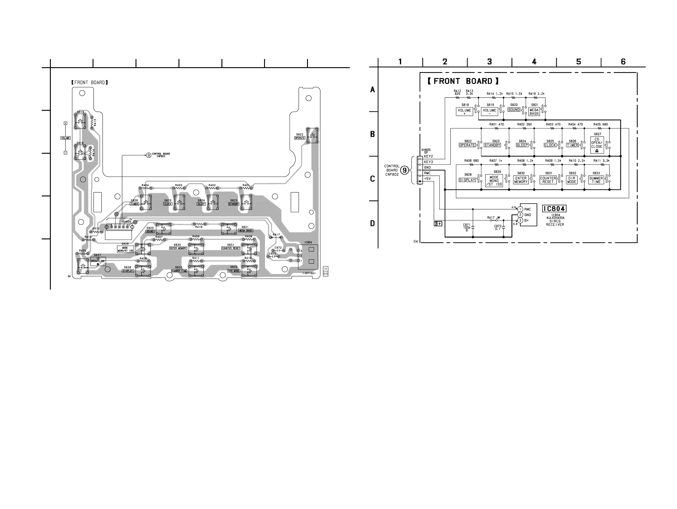
6-17. PRINTED WIRING BOARD FRONT SECTION Refer to page 36 for Note. 6-18. SCHEMATIC DIAGRAM FRONT SECTION Refer to page 35 for Note.
Voltage is dc with respect to ground under no-signal
(detuned) condition.
no mark : FM
(Page 53)
(Page 56)

Other manuals for Sony PMC-DR45L

Related product manuals