EasyManua.ls Logo

Sony PMC-DR45L - Schematic Diagram -Tuner Section

Sony PMC-DR45L
72 pages
Print Icon
To Next Page IconTo Next Page
To Next Page IconTo Next Page
To Previous Page IconTo Previous Page
To Previous Page IconTo Previous Page
Loading...
PMC-DR45L
– 37 –
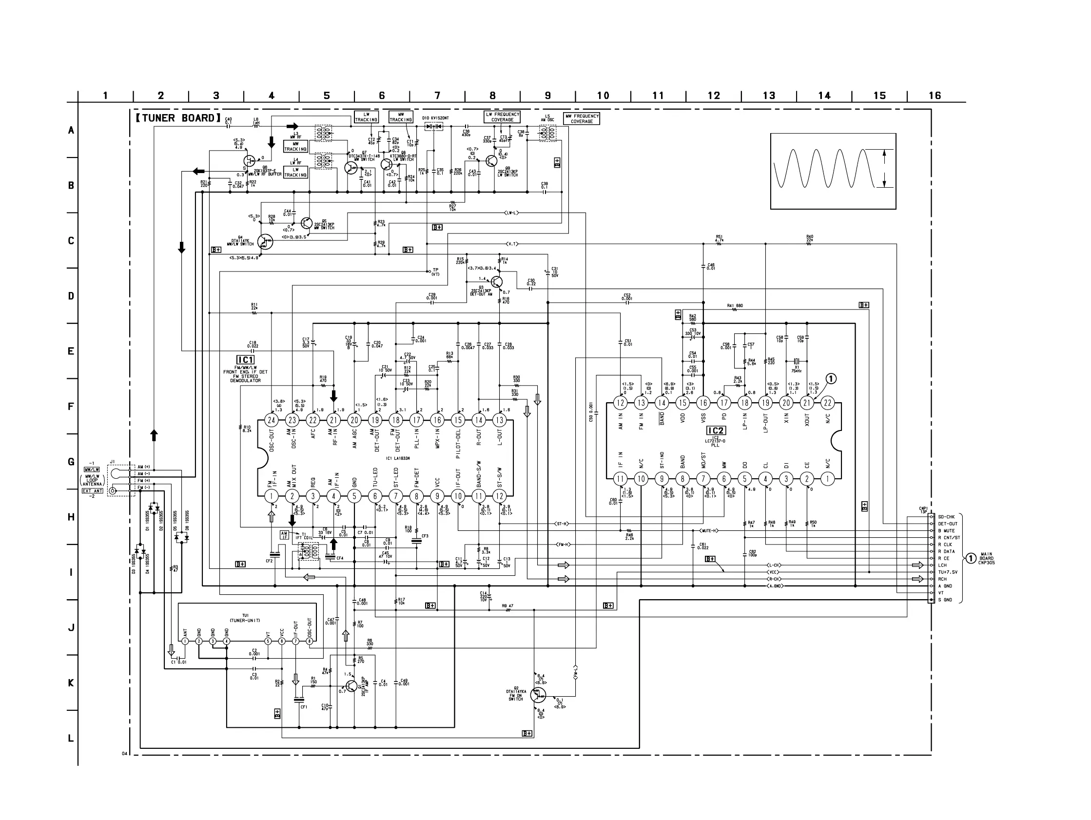
6-8. SCHEMATIC DIAGRAM TUNER SECTION Refer to page 67 for IC Block Diagrams. Refer to page 35 for Note.
– 38 –
(Page 49)
Voltage is dc with respect to ground under no-signal
(detuned) condition.
no mark : FM
( ) : MW
<>: LW
IC2
wa
(X OUT)
Waveform
1
0.9Vp-p
75kHz
5µsec/div
20mV/div

Other manuals for Sony PMC-DR45L

Related product manuals