EasyManua.ls Logo

Sony SLV-D360P - Page 86

Sony SLV-D360P
123 pages
Print Icon
To Next Page IconTo Next Page
To Next Page IconTo Next Page
To Previous Page IconTo Previous Page
To Previous Page IconTo Previous Page
Loading...
5-20E5-19
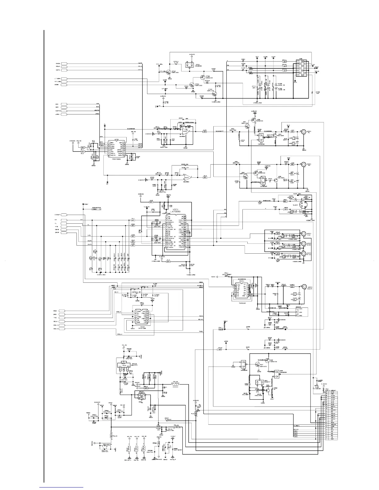
5-8 DVD SUB

Table of Contents

Related product manuals