EasyManua.ls Logo

Sony SLV-SE710 - Audio Block Diagram

Sony SLV-SE710
86 pages
Print Icon
To Next Page IconTo Next Page
To Next Page IconTo Next Page
To Previous Page IconTo Previous Page
To Previous Page IconTo Previous Page
Loading...
SLV-SE610/SE710/SE810/SX710/SX717/SX810/X9
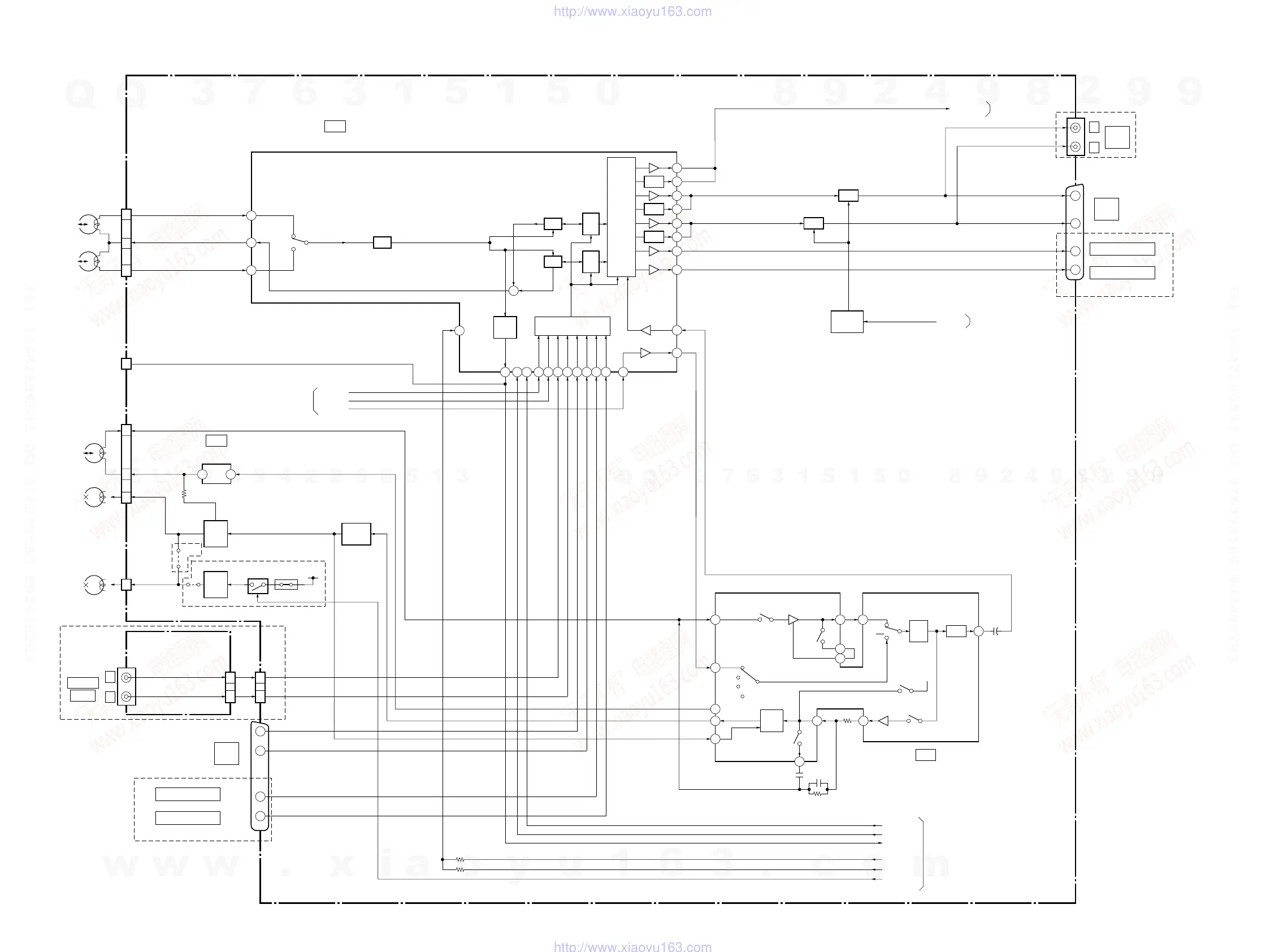
3-4. AUDIO BLOCK DIAGRAM
3-7 3-8
MA-400 BOARD (3/5)
(SEE PAGE 4-9, 17, 19)
9
4
1
3
5
L
LINE 2 IN
AUDIO
R
10
11
1
3
4
37
36
35
CN260 (2/2)
CN262
CN350 (2/2)
CN351
AUDIO
HEAD
CH1
CH2
AUDIO
REC/PB
HEAD
AUDIO
ERASE
HEAD
FULL
ERASE
HEAD
H
L
AF SWP
HF ADJ
CHECK
TUNER
(SEE PAGE 3-10)
TUNER L
TUNER R
TUNER M
BRF
IC351
IC301
HEAD
SWITCH
2 4
BIAS
ERASE
OSC
FULL
ERASE
OSC
BIAS
SWITCH
LINE 1
(TV)
DECODER/LINE 3 IN
DECODER/LINE 2 IN
Q352
T350,
Q351
T390, Q392
JS350
JS351
EXCEPT SE810/
SX810/X9
SE810/SX810/X9
SE810/SX810/X9
Q390, 391
PS390
C+12V
J481(2/2)
FA (L)
FA (R)
JK-201 BOARD (2/2)
(SEE PAGE 4-27)
3
5
CN480
(2/2)
CN501
(2/2)
CN500/CN570
CN570
6
2
27
23
: SE810/SX810/X9
: SE610 : B, E/SE710/SX710/SX717
05
A (L)
A (R)
A (L)
A (R)
41
44 43 42 2 3 4 5 6 7 8 9 1
21
22
20
19
18
17
15
16
14
13
+
PNR
L
PNR
R
LEVEL
DET
AUTO
BIAS
LINE
AMP
INPUT SEL
MUTE
MUTE
MUTE
MUTE
IC201
MUTE
VCO
VCO
OUTPUT
SEL
SCL
SDA
Hi-Fi AUDIO
PROCESSOR
NORMAL IN
NORMAL OUT
Q591
14
6
1
9
10
13
12 11
IIC DATA
SERVO/SYSTEM
CONTROL
(SEE PAGE 3-6)
IIC CLK
AF ENV
AF SWP
AF REC P
FULL ERS
PB
PB/EE
16
17
18 19
EQ
LP/SP
HD-SW CTL
REC : EP/LP
PB : EP
REC
VREF
PB
PB
99
(2/2)
NORMAL AUDIO
PROCESSOR
MOD A
LINE 1
(TV)
3
24
22
CN500/CN570
CN570
EXCEPT SE610
L
R
AUDIO
OUT
J500
CN500 (3/4)
: SE610 : A, G, K, N
CN570 (3/4)
: EXCEPT SE610 : A, G, K, N
EXCEPT SE610 : A, G, K, N
DECODER/LINE 3 IN
DECODER/LINE 2 IN
: SE810/SX810/X9
SE610 : B, E/SE710/SX710/SX717
CN500 (4/4) : SE610 : A, G, K, N
CN570 (4/4) : EXCEPT SE610 : A, G, K, N
EXCEPT SE610 : A, G, K, N
+
TUNER
(SEE PAGE 3-9)
SW1
REC
MUTE
CONTROL
Q592
A MUTE
SERVO/SYSTEM
CONTROL
(SEE PAGE 3-6)
1
MUTE
Q590
w
w
w
.
x
i
a
o
y
u
1
6
3
.
c
o
m
Q
Q
3
7
6
3
1
5
1
5
0
9
9
2
8
9
4
2
9
8
T
E
L
1
3
9
4
2
2
9
6
5
1
3
9
9
2
8
9
4
2
9
8
0
5
1
5
1
3
6
7
3
Q
Q
TEL 13942296513 QQ 376315150 892498299
TEL 13942296513 QQ 376315150 892498299
http://www.xiaoyu163.com
http://www.xiaoyu163.com

Table of Contents

Related product manuals