EasyManua.ls Logo

Sony SLV-SE710 - Q Q; Tuner Block Diagram

Sony SLV-SE710
86 pages
Print Icon
To Next Page IconTo Next Page
To Next Page IconTo Next Page
To Previous Page IconTo Previous Page
To Previous Page IconTo Previous Page
Loading...
SLV-SE610/SE710/SE810/SX710/SX717/SX810/X9
3-9 3-10
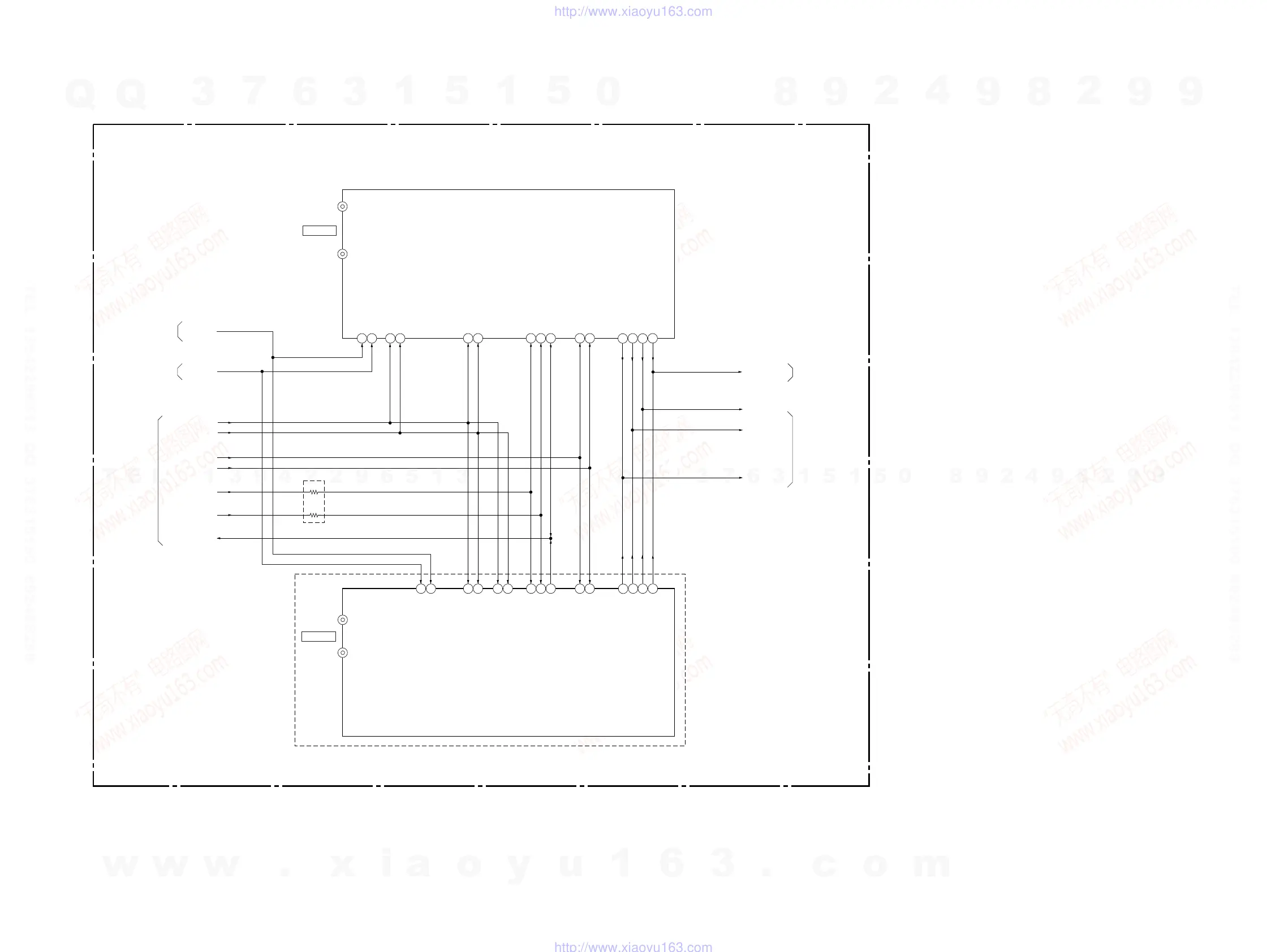
3-5. TUNER BLOCK DIAGRAM
24
26
27
21
28
21
29282320191112
5326
IN
OUT
AERIAL
TU702
362 5 191112 20 23
IN
OUT
AERIAL
TU703
SE610 : E, N/SE710 : E, N, I/SE810 : E, N/SX710 : E, N/SX717E/X9E
SDA
MOD A
MOD V
SCL
SDA
SCL
SW1
SW2
AFT
29
SDA
30
SCL
M OUT
R OUT
27
L OUT
24
V OUT
M OUT
R OUT
L OUT
V OUT
SDA
MOD V
MOD A
SCL
SCL
SCL
SDA
SDA
SW1
SW2
AFT
TUNER VIDEO
TUNER L
TUNER R
TUNER M
AUDIO
(SEE PAGE 3-7)
VIDEO
(SEE PAGE 3-3)
NICAM DAT
NICAM CLK
SW1
SW2
TU AFT
SCL
SDA
MOD V
MOD A
MA-400 BOARD (4/5)
(SEE PAGE 4-21)
VIDEO
(SEE PAGE 3-4)
AUDIO
(SEE PAGE 3-8)
SERVO/SYSTEM
CONTROL
(SEE PAGE 3-6)
05
R733
R731
EXCEPT SE610G/SE710G/SE810G/X9G
w
w
w
.
x
i
a
o
y
u
1
6
3
.
c
o
m
Q
Q
3
7
6
3
1
5
1
5
0
9
9
2
8
9
4
2
9
8
T
E
L
1
3
9
4
2
2
9
6
5
1
3
9
9
2
8
9
4
2
9
8
0
5
1
5
1
3
6
7
3
Q
Q
TEL 13942296513 QQ 376315150 892498299
TEL 13942296513 QQ 376315150 892498299
http://www.xiaoyu163.com
http://www.xiaoyu163.com

Table of Contents

Related product manuals