EasyManua.ls Logo

Sony SLV-SE710 - Page 49

Sony SLV-SE710
86 pages
Print Icon
To Next Page IconTo Next Page
To Next Page IconTo Next Page
To Previous Page IconTo Previous Page
To Previous Page IconTo Previous Page
Loading...
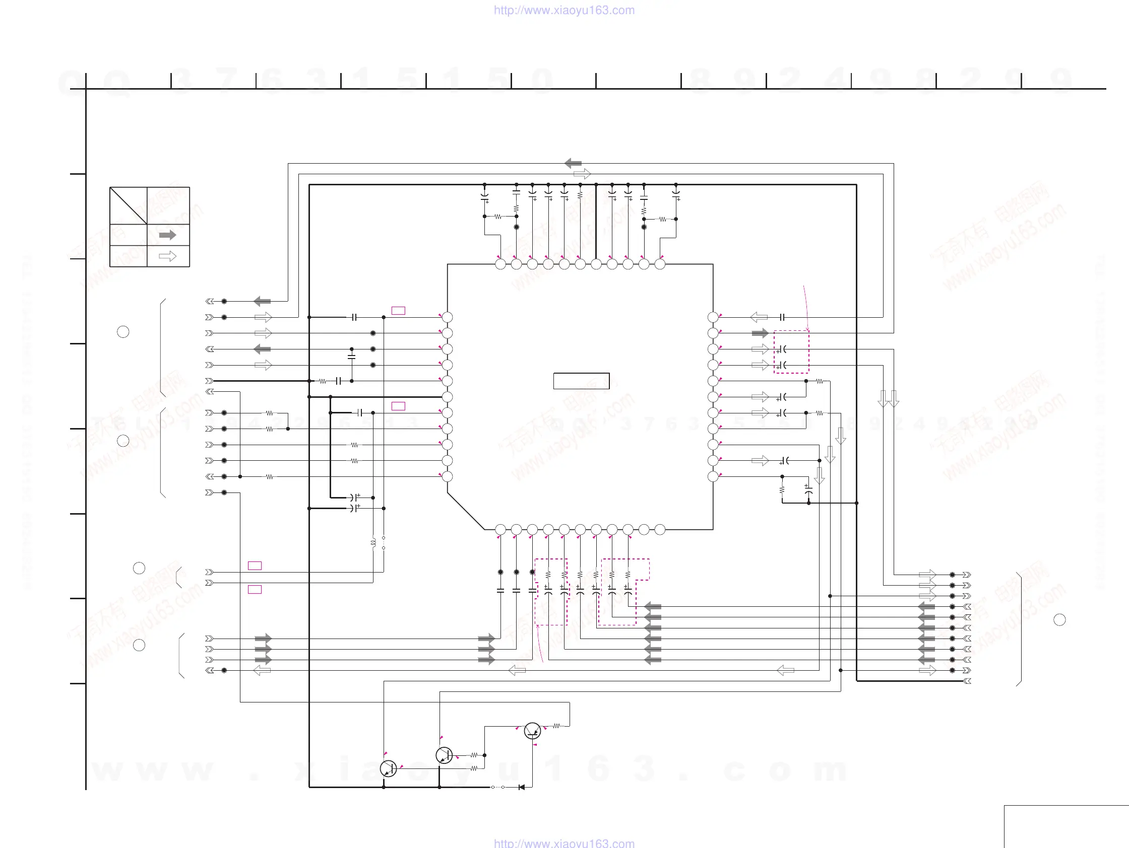
SLV-SE610/SE710/SE810/SX710/SX717/SX810/X9
MA-400 (Hi-Fi AUDIO) SCHEMATIC DIAGRAM See page 4-5 for printed wiring board.
– Ref. No.: MA-400 board; 1,000 series –
4-17 4-18
Hi-Fi AUDIO
MA-400 (4/8)
B+
B+
B+
B+
3.811.9
4.6
6.1
6.1
6.1
0
6.1
0
0
0
3.9
R4.3/P0.6
R4.2/P0.6
R4.3/P0.6
R4.2/P0
5
R0.7/P4.2
5
3.8
R0.1/P3.5
3.8
3.8
3.8
3.8
3.8
3.8
3.8
3.8
3.9
3.9
3.9
0.8
3.8
3.9
3.9
0.8
3.9
3.9
NO MARK:REC/PB MODE
R:REC MODE
P:PB MODE
0
0
-0.30
0.3
-0.3
0
SE610:B,E/SE710:B,D,E,K,N/
SE810:B,D,E,K,N/SX710/SX717/
SX810/X9:B,D,E,N
SE610:B,E/SE710/SE810/
SX710/SX717/SX810/X9
SE810/SX810/X9
1SS119-25TD
D590
2PD601AR-115
Q591
1k
R592
0
JS591
2PD601AR-115
Q590
A_MUTE
1k
R591
1k
R590
2PB709AR-115
Q592
IICCLK
2200
R307
JL314
50V
1u
C331
27k
R306
AUDIO_CH1
18k
R302
LINE_R_OUT
AFENV
0
R322
50V
10u
C322
1k
R305
220
R316
JL306
JL311
50V
10u
C308
1k
R304
IC301
TDA9605H/N2,518
1
TU M
2
TU L
3
TU R
4
L2 L
5
L2 R
6
L1 L
7
L1 R
8
L3 L
9
L3 R
10 11
12
ALC
13
RF OUT
14
MUTE
15
MUTE
16
L1 OUT L
17
L1 OUT R
18
MUTE
19
L2 OUT L
20
L2 OUT R
21
NA OUT
22
NA IN
23
DCFBL
24
EMPHL
25
DCL
26
DETL
27
GND
28
IREF
29
VREF
30
DETR
31
DCR
32
EMPHR
33
DCFBR
34
VCC 12V
35
PB IN2
36
REC OUT
37
PB IN1
38
HM SW
39
VSS D
40
VCC 5V
41
AF SWP
42
SDA
43
SCL
44
AF ENV
DEC_R_IN
2200
R311
AFRECP
JL309
JL317
50V
10u
C311
10k
R301
DEC_L_IN
JL302
ANGND
470
R329
50V
2.2u
C312
39k
R308
LINE_R_IN
JL300
JL310
0.01u
C304
LINE_OUT
50V
10u
C313
18k
R310
LINE_L_IN
JL318
JL303
16V
47u
C306
R315
220
JL301
100uH
L301
50V
10u
C316
3.3M
R313
JL315
JL304
0.1u
C303
16V
47u
C310
AUDIO_CH2
16V
47u
C307
JL316
AFENV
50V
10u
C319
0.01u
C324
16V
47u
C314
18k
R309
IICDAT
C+12V
AUDIO_REC
50V
10u
C320
8200p
C315
AFSWP
0.1u
C323
27k
R312
SW5V
50V
1u
C330
8200p
C309
JS301
50V
1u
C332
18k
R325
18k
R326
50V
1u
C333
50V
1u
C329
4700
R323
4700
R324
50V
1u
C328
JL305
JL307
JL308
TU_M
TU_L
TU_R
FRONT_L_IN
FRONT_R_IN
JL320
JL319
JL313
JL312
JL321
50V
10u
C338
50V
10u
C337
50V
10u
C336
DEC_R_OUT
LINE_L_OUT
DEC_L_OUT
MOD_A
LINE_IN
JL325
JL322
JL323
JL324
JL326
16V
0.22u
C317
16V
0.22u
C325
16V
0.22u
C326
16V
0.22u
C327
ANGND
1
A
24
F
125
G
11876
E
05
B
H
MA-400 BOARD (4/8)
93
D
C
10
SIGNAL
REC
PB
SIGNAL PATH
AUDIO
IC301
Hi-Fi AUDIO PROCESSOR
(SEE PAGE 4-19)
17
MA-400 BOARD (5/8)
MA-400 BOARD (1/8)
(SEE PAGE 4-10)
9
(SEE PAGE 4-13)
10
MA-400 BOARD (3/8)
MA-400 BOARD (8/8)
15
(SEE PAGE 4-26)
(SEE PAGE 4-21)
16
MA-400 BOARD (6/8)
MUTE CONTROL
MUTE
MUTE
w
w
w
.
x
i
a
o
y
u
1
6
3
.
c
o
m
Q
Q
3
7
6
3
1
5
1
5
0
9
9
2
8
9
4
2
9
8
T
E
L
1
3
9
4
2
2
9
6
5
1
3
9
9
2
8
9
4
2
9
8
0
5
1
5
1
3
6
7
3
Q
Q
TEL 13942296513 QQ 376315150 892498299
TEL 13942296513 QQ 376315150 892498299
http://www.xiaoyu163.com
http://www.xiaoyu163.com

Table of Contents