EasyManua.ls Logo

Sony SLV-SE710 - Page 53

Sony SLV-SE710
86 pages
Print Icon
To Next Page IconTo Next Page
To Next Page IconTo Next Page
To Previous Page IconTo Previous Page
To Previous Page IconTo Previous Page
Loading...
SLV-SE610/SE710/SE810/SX710/SX717/SX810/X9
4-25 4-26
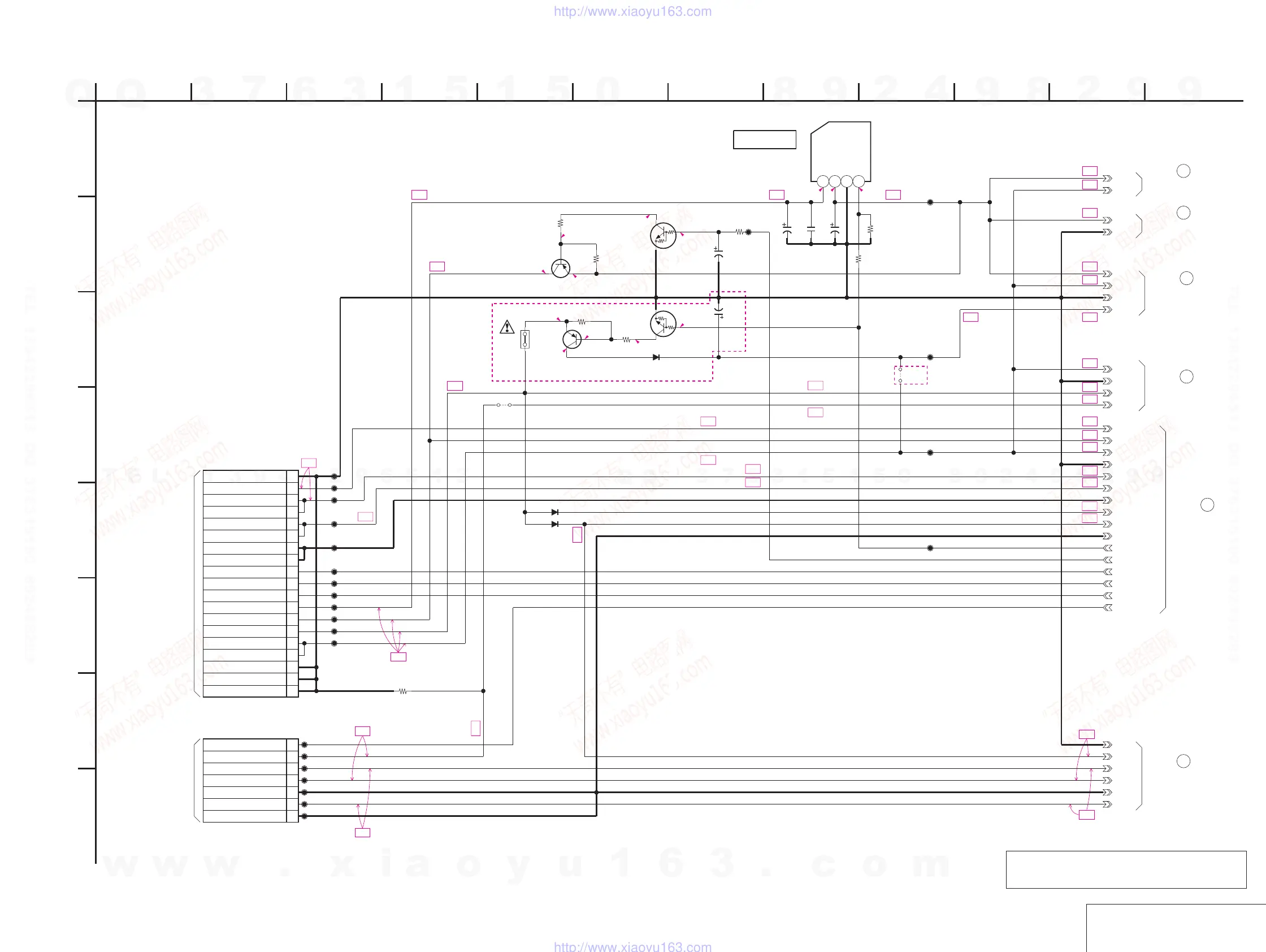
MA-400 (POWER SUPPLY) SCHEMATIC DIAGRAM See page 4-5 for printed wiring board.
– Ref. No.: MA-400 board; 1,000 series –
POWER SUPPLY
MA-400 (8/8)
Note:The components identified by mark 0 or dotted line
with mark 0 are critical for safety.
Replace only with part number specified.
B+
B+
B+
B+ B+
B+
B+
B+
B+
B+
B+
B+
B+
B+
B-
B-
B+
B+
B+
B+
B+
B+
B+
B+
B+
B+
B+
B+
B+
B+
B+
B+
B+
B+
B+
B+
B+
0
4.9
11.2
11.9
11.9
5.9
5.9
0.1
5.1
4.9
13.3
11.9
3.2
NO MARK:REC/PB MODE
SE610:B,E/SE710/SE810/SX710/SX717/SX810/X9
SE610:A,G,K,N
C+/SW12VCONT
MPG06D-6052PKG3
D607
SW5V
PDTC144EK-115
Q608
MPG06D-6052PKG3
D606
PS602
0.25A
2SB1122-ST-TD
Q607
1k
R611
-11VCONT
PQ12RD08
IC601
1
13V
2
12V
3
GND
4
CONT
PCONT_M12V
820
R615
ANGND
+F
16V
100u
C613
C+12V
25V
47u
C611
-11V
0.01u
C612
-F
D6V
C+12V
MPG06D-6052PKG3
D603
ANGND
SW5V
SW30V
PCONT_SW5V
ANGND
C+5V
JL614
DGND
50V
22u
C618
ANGND
JL616
JL604
1k
R617
C+12V
SW5V
JL608
JL625
SW5V
2SB1122-ST-TD
Q612
1800
R618
19PCN600
1
2
3
4
5
6
7
8
9
10
11
12
13
14
15
16
17
18
19
CAPSTANVCC
PCONT_M24V
JL607
ANGND
JL609
1k
R626
DGND
MTRGND
JL619
JL606
JL618
D5V_BACKUP
SW12V
JL617
JL627
JL605
JL624
JL602
4700
R625
JL600
JL613
D5V
JL601
JL615
PCONT_M18V
MTR12V
JL610
JL603
D5V
10k
R624
JL626
PDTC144EK-115
Q613
6.3V
220u
C621
1M
R627
OSDVCC
JL628
JL421
7P
CN601
1
2
3
4
5
6
7
JS604
1
A
JS603
AN GND
CAPSTAN VCC
OSDVCC
CAPSTAN VCC
MTR 12V
MTR 12V
MTR GND
MTR GND
P CONT M24V
P CONT M18V
P CONT M12V
13V
SW12V
D6V
SW5V
SW5V
AN GND
-11V CONT
38V
-11V
+F
D GND
-F
D GND
AN GND
AN GND
24
F
125
G
11876
E
05
B
H
MA-400 BOARD (8/8)
93
D
C
10
C+12V REG
IC601
SWITCH
SWITCH
Q607,608
C+5V SWITCH
SRV938EK BOARD
CN201
(SEE PAGE 4-34)
SRV938EK BOARD
CN202
(SEE PAGE 4-34)
MA-400 BOARD (4/8)
15
(SEE PAGE 4-17)
18
MA-400 BOARD (5/8)
(SEE PAGE 4-19)
8
(SEE PAGE 4-10)
MA-400 BOARD (1/8)
MA-400 BOARD (6/8)
20
(SEE PAGE 4-21)
(SEE PAGE 4-13)
MA-400 BOARD (3/8)
13
MA-400 BOARD (7/8)
21
(SEE PAGE 4-23)
w
w
w
.
x
i
a
o
y
u
1
6
3
.
c
o
m
Q
Q
3
7
6
3
1
5
1
5
0
9
9
2
8
9
4
2
9
8
T
E
L
1
3
9
4
2
2
9
6
5
1
3
9
9
2
8
9
4
2
9
8
0
5
1
5
1
3
6
7
3
Q
Q
TEL 13942296513 QQ 376315150 892498299
TEL 13942296513 QQ 376315150 892498299
http://www.xiaoyu163.com
http://www.xiaoyu163.com

Table of Contents

Related product manuals