EasyManua.ls Logo

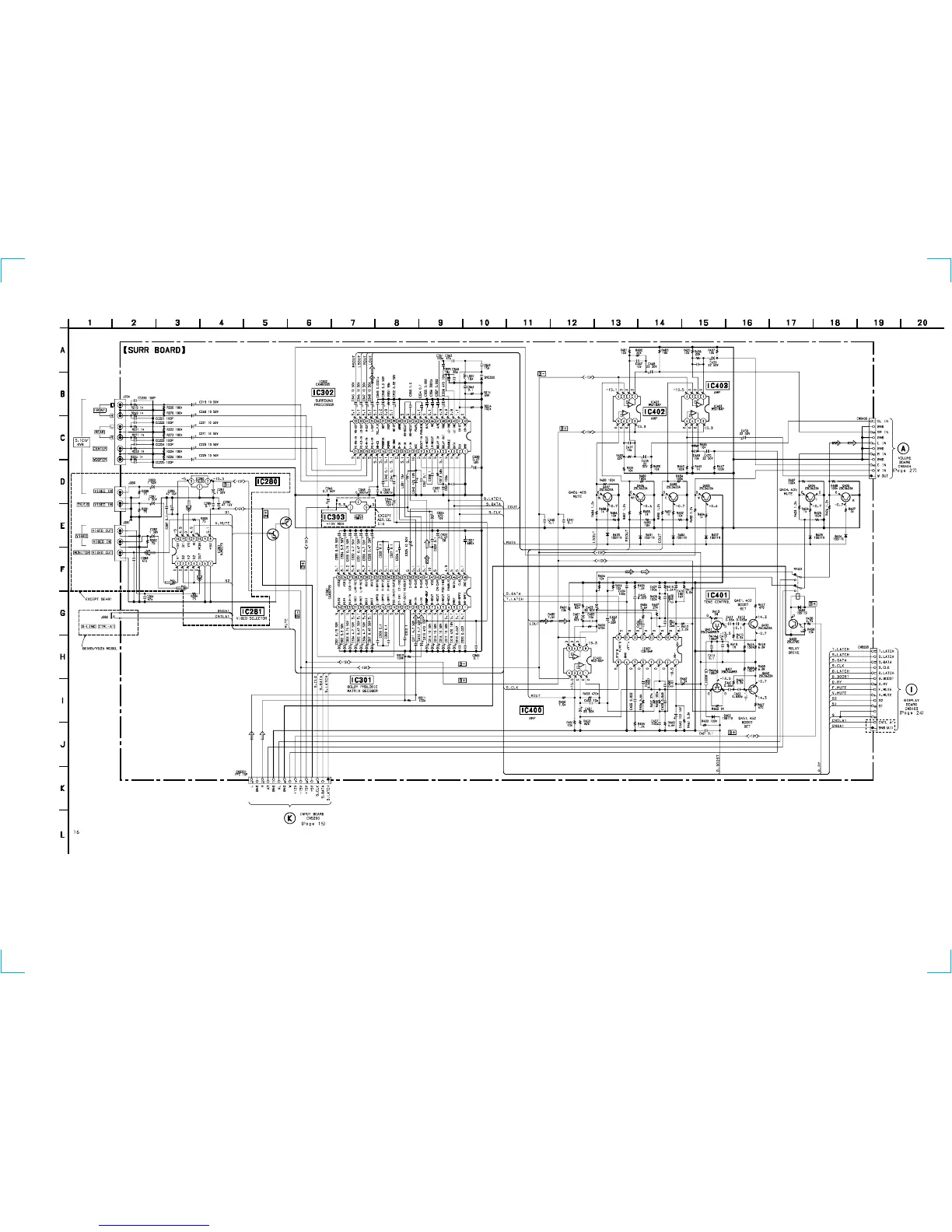
Sony STR-DE435 - Schematic Diagram - Surround Section

Sony STR-DE435
46 pages
Print Icon
To Next Page IconTo Next Page
To Next Page IconTo Next Page
To Previous Page IconTo Previous Page
To Previous Page IconTo Previous Page
Loading...
STR-DE435/DE535/SE491/V424/V525
3-6. SCHEMATIC DIAGRAM — SURROUND SECTION —
— 19 — — 20 —
DE435 : US,CND
DE535/V525
MODEL
C419
10p
-5V REG
Q422
DTC124ES
Q421
DTC124ES
F.MUTE
• Refer to page 39 for IC Block Diagrams.

Related product manuals