EasyManua.ls Logo

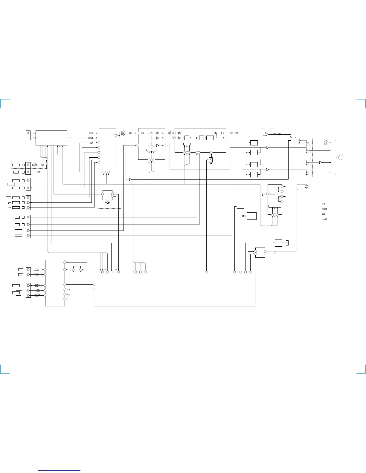
Sony STR-DE435 - 3-2. BLOCK DIAGRAMS MAIN SECTION

Sony STR-DE435
46 pages
Print Icon
To Next Page IconTo Next Page
To Next Page IconTo Next Page
To Previous Page IconTo Previous Page
To Previous Page IconTo Previous Page
Loading...
STR-DE435/DE535/SE491/V424/V525
3-2. BLOCK DIAGRAMS
— MAIN SECTION —
L
24
IF DATA
FM
AM
FM
75
AM
DO
ASTOP
TMUTE
STEREO
DATA
CLK
CE
L OUT
R OUT
TUNER UNIT
DO
AUTO STOP
TMUTE
STEREO
S DATA
S CLK
S LAT
R CH
: FM
: CD (ANALOG)
• Signal Path
• RCH is omitted
PHONO
LCD
J201
LINPUT
LOUT PUT
J202
LFRONT
LREAR
J204
WOOFER
5.1 INPUT
TAPE/MD
M OUT
10
J281
MONITOR
J208
5.1 IN
IN
VIDEO 1
OUTOUT
OUT
V2
3
OUT
5
V3
12
V1
1
14
VEE
8
VCC
13
SW1
2
SW2
4
SW2
11
M
3 2
VIDEO SELECT
IC281
-5V
REG
IC280
-15V
+5V
: VIDEO
28
30
29
26
22
25
4
11
8
CE
13
CLK
15
DI
14
AUDIO SELECT
IC204
MUTE
Q405
S LAT
S CLK
S DATA
CONTROL
CE
45
CLK
47
DATA
46
D LAT
S CLK
S DATA
57
LINE AMP
IC202
9
L OUT
S OUT
C OUT
41
39
38
MATRIX DECODER
IC301
DOLBY PROLOGIC
11
13
57
EQ AMP
IC201
20k
L.P.F
ADM
5k/7k
L.P.F
VOL/
MUTE
DEC
CE
4
CLK
2
DI
3
D LAT
S CLK
S DATA
25
23
PROCESSOR
IC302
SURROUND
SL OUT
L OUT
MUTE SW
Q421,422
5
6
7
31
MUTE
Q408
57
MUTE
Q409
IC400
IC403
IC402
L.P.F
MUTE
Q407
13
15
14
11
12
BASS
TREBLE
TONE CONTROL
IC401
LEVEL SHIFT
STB
10
CLK
8
DI
9
T LAT
S CLK
S DATA
BOOST
DET
Q401,402
RY401
RELAY
DRIVE
Q403
LINE AMP
RV401
VOLUME
RV402
BALANCE
L
C
W
SL
A
POWER
SECTION
(Page 11)
M
UP
DOWN
S1
2
SYSTEM
CONTROL
IC100(1/2)
S2
3
V MUTE
4
16
21
AUTO STOP
23
STEREO
22
TUNER MUTE
S DATA
S CLK
S LAT
DO
AUTO STOP
STEREO
TMUTE
19
S DATA
18
S CLOCK
20
S LATCH
9
D LATCH
17
T LATCH
D LAT
T LAT
52
VOL +
51
VOL-
3
2
8
7
VOL
MOTOR
IC102
DOWN
54
S MUTE
49
BASS BOOST
41
DIRECT PASS
: PHONO
CENTER
L
TV
L
J203
VIDEO
INPUT
OUTPUT
LINPUT
57
LINE AMP
IC203
UP
DE535 ONLY
SIGNAL
DET OUT
21
24
TUNER
PHONO
CD
TAPE
REC OUT
TV/LD
VIDEO OUT
VIDEO IN
COM
4 2
16
RDS
IC230
13 14
X230
4.332MHz
DE435(CE)ONLY
COM
COM
14
FCC
FCL
18
FCLS
20
DC CUT
9
Q371
57
IC403
6
VIR CNTL
38
RDS CLK
15
RDS DAT
28
SIGNAL
TV/LD
— 9 — — 10 —

Related product manuals