EasyManua.ls Logo

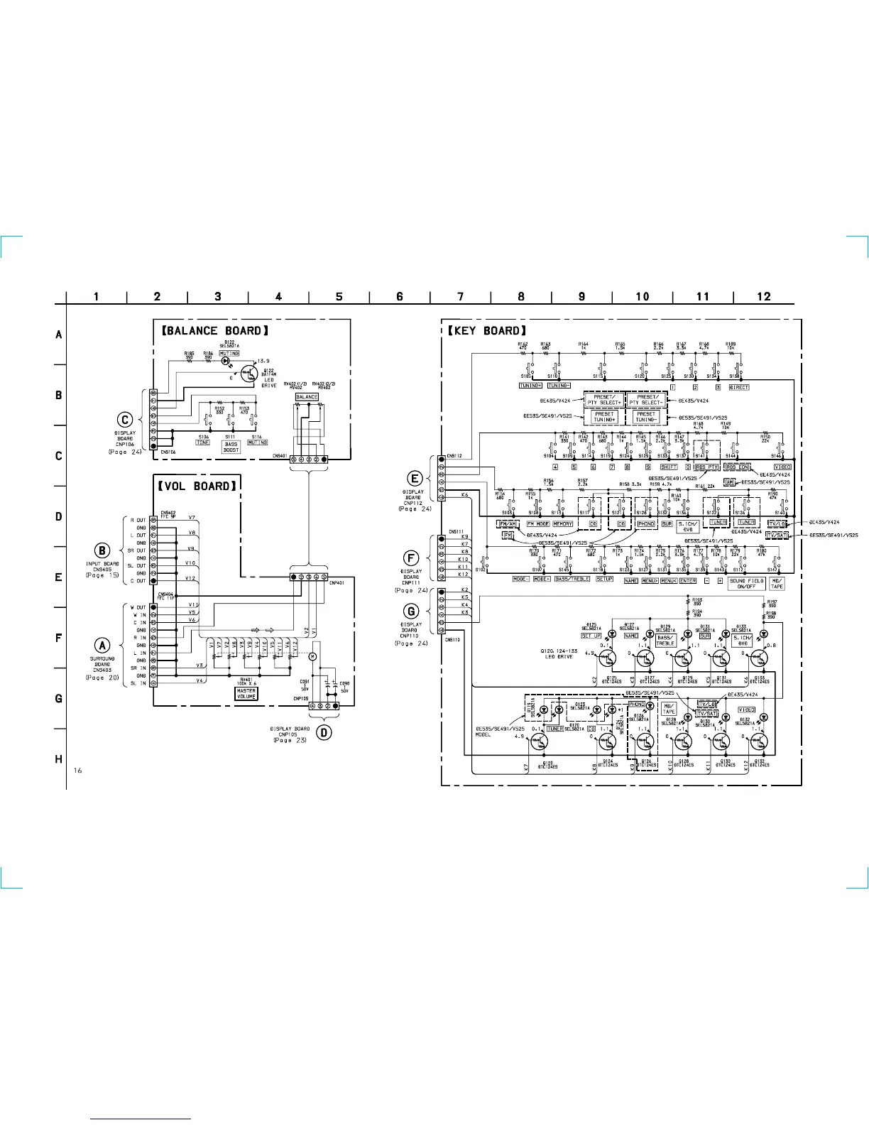
Sony STR-DE435 - Schematic Diagram - Key Section

Sony STR-DE435
46 pages
Print Icon
To Next Page IconTo Next Page
To Next Page IconTo Next Page
To Previous Page IconTo Previous Page
To Previous Page IconTo Previous Page
Loading...
STR-DE435/DE535/SE491/V424/V525
3-10. SCHEMATIC DIAGRAM — KEY SECTION —
— 27 — — 28 —

Related product manuals