EasyManua.ls Logo

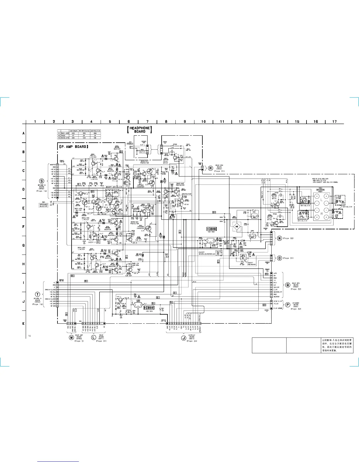
Sony STR-DE435 - Schematic Diagram -Power Amp Section

Sony STR-DE435
46 pages
Print Icon
To Next Page IconTo Next Page
To Next Page IconTo Next Page
To Previous Page IconTo Previous Page
To Previous Page IconTo Previous Page
Loading...
STR-DE435/DE535/SE491/V424/V525
3-14. SCHEMATIC DIAGRAM —POWER AMP SECTION —
— 35 — — 36 —
TO TRANS
CNS801
TO TRANS
CNS802
15P
10P
CNP711
*
*
*
C803,C804
EXCEPT CND,AEP,EE,E,CIS/SE491
;10000/71V
CND,SE491/DE535:E;8200/71V
AEP,EE,CIS;10000/63V
F801,F802
US,CND
US,CND
MY,SP,AUS,E,CH:8.0A 125V
AEP,EE,CIS:TL6.3A 250V
*
*
*
The components identified by
mark ! or dotted line with mark
! are critical for safety.
Replace only with part number
specified.
Les composants identifiés par
une marque ! sont critiques
pour la sécurité.
Ne les remplacer que par une
pièce portant le numéro spécifié.

Related product manuals