EasyManua.ls Logo

Sony STR-DE435 - Power Section

Sony STR-DE435
46 pages
Print Icon
To Next Page IconTo Next Page
To Next Page IconTo Next Page
To Previous Page IconTo Previous Page
To Previous Page IconTo Previous Page
Loading...
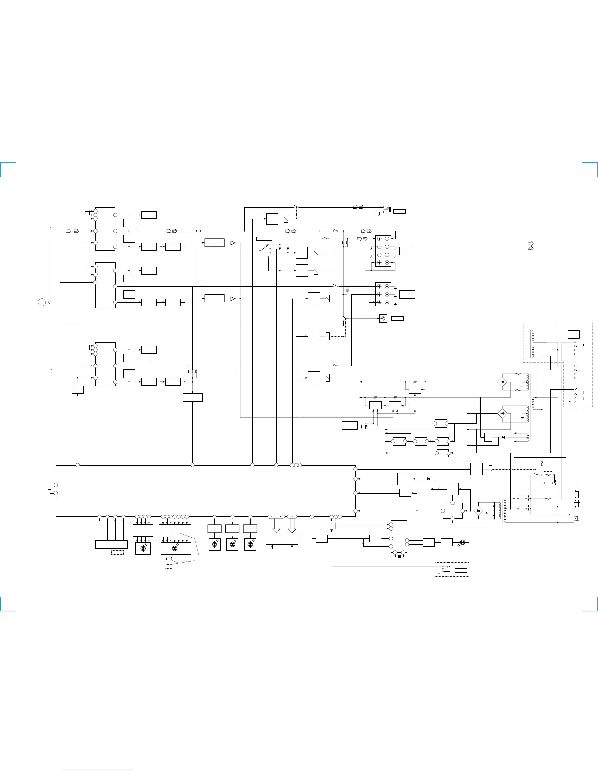
STR-DE435/DE535/SE491/V424/V525
— POWER SECTION —
RELAY
DRIVE
Q513
LIMITER
Q504
14
5
15
6
1
2
3
VEE
VCC
IN
MUT
+VE
NF
-VE
13
VCC
POWER AMP(L)
IC501
L
+B
-B
LIMITER
Q505
BOOSTER
Q506
BOOSTER
Q507
CUR DET
Q508
PROTECTOR
Q509,510
Q511
LIMITER
Q604
2
7
6
5
VSS
IN
+VE
NF
-VE
9
VCC
POWER AMP(C/W)
IC601
C
+B
-B
LIMITER
Q605
BOOSTER
Q606
BOOSTER
Q607
CUR DET
Q608
PROTECTOR
Q609,610
Q611
LIMITER
Q704
MUTE
Q691,692
14
5
15
6
1
2
3
VEE
VCC
IN
MUT
+VE
NF
-VE
13
VCC
POWER AMP(SL)
IC701
SL
+B
-B
LIMITER
Q705
BOOSTER
Q706
BOOSTER
Q707
CUR DET
Q708
1
RY503
RELAY
DRIVE
Q546
RY501
RELAY
DRIVE
Q596
RY502
B
A
A+B
OFF
S101
SPEAKERS
RELAY
DRIVE
Q646
RY601
RELAY
DRIVE
Q746
RY701
RELAY
DRIVE
Q696
RY651
RELAY
DRIVE
Q901
RY901
J651
C
S(L)
S(R)
R CH
SURROUND
SPEAKER
WOOFER
J501
PHONES
TM701
FRONT
SPEAKER
TM501
R CH
R CH
POWER
CONT
IC901
58
3
6
DELAY
+B SW
Q902
D801
SWITCH
Q655,656
INV SW
Q657
SWITCH
Q651,652
SWITCH
Q653,654
PROTECTOR
Q660-662
D806 F1
F2
+5.6V
F801
F802
D802-805
+B
-B
IMPEDANCE
SELECTOR
8
4
S501
F901
F903
JW901
D901-904
CNP900
AC IN
L
R
:FM
:CD (ANALOG)
• Signal Path
• Abbreviation
AUS : Australian
CND : Canadian
SP : Singapore
• RCH is omitted
W
T901
2
-15V
REG
3
3
+5V
REG
1
REG
Q801
IC809
+V
-V
-30V
1
+15V
REG
3
IC809
IC801
1
+12V
REG
3
IC802
1
+5V
REG
3
IC804
+15V
+12V
+5V
IC803
-15V
CNJ901
T902
SYSTEM CONTROL/
MODE CONTROL
IC100(2/2)
A
MAIN
SECTION
(Page 10)
8
AC MUTE
44
FRONT RY
47
PROTECTOR
50
SP OFF
43
CENTER RY
45
W RY
42
SUR RY
48
POWER RY
REMOTO
CONTROL
RECEIVER
IC101
26
SIRCS
RESET
Q101,102
10
RESET
X1
12
X2
11
X101
5MHz
KEY1
33
FUNCTION
KEY
S102-120
S123-148
KEY2
32 58
NAME LED
62 60
D125,127,129,131
71 78
.
80 88
100 89
FL101
FL TUBE
F2 F1
P1 17
G1 12
16
JW902
39
STOP
I/R
CONT
IC1001
I/O
BUFFER
Q1002
11
14
12
33
2
INITALIZE
5
15 16
X1000
7.28MHz
I/R
DET
IC1002
LED
DRIVE
Q1004,1005
D1003-1005
61
120V
0V
100V
120V
0V
120V
240V
220V
120V
240V
220V
120V
240V
220V
VOLTAGE
SELECTOR
S901
JW925
F904
US,CND,E MODEL
US,CND MODEL
AUS,AEP,
CND,SP
MODEL
AUS,AEP,
CND,SP
MODEL
D108
CTRL A1 LAT
27
CTRL A1 IN
37
CTRL A1OUT
36
I/O
BUFFER
Q1001
5
S-LINK
J283
DE535 ONLY
DE535 : E MODEL
KEY3
31
KEY4
30
S121,122
EXCEPT
DE435 MODEL
LED DRIVE
Q127
Q125
Q131
Q129
6457 65
D133, 119 ,120, 123, 124
63
LED DRIVE
Q120
Q133
Q126
Q124
66 67 68
Q128 Q132
Q130
D126 ,128,130,131
EXCEPT
DE435 MODEL
SET UP LED
TONE LED
SURR LED
5.1 INPUT LED
TUNER LED
CD LED
PHONO LED
MD/TAPE LED
TV/DBSLED
VIDEO LED
LED DRIVE
Q122
59
MUTING LED
D133, 119 ,120, 123, 124
D122
LED DRIVE
Q115
69
BASS/TREBLE LED
D115
LED DRIVE
Q116
70
B.BOOST LED
D116
— 11 — — 12 —

Related product manuals