EasyManua.ls Logo

Sony STR-DE598 - Schematic Diagram - Main Section (2;2)

Sony STR-DE598
88 pages
Print Icon
To Next Page IconTo Next Page
To Next Page IconTo Next Page
To Previous Page IconTo Previous Page
To Previous Page IconTo Previous Page
Loading...
STR-DE598/DE698/DV10
23 23
STR-DE598/DE698/DV10
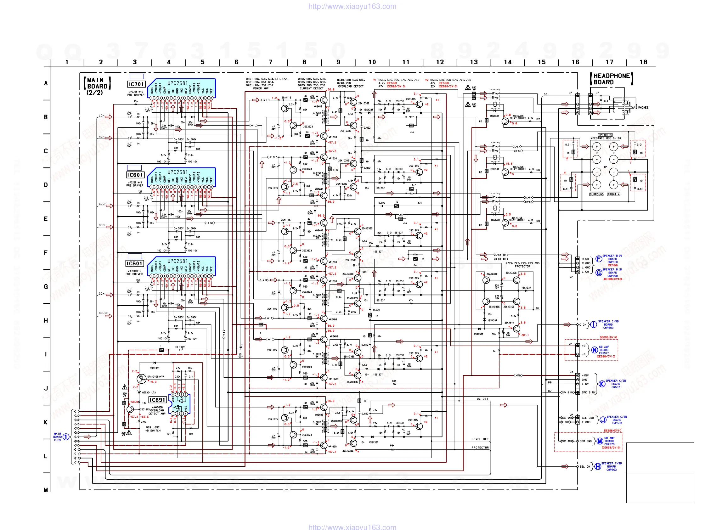
4-9. SCHEMATIC DIAGRAM — MAIN SECTION (2/2) — • Refer to page 40 for IC Block Diagrams.
The components identified by
mark 0 or dotted line with mark
0 are critical for safety.
Replace only with part number
specified.
Les composants identifiés par
une marque 0 sont critiques
pour la sécurité.
Ne les remplacer que par une
pièce portant le numéro spécifié.
(Page
22)
(Page 31)
(Page 31)
(Page 31)
(Page 31)
IC B/D
IC B/D
IC B/D
EXCEPT US,CND,E2
MODEL
EXCEPT
US,CND,E2
MODEL
Q703
Q653
Q603
Q753
Q503
Q504
Q754
Q604
Q654
Q704
C501
C503
C540
C541
C601
C603
C605
C640
C642
C680
C681
C691
C701
C703
C705
C721
C722
C732
C750
C752
D505
D540
D605
D610
D640
D665
D680
D690
D710
D721
D765
D791
Q540
Q601
Q640
Q680
Q691
Q701
Q722
Q750
R501
R520
R557
R601
R604
R620
R623
R624
R657
R669
R674
R677
R694
R695
R701
R704
R735
R736
R737
R757
R778
R780
C740
D740
D705R724
C742
Q740
R747
R540
R625
R680
R690
R698
R699
R750
R775
C651
R651
C655
C653
C751 R751
C755
C753
C744
Q533
Q534
R530
R534 D585
R580 C581
R587
D580
C580
Q580
R525
R535
C505
C561 R561
C565
C553
R740
R640
C791
R748
R648
R681
R758
R546
R588
R521
R531
R621
R671
R714
R715
R665
R664
R614
R615
R765
R764
R514
R515
R574
R575
L601
L651
L701
L751
C506
C566
C567
C606
C607
C656
C657
C706
C707
C756
C757
C519
C539
C619
C670
Q606
Q706
Q725
Q755 Q795
R634
R718
R734
R793
R618
R768
R791
R731
R631
CNP806
CN808
WP04
CN807
CN792
R638
R667
R717
R725
C711
R723
R673
C661
R721
R722
Q705
C720R719
Q655
Q656
R672
R622
Q605
Q756
R772
C761
R767
C770R769
R771
C511
R517 R573
R522
R524
Q506
Q505
R663
R661
R660
Q652
Q651
C660
R711
R710
R713
Q702C710
R611
R610
R613
Q602
C610
R763
Q752C760
R761
R760
Q751
R511
R510
Q501
R513
Q502
C510
R571
R570
Q571
Q572
R576
C570
Q535
R537
C531
R572
Q536
R523
R773
R617
C611
R668
RY791
RY701
RY601
Q793
Q723
D722
D732
R702
R752
C743
R652
R602
R562
R502C507
R693
R733
R654
C741
R554
R505
C733
CNP791
TP701
J791
C790
WP02
WP03
IC701
R754
R753
IC601
R603
IC501
R553
D691
IC691
R691
R692
R745
R746
R675
R676
R655
R656
R755
R756
R555
R556
R585
R586
Q790
Q710
Q610
R792
R794
R716
R666
R616
R766
R516
R526
CC15
RR13
RR14
CC17
CC11
RR11
RR12
CC13
TM601
CN809
R732
R744
C704C754
R703
R743
C604 C654
R653
R741
C554 C504
R503
R696
Q692
C717
C716
C669
C666
C621
C620
C767
D750
C766
C517
C516
C577
C576
(Page 31)
(Page 31)
(Page 31)
(Page 31)
Ver. 1.1
w
w
w
.
x
i
a
o
y
u
1
6
3
.
c
o
m
Q
Q
3
7
6
3
1
5
1
5
0
9
9
2
8
9
4
2
9
8
T
E
L
1
3
9
4
2
2
9
6
5
1
3
9
9
2
8
9
4
2
9
8
0
5
1
5
1
3
6
7
3
Q
Q
TEL 13942296513 QQ 376315150 892498299
TEL 13942296513 QQ 376315150 892498299
http://www.xiaoyu163.com
http://www.xiaoyu163.com

Table of Contents

Other manuals for Sony STR-DE598

Related product manuals