EasyManua.ls Logo

Sony STR-DE598 - Schematic Diagram - Video Section

Sony STR-DE598
88 pages
Print Icon
To Next Page IconTo Next Page
To Next Page IconTo Next Page
To Previous Page IconTo Previous Page
To Previous Page IconTo Previous Page
Loading...
STR-DE598/DE698/DV10
33 33
STR-DE598/DE698/DV10
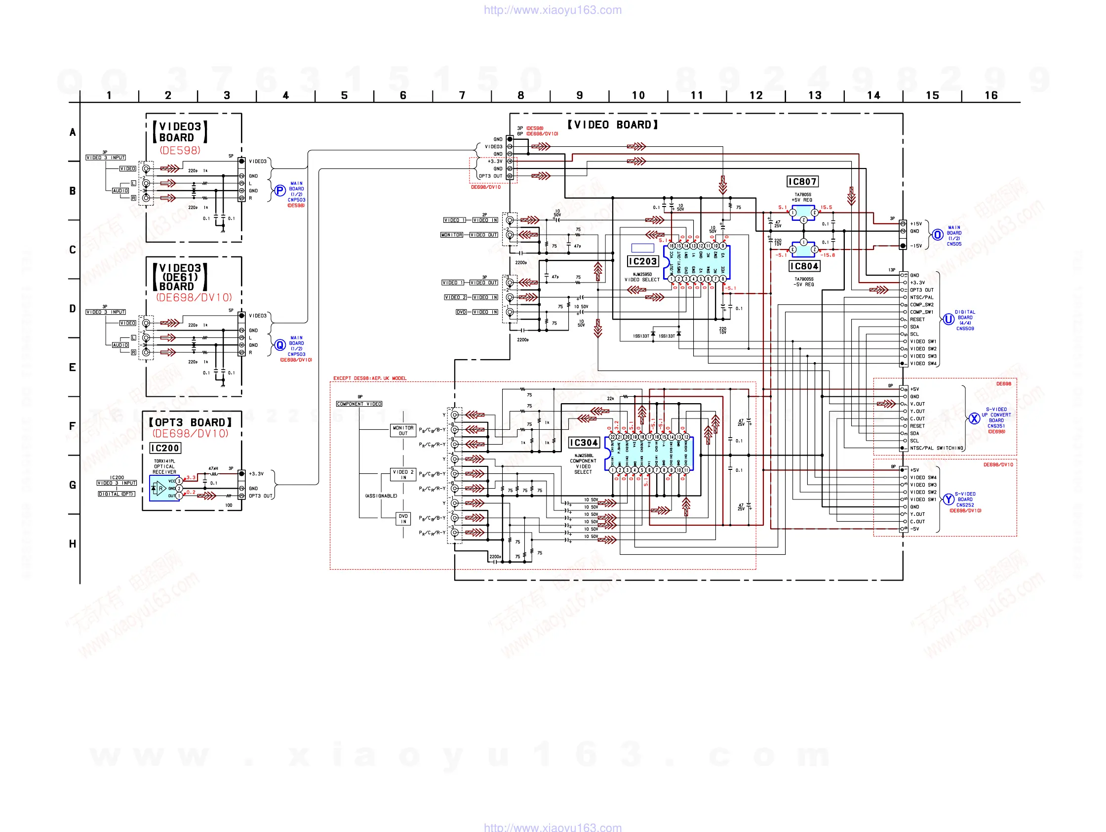
4-19. SCHEMATIC DIAGRAM — VIDEO SECTION — • Refer to page 41 for IC Block Diagrams.
(Page 22)
IC B/D
C200
R220
R218
R221
C220
R219
C201
C221
IC203
C207
C208
C209
C210
C314
C316
C214
C223
C224
R200
D203 D204
CNP203
CNS250
CNS202
CNS201
R303
R302
R301
C311
C312
C331
C213
C215
R201
C206
R313
C317
C330
C338
C313
C308
C309
C310
R310
R311
R312
R305 R306R304
C315
R307
R308
R309
R290
L290 CN202
CN201
C290
R298
R299C299
C298
C293C294
W290
J301
J298
CN201
J298
R298
R299C299
C298
C293C294
W290
CNP202
IC200
J201
J200
IC807
IC804
IC304
(Page 22)
(Page 22)
(Page 35)
(Page 34)
(Page 29)
w
w
w
.
x
i
a
o
y
u
1
6
3
.
c
o
m
Q
Q
3
7
6
3
1
5
1
5
0
9
9
2
8
9
4
2
9
8
T
E
L
1
3
9
4
2
2
9
6
5
1
3
9
9
2
8
9
4
2
9
8
0
5
1
5
1
3
6
7
3
Q
Q
TEL 13942296513 QQ 376315150 892498299
TEL 13942296513 QQ 376315150 892498299
http://www.xiaoyu163.com
http://www.xiaoyu163.com

Table of Contents

Other manuals for Sony STR-DE598

Related product manuals