EasyManua.ls Logo

Sony STR-DE598 - Schematic Diagram - Power Section

Sony STR-DE598
88 pages
Print Icon
To Next Page IconTo Next Page
To Next Page IconTo Next Page
To Previous Page IconTo Previous Page
To Previous Page IconTo Previous Page
Loading...
STR-DE598/DE698/DV10
39 39
STR-DE598/DE698/DV10
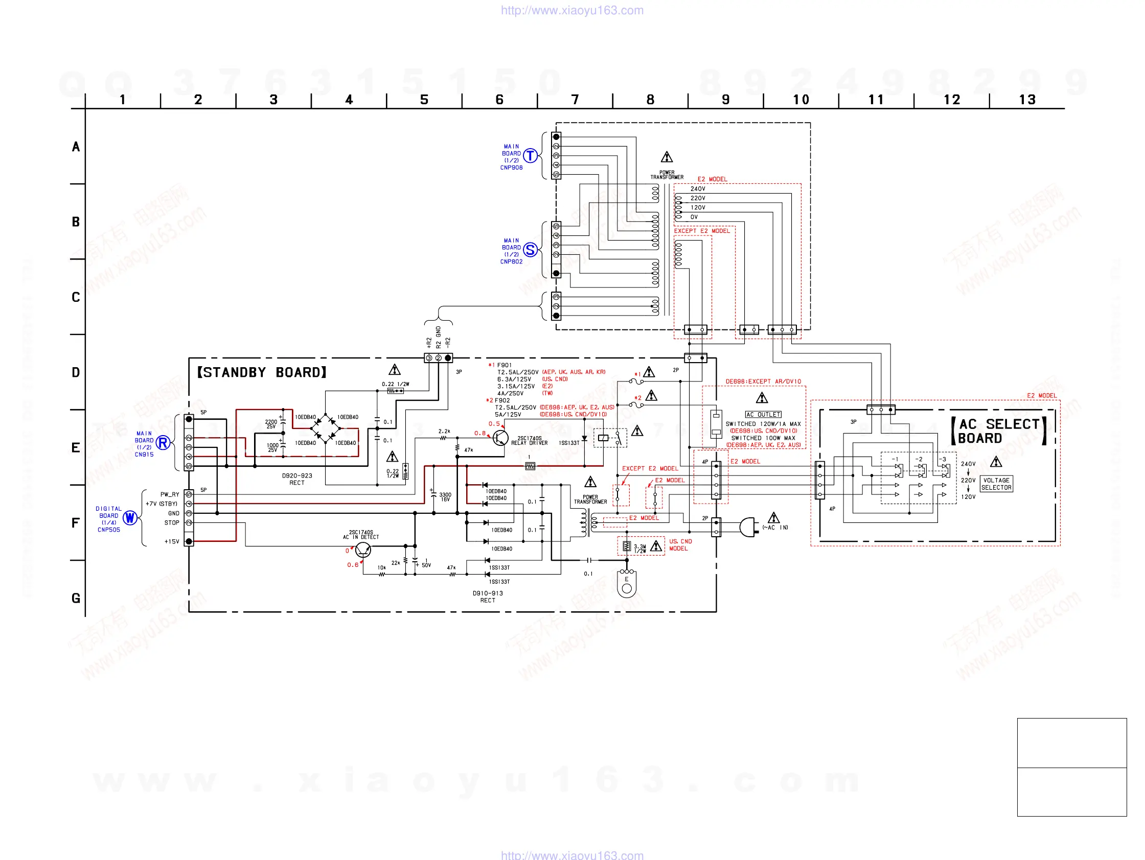
4-27. SCHEMATIC DIAGRAM — POWER SECTION —
The components identified by
mark 0 or dotted line with mark
0 are critical for safety.
Replace only with part number
specified.
Les composants identifiés par
une marque 0 sont critiques
pour la sécurité.
Ne les remplacer que par une
pièce portant le numéro spécifié.
(Page 22)
(Page 22)
(Page 26)
R902
D914
D915
R904
C922
C913
C914
R923
R922
R921
G901
R810
D910
D911
D912
D913
D920
D921 D922
D923
C915
C916
R903
CNP902
CNP801
CNP903
CNP804
CNP901
R811
C950
C920
C921
RY901
Q921
T902
R901
F902
F901
Q901
J911
T901
C924
D901
JW
903
JW
905
CNP906
CNP910
CNP907
S901
(Page 22)
Ver. 1.1
w
w
w
.
x
i
a
o
y
u
1
6
3
.
c
o
m
Q
Q
3
7
6
3
1
5
1
5
0
9
9
2
8
9
4
2
9
8
T
E
L
1
3
9
4
2
2
9
6
5
1
3
9
9
2
8
9
4
2
9
8
0
5
1
5
1
3
6
7
3
Q
Q
TEL 13942296513 QQ 376315150 892498299
TEL 13942296513 QQ 376315150 892498299
http://www.xiaoyu163.com
http://www.xiaoyu163.com

Table of Contents

Other manuals for Sony STR-DE598

Related product manuals