EasyManua.ls Logo

Sony STR-DE598 - Printed Wiring Board - S-Video up Convert Section (STR-DE698); Schematic Diagram - S-Video up Convert Section (STR-DE698)

Sony STR-DE598
88 pages
Print Icon
To Next Page IconTo Next Page
To Next Page IconTo Next Page
To Previous Page IconTo Previous Page
To Previous Page IconTo Previous Page
Loading...
STR-DE598/DE698/DV10
3434
STR-DE598/DE698/DV10
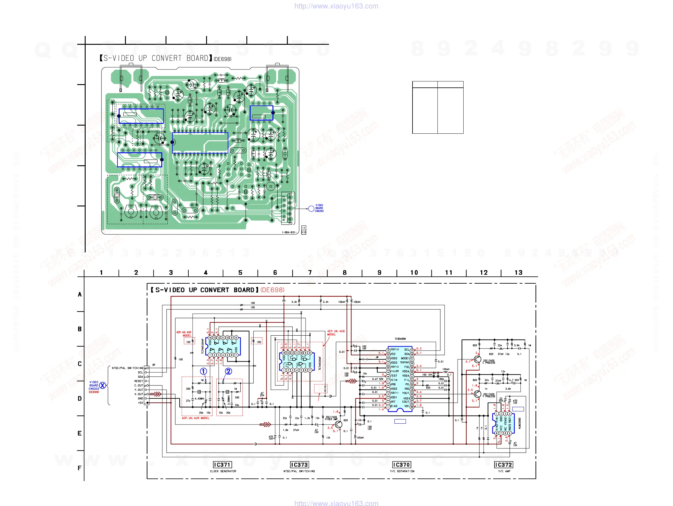
4-21. SCHEMATIC DIAGRAM — S-VIDEO UP CONVERT SECTION (STR-DE698) — • Refer to page 20 for Waveforms and page 41 for IC Block Diagrams.
4-20. PRINTED WIRING BOARD — S-VIDEO UP CONVERT SECTION (STR-DE698) — • Refer to page 14 for Circuit Boards Location.
(Page 32)
(Page 33)
( ): STR-DE698: AEP,
UK, AUS model only
IC370 C-3
IC371 C-2
IC372 B-5
(IC373) B-2
Q371 D-5
Q372 B-2
Q373 D-4
Semiconductor
Location (STR-DE698)
Ref. No. Location
1
A
B
C
D
E
23456
(D
E698)
X
FB354
FB353
C380
C381
C382
Q372
Q371
X370
L373
L374
L371
L370
C385
IC372
C384
C369
C388
C366
C378
C375
C389
C394
C390
C383
C368
C365
C374
C376
C371
C363
C379
C393
R374
C392
R375
R382
R383
R379
R378
R377
R373
R376
R392
R390
C372
C364
R386
IC370
C357
C387
C356
C355
L377
C354
C386
L376
C353
R367
R369
C352
R363
L378
R368
R388
C362
C377
C367
CNS351
JW353
JW351
R393
R394
L372
JW355
X371
CT380
US,CND,E2,AR MODEL
US,CND,E2,AR
MODEL
AEP,UK,AUS MODEL
AEP,UK,AUS MODEL
AEP,UK,AUS MODEL
CT381
C341
C351
C397
C395
JW357
R365
R366
R387
R385
R359
R358
JW352
Q373
C358
R384
R389
JW400
IC371
IC373
JW3501
JW354
FB355
JW358
JW359
C373
R391
JW356
BT300
BT301
TP803
1
58
41
7
14
8
814
71
114
28 15
IC B/D
IC B/D
US,CND,E2,AR MODEL
US,CND,
E2,AR
MODEL
US,CND,E2,AR MODEL
C384
C367
C388
C366
C365
R383
C373
C372
C371
C358
C378
C369
IC370
C354
C377
C389
R390
JL320
R386
JL332
JL333 JL334
JL335
L372
C386
L377
C362
L374
R376
L371
C368
R373
R385 L370
IC372
C390
L373
C383
L376
R365
R366
R367
R368 R369
C381
C379
C380
R378
C355
C356
X371
IC373
JW3501
CNS351
C353
C382
R363
C374
C375
R377 R374
C376
C352
R359
R358
C357
C385
C387
L378
R379
R394
R393R382C364C363
IC371
C393
R392
R389
C351
X370
CT380CT381 C392 C341
C395 C397
C394
JL319
JL330
JL315
JL318
JL317
JL316
Q371
Q373
Q372
FB353
FB354
FB355
R388
R387
R384
R375
R391
Ver. 1.1
w
w
w
.
x
i
a
o
y
u
1
6
3
.
c
o
m
Q
Q
3
7
6
3
1
5
1
5
0
9
9
2
8
9
4
2
9
8
T
E
L
1
3
9
4
2
2
9
6
5
1
3
9
9
2
8
9
4
2
9
8
0
5
1
5
1
3
6
7
3
Q
Q
TEL 13942296513 QQ 376315150 892498299
TEL 13942296513 QQ 376315150 892498299
http://www.xiaoyu163.com
http://www.xiaoyu163.com

Table of Contents

Other manuals for Sony STR-DE598

Related product manuals