EasyManua.ls Logo

Sony STR-DE598 - Printed Wiring Boards - Video Section

Sony STR-DE598
88 pages
Print Icon
To Next Page IconTo Next Page
To Next Page IconTo Next Page
To Previous Page IconTo Previous Page
To Previous Page IconTo Previous Page
Loading...
STR-DE598/DE698/DV10
3232
STR-DE598/DE698/DV10
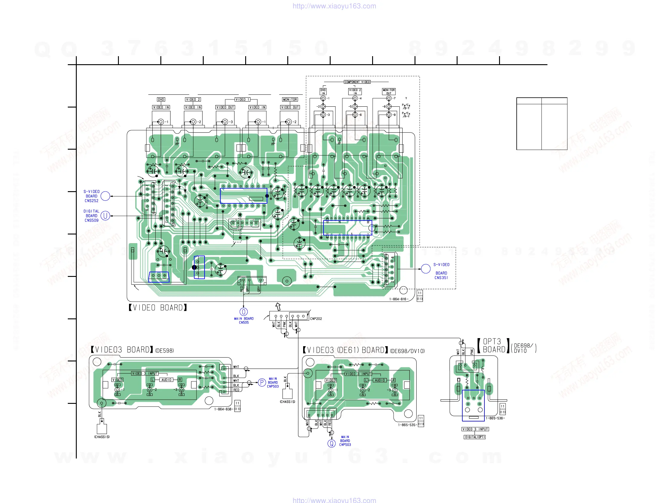
4-18. PRINTED WIRING BOARDS — VIDEO SECTION — • Refer to page 14 for Circuit Boards Location.
(Page 21)
(Page 21)
1
A
B
C
D
E
F
G
H
I
234567891011
UP CONVERT
(DE698)
R221
J200
J201
IC203
CNS201
(DE698/DV10)
C207
DE698/
DV10
DE698
DE598
631
DE598
DE698/
DV10
R218
C206
R200
C200
JW208
JW209
C220
D203
D204
C221
JW205
JW207
R220
C208
C209
C210
R201
C201
C214
C312
R309
C311
R308
R307
C310
C309
R306
R305
R304
C308
C330
C338
C317
C316
R312
C313
JW212
R219
C223
C224
C213
C215
CNP203
TP20
C315
R301
JW219
JW221
JW224
R303
R310
JW232
CNS202
DE698
C314
IC304
JW233
JW236
JW216
C331
JW228
JW229
R313
J301
EXCEPT DE598:AEP,UK MODEL
(ASSIGNABLE)
JW235
CNP202
CNS250
JW231
JW211
JW210
JW237
JW202
JW215
JW217
JW222
JW227
JW218
JW223
JW220
R302
R311
JW225
JW238
JW239
JW240
JW241
JW214
JW234
IC807
IC804
JW230
JW269
C294
W290
C293
C298
CN201
(DE598)
(DE698/DV10)
C299
R299
R298
J298
W290
C298
CN201
C299
R299
R298
C293
C294
J298
R290
C290
CN202
L290
IC200
123
1
3
2
1
23
916
81
16
Y
X
1
1
5
5
(Page 21)
(Page 25)
(Page 35)
(Page 34)
D203 C-3
D204 C-3
(IC200) I-10
IC203 D-5
<IC304> D-7
IC804 E-3
IC807 E-3
• Semiconductor
Location
Ref. No. Location
( ): STR-DE698/DV10 only
< > : Except STR-DE598: AEP,
UK model
w
w
w
.
x
i
a
o
y
u
1
6
3
.
c
o
m
Q
Q
3
7
6
3
1
5
1
5
0
9
9
2
8
9
4
2
9
8
T
E
L
1
3
9
4
2
2
9
6
5
1
3
9
9
2
8
9
4
2
9
8
0
5
1
5
1
3
6
7
3
Q
Q
TEL 13942296513 QQ 376315150 892498299
TEL 13942296513 QQ 376315150 892498299
http://www.xiaoyu163.com
http://www.xiaoyu163.com

Table of Contents

Other manuals for Sony STR-DE598

Related product manuals