EasyManua.ls Logo

Sony TA-E9000ES - System Block Diagrams; Video Section Block Diagram

Sony TA-E9000ES
130 pages
Print Icon
To Next Page IconTo Next Page
To Next Page IconTo Next Page
To Previous Page IconTo Previous Page
To Previous Page IconTo Previous Page
Loading...
TA-E9000ES
– 13 –
– 14 –
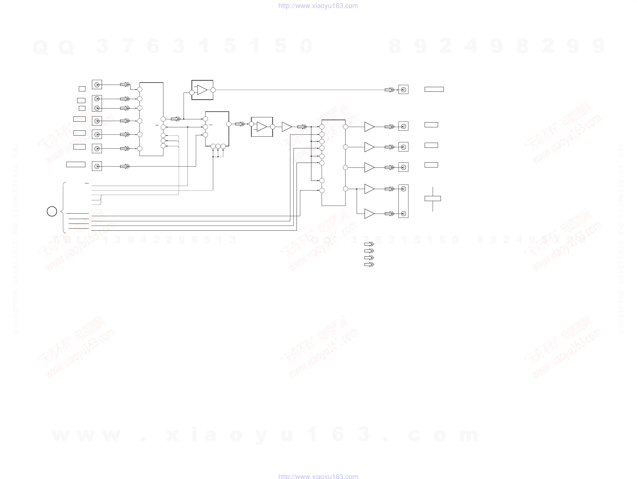
4-2. BLOCK DIAGRAMS
VIDEO SECTION –
S-VIDEO
SECTION
A
(Page 16)
• SIGNAL PATH
: VIDEO
:DVD;VIDEO
:LD;VIDEO
:VIDEO1,2,3
3
11
10
9
5X5
X0
YB
CB
YA
CA
YD
CD
YC
CC
EN
X1
X
X
XB
XA
XD
XC
EN
A
B
C
X7
X6
X4
X2
SEL A
SEL B
SEL C
X1
4
6
CBA
VIDEO SW
IC401
1
J401
J402
J406
J403
J404
J405
J407
J403
15
J404
14
V1
V2
V3
LD
DV
LD
V
J405
J406
2
3 4
5
2
13
10
12
9
1
11
8
6
VIDEO MUTE
IC404
VIDEO DRIVER
Q401,402
VIDEO DRIVER
Q403,404
VIDEO DRIVER
Q405,406
VIDEO DRIVER
Q407,408
VIDEO DRIVER
Q409,410
14
9 10 11
BYPASS SW
IC402
6
13
12
5
7
+
VIDEO AMP
IC403(2/2)
VIDEO BUFFER
Q411
VIDEO AMP
IC403(1/2)
3
1
+
IN
IN
IN
IN
IN
IN
IN
OE
ADAPTER
SEL A
SEL B
SEL C
MONITOR-MUTE
VIDEO3-MUTE
VIDEO2-MUTE
VIDEO1-MUTE
TV
DVD
LD
PROCESSOR
VIDEO3
VIDEO2
VIDEO1
OUT
OUT
OUT
OUT
OUT
OUT
PROCESSOR
VIDEO 2
VIDEO 3
VIDEO 1
MONITOR
w
w
w
.
x
i
a
o
y
u
1
6
3
.
c
o
m
Q
Q
3
7
6
3
1
5
1
5
0
9
9
2
8
9
4
2
9
8
T
E
L
1
3
9
4
2
2
9
6
5
1
3
9
9
2
8
9
4
2
9
8
0
5
1
5
1
3
6
7
3
Q
Q
TEL 13942296513 QQ 376315150 892498299
TEL 13942296513 QQ 376315150 892498299
http://www.xiaoyu163.com
http://www.xiaoyu163.com

Table of Contents

Other manuals for Sony TA-E9000ES

Related product manuals