EasyManua.ls Logo

Sony TA-E9000ES - AC-3 RF Section

Sony TA-E9000ES
130 pages
Print Icon
To Next Page IconTo Next Page
To Next Page IconTo Next Page
To Previous Page IconTo Previous Page
To Previous Page IconTo Previous Page
Loading...
TA-E9000ES
– 37 – – 38 –
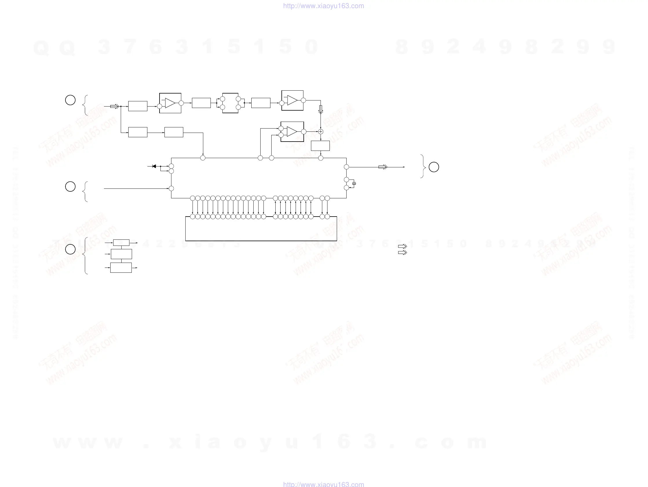
– AC-3RF SECTION –
BUFFER
Q6004
BUFFER
Q6006
BUFFER
Q6005
BUFFER
Q6003
5
AMP
IC6002
6
6
7
7
1
FL6001
4
6
9
+
BUFFER
Q6001
AMP
Q6002
10
X6001
18.432MHz
8 7 6 5 4 3 25 24 21 23 2 26 1 11 12 13 15 16 17 18 19 22 279
17
3
4
66
19
78
20 21 22 30 31 38 39 43 41
89 88
34 37 35 51 50 49
82
56
70
55
48 47 46 45 44 42 3618
1
2
VIDEO
AMP
IC6001(1/2)
VIDEO
AMP
IC6001(2/2)
+
+
RF IN
+B
RF -ERR
DIGITAL
SECTION
(DIR/ADC)
DATA OUT
RESET
OSC ON
MUT0
S-RAM
IC6004
MUTI
A0
A1
A2
A3
A4
A5
A6
A7
A8
A9
A10
A11
A12
A13
A14
DB0
DB1
DB2
DB3
DB4
DB5
DB6
DB7
OE
WEB
A0
A1
A2
A3
A4
A5
A6
A7
A8
A9
A10
A11
A12
A13
A14
DB0
DB1
DB2
DB3
DB4
DB5
DB6
DB7
OE
WEB
D OUT B
D OUT
C PIN
DA OUT
V OUT
V IN
DIGITAL SIGNAL PROCESSOR
(AC3 RF DEMODULATOR)
IC6003
• R CH: Same as L ch
• SIGNAL PATH
: RF(AC-3);AUDIO
: DIGITAL
RF
RF
RF
D
D
DIGITAL SECTION
(DIR/ADC)
R
S
RF -RES
DIGITAL SECTION
(DSP)
(Page 26)
(Page 40)
(Page 23)
J
DIGITAL SECTION
(CPU(2/2))
O
(Page 23)
+5V +5V
–5V
–5V
SWITCH
Q6009, 6010
+5V OUT
–5V OUT
Q6008
w
w
w
.
x
i
a
o
y
u
1
6
3
.
c
o
m
Q
Q
3
7
6
3
1
5
1
5
0
9
9
2
8
9
4
2
9
8
T
E
L
1
3
9
4
2
2
9
6
5
1
3
9
9
2
8
9
4
2
9
8
0
5
1
5
1
3
6
7
3
Q
Q
TEL 13942296513 QQ 376315150 892498299
TEL 13942296513 QQ 376315150 892498299
http://www.xiaoyu163.com
http://www.xiaoyu163.com

Table of Contents

Other manuals for Sony TA-E9000ES

Related product manuals