EasyManua.ls Logo

Sony TA-E9000ES - Digital (CPU (1;2)) Section

Sony TA-E9000ES
130 pages
Print Icon
To Next Page IconTo Next Page
To Next Page IconTo Next Page
To Previous Page IconTo Previous Page
To Previous Page IconTo Previous Page
Loading...
TA-E9000ES
– 27 –
– 28 –
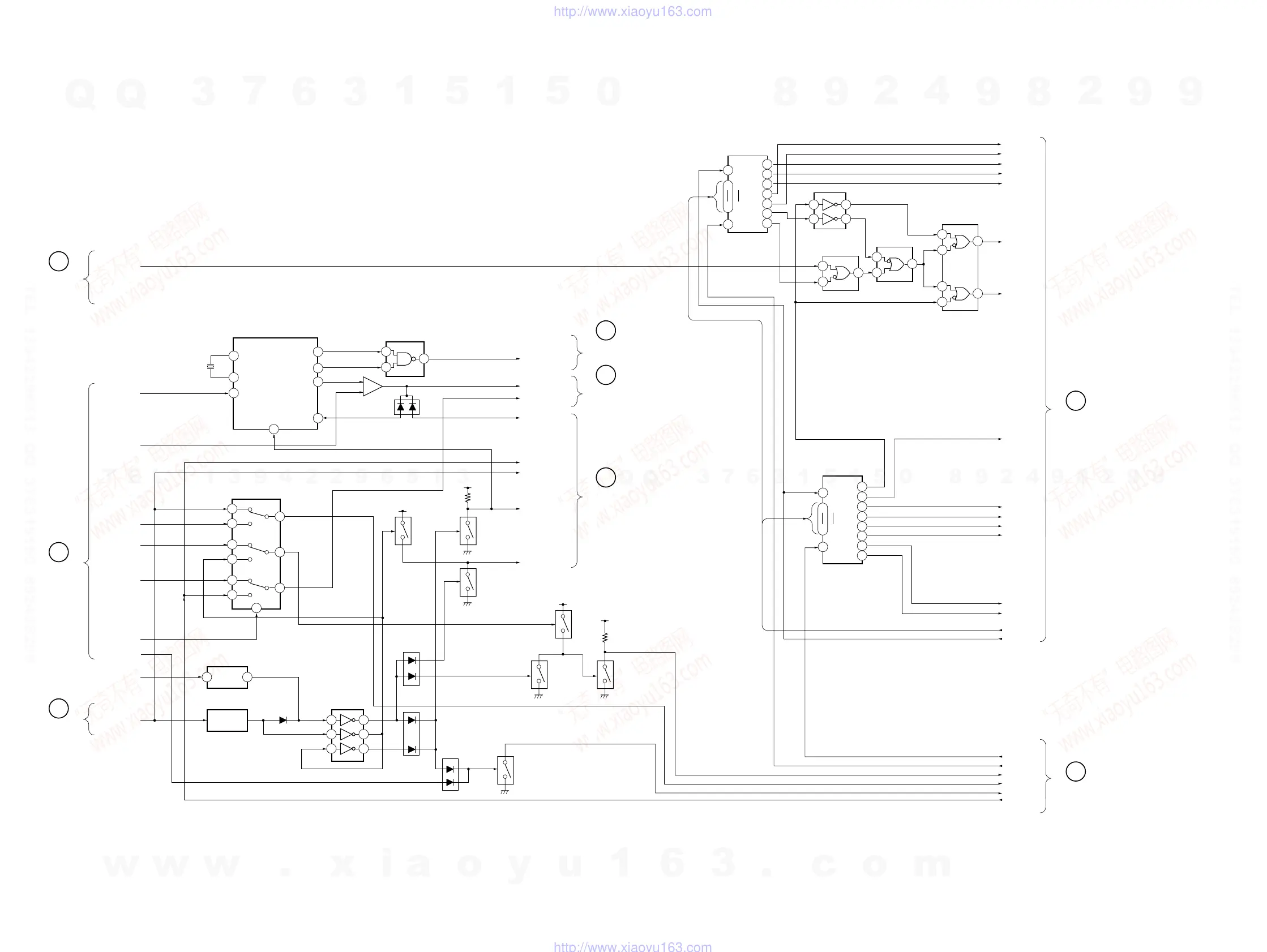
– DIGITAL (CPU (1/2)) SECTION –
1 3
DISPLAY SECTION
DIGITAL SECTION
(CPU(2/2))
DIGITAL SECTION
(DIR/ADC)
DISPLAY SECTION
16
15
5
14
2
33
11
12
11
DATA SELECTOR
IC3005
RESET
IC3004
INVERTER
IC3003
D3003
D3002
D3004
SW
Q3005
SW
Q3001
SW
Q3003
SW
Q3008
SW
Q3009
SW
Q3010
SW
Q3011
+5V
+5V
+5V
+5V
L:ON H:ON
MD1(L)
L:ON
MD1(L)
H:ON
RESET
H:ON
H:ON
D3001
9
10
1 2
3 4
5 6
D0
D7
CLK
Q2
Q3
Q4
Q6
Q5
11
15
14
16
17
Q1
18
Q7
12
Q0
19
13
OE
1
2
9
D0
D7
CLK
Q3
Q5
Q2
Q1
11
17
18
14
16
Q6
13
Q4
15
Q0
19
OE
1
2
9
X3001
7.28MHz
BMS
CTRL-A1-OUT
TXD2
BOOT
TXD1
COM-SEL
+5V BACKUP
RXD232
RESET-OUT
CTRL-LAT
DIGITAL SECTION
(DSP)
DIGITAL SECTION
(DIR/ADC)
DISPLAY SECTION
5
6
4
3
2
1
1 7
6 2
12
11
13
8
9
10
10
9
8
6
7
5
3
4
2
1
AMP
Q3002,3004
SIRCS-OUT
A1-OUT
A1-IN
CARRIER-OUT
CTRL-LATCH
IROUT
CTRL-AI(HOT)
TXD232
CTRL-A1-IN
RXD1
RXD2
RESET
MD1
RESET
IC3002
SWITCH
IC3011
D3005
AMP
Q3006,3007
SELECTOR
IC3001
IC3012(1/2)
IC3012
INVERTER
IC3013
SELECTOR
IC3013(1/3)
IC3013(2/3)
IC3013(3/3)
CS-A
RD-EN
CS-F
RP
CS-H
a
b
A19BT
A18EN
A18BT
A17EN
A17BT
A16EN
A16BT
BUS(8BIT)
XOE
LATCH6
LATCH7
MD1
RX1(C)
RESET
TX1(C)
SWITCH
IC3010
M
9
M
18
DIGITAL SECTION
(CPU(2/2))
19
L
9
17
(Page 26)
(Page 36)
(Page 24)
(Page 35)
(Page 24)
(Page 35)
(Page 29)
(Page 29)
w
w
w
.
x
i
a
o
y
u
1
6
3
.
c
o
m
Q
Q
3
7
6
3
1
5
1
5
0
9
9
2
8
9
4
2
9
8
T
E
L
1
3
9
4
2
2
9
6
5
1
3
9
9
2
8
9
4
2
9
8
0
5
1
5
1
3
6
7
3
Q
Q
TEL 13942296513 QQ 376315150 892498299
TEL 13942296513 QQ 376315150 892498299
http://www.xiaoyu163.com
http://www.xiaoyu163.com

Table of Contents

Other manuals for Sony TA-E9000ES

Related product manuals