EasyManua.ls Logo

Sony TA-E9000ES - Schematic Diagram - Display (2;2) Section

Sony TA-E9000ES
130 pages
Print Icon
To Next Page IconTo Next Page
To Next Page IconTo Next Page
To Previous Page IconTo Previous Page
To Previous Page IconTo Previous Page
Loading...
TA-E9000ES
– 81 –
– 82 –
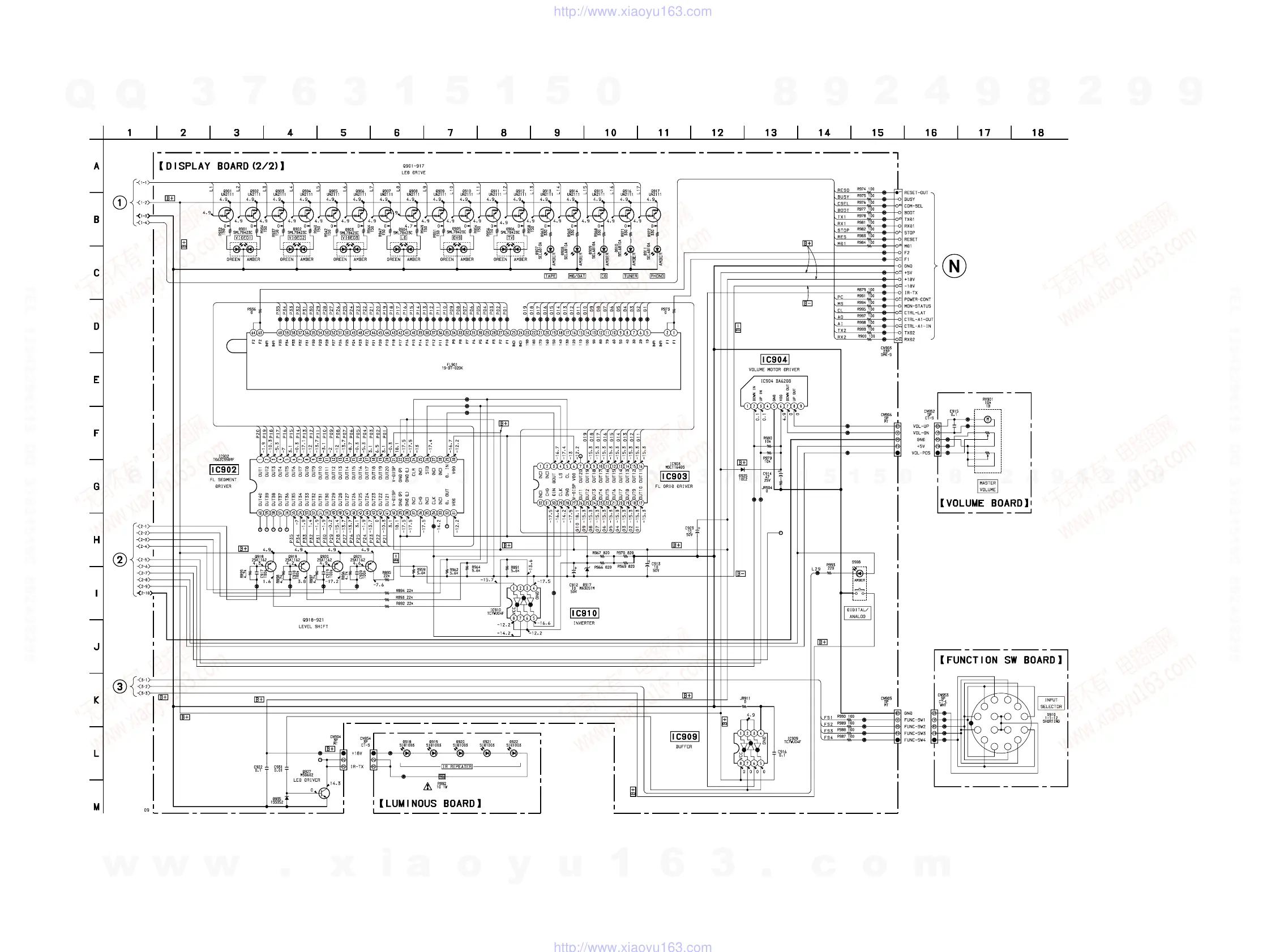
4-21. SCHEMATIC DIAGRAM – DISPLAY (2/2) SECTION –
• See page 83 for Printed Wiring Board.
(Page 73)
(Page
80)
(Page
80)
(Page
80)
w
w
w
.
x
i
a
o
y
u
1
6
3
.
c
o
m
Q
Q
3
7
6
3
1
5
1
5
0
9
9
2
8
9
4
2
9
8
T
E
L
1
3
9
4
2
2
9
6
5
1
3
9
9
2
8
9
4
2
9
8
0
5
1
5
1
3
6
7
3
Q
Q
TEL 13942296513 QQ 376315150 892498299
TEL 13942296513 QQ 376315150 892498299
http://www.xiaoyu163.com
http://www.xiaoyu163.com

Table of Contents

Other manuals for Sony TA-E9000ES

Related product manuals