EasyManua.ls Logo

Sony TA-E9000ES - Power Section Block Diagrams

Sony TA-E9000ES
130 pages
Print Icon
To Next Page IconTo Next Page
To Next Page IconTo Next Page
To Previous Page IconTo Previous Page
To Previous Page IconTo Previous Page
Loading...
TA-E9000ES
– 39 –
– 40 –
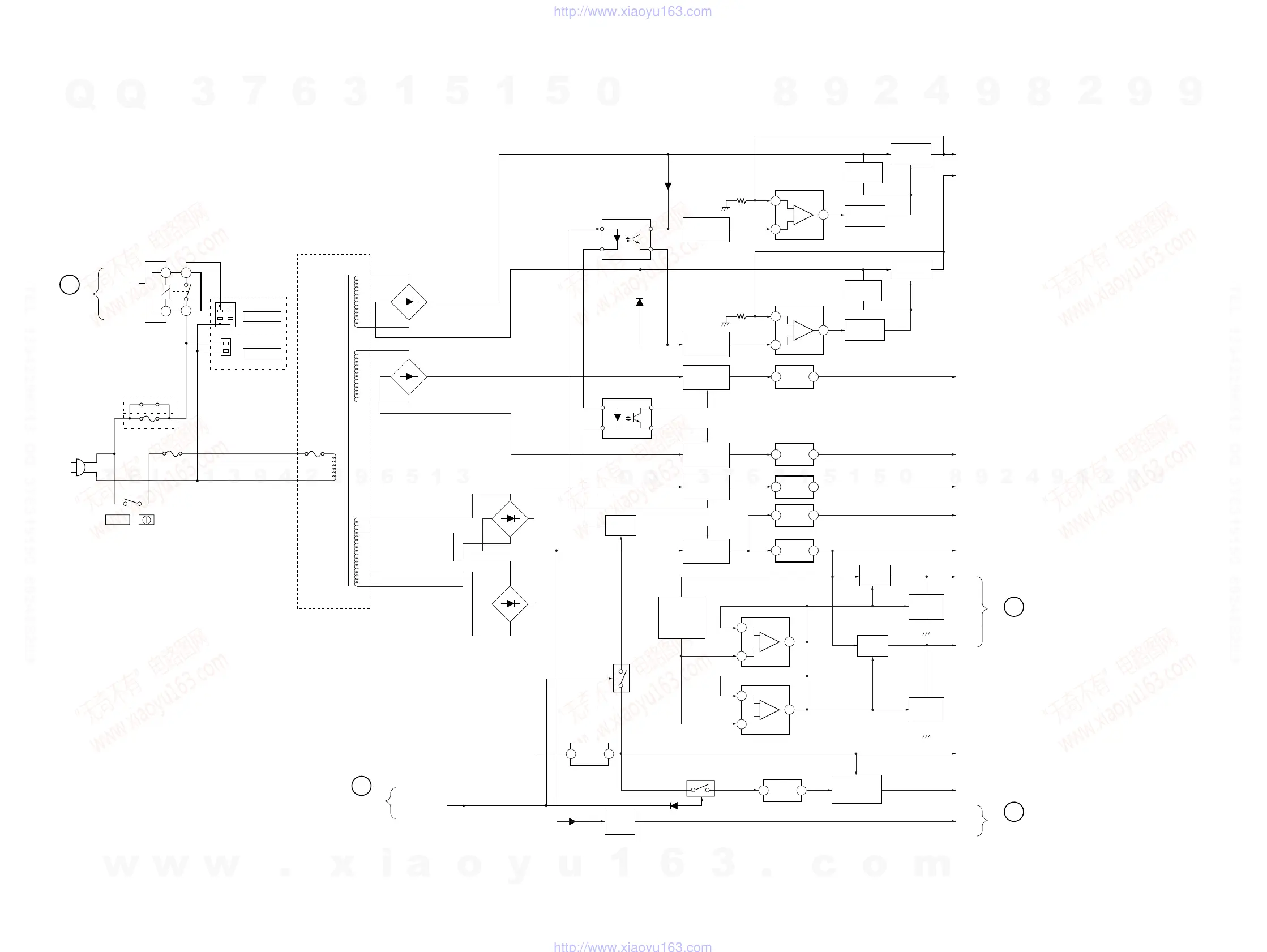
– POWER SECTION –
DISPLAY SECTION
DIGITAL SECTION
(DIR/ADC)
DIGITAL SECTION
(DIR/ADC)
2
3
1
+
31
+7V REG
IC103
2
1
POWER ON/OFF
SWITCH
Q115
32
–7V REG
IC104
POWER ON/OFF
SWITCH
Q116
31
+18V REG
IC107
POWER ON/OFF
SWITCH
Q110
+5V REG
Q117,Q119
Q120,Q121,Q122
F REG
Q125
F REG
Q123
SWITCH
Q118
SWITCH
Q127
D110
D051
D052
D107
D114
D105
PRE DRIVE
IC108(1/2)
PRE DRIVE
IC108(2/2)
POWER
CONTROL
Q126
POWER
CONTROL
Q124
32
–5V REG
IC106
32
–18V REG
IC109
POWER ON/OFF
SWITCH
Q108
VOLTAGE
REFERENCE
D121,D122,
D123,R152,
R153,R154
SWITCH
Q109
POWER
CONTROL
Q103
4
3
AC IN
J001
RY001
US,CND
US,CND
EXCEPT US,CND
EXCEPT US,CND
POWER RY+
POWER RY–
POWER TRANSFORMER
T101
AC OUTLET
J001
F001
S001
AC-SW
(POWER)
AC OUTLET
5
6
7
+
2
3
1
+
6
5
7
+
IC101(1/2)
ERROR AMP
IC101(2/2)
ERROR AMP
REFERENCE
VOLTAGE
Q101,D106
REFERENCE
VOLTAGE
Q102,D111
+15V REG
Q107,Q117
–15V REG
Q106,Q111
PRE DRIVE
Q104,D109
PRE DRIVE
Q105,D113
PROTECTOR
Q114
PROTECTOR
Q113
1 3
+5V REG
IC105
3 1
STARTOR
IC102
AC18V
POWER CONT
AC5V
AC5V
AC18V
B–7V
B+7V
B–5V
B+5V
STARTOR
PH101
STARTOR
PH102
D104
D125
D101
D126
+15V
–15V
+7V
–7V
+18V
–5V
–18V
+5V(BACKUP)
+5V
STOP
F
F
DIGITAL SECTION
(DIR/ADC)
(Page 24)
I
T
P
Q
(Page 24)
(Page 35)
(Page 36)
w
w
w
.
x
i
a
o
y
u
1
6
3
.
c
o
m
Q
Q
3
7
6
3
1
5
1
5
0
9
9
2
8
9
4
2
9
8
T
E
L
1
3
9
4
2
2
9
6
5
1
3
9
9
2
8
9
4
2
9
8
0
5
1
5
1
3
6
7
3
Q
Q
TEL 13942296513 QQ 376315150 892498299
TEL 13942296513 QQ 376315150 892498299
http://www.xiaoyu163.com
http://www.xiaoyu163.com

Table of Contents

Other manuals for Sony TA-E9000ES

Related product manuals