EasyManua.ls Logo

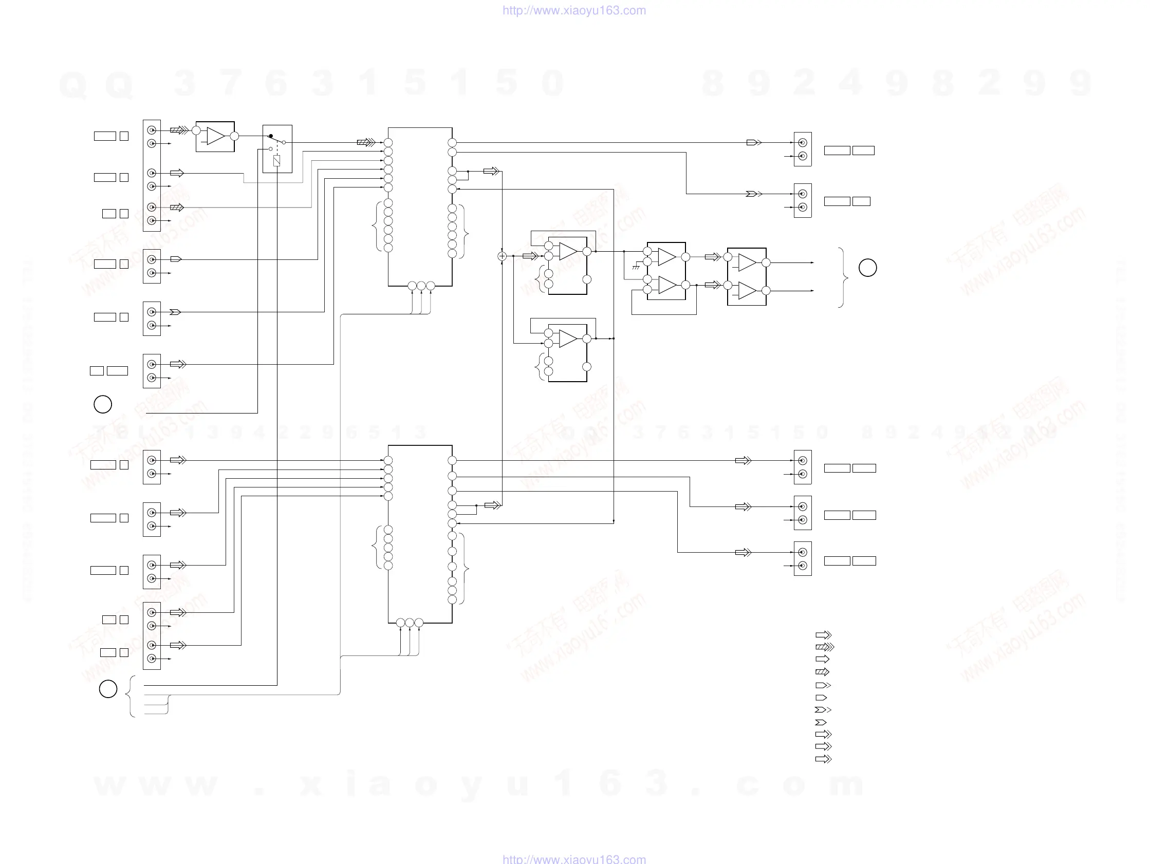
Sony TA-E9000ES - S-Video Section Block Diagram

Sony TA-E9000ES
130 pages
Print Icon
To Next Page IconTo Next Page
To Next Page IconTo Next Page
To Previous Page IconTo Previous Page
To Previous Page IconTo Previous Page
Loading...
TA-E9000ES
– 17 – – 18 –
– ANALOG (1/3) SECTION –
INPUT SELECTOR
IC502
2
5
6
J501
RY509
7
30
28
29
26
25
24
1 9
10
8
4
11
22
21
20
27
23
20
14 13 15
3
J503
J503
J504
J511
J510
J509
J504
J507
J511
J510
J509
J507
PHONO EQ
IC531
3
1
+
6
5
7
2
3
1
+
6
5
7
3
2
1
+
6
7
2
1
+
+
+
6
5
7
2
3
1
+
PHONO
IN
TUNER IN
CD IN
TV FRONT
LD IN
DVD IN
MD/DAT IN
TAPE IN
VIDEO 1 IN
VIDEO 2 IN
PHONO DAT OUT
TAPE OUT
(COM)
(COM)
RECCOM
DAT OUT
RECCOM
(COM)
(COM)
RECCOM
TAPE OUT
TUNER
CD
DAT IN
TAPE IN
TV
PHONO
TUNER
CD
DAT IN
TAPE IN
TV
S.DATA
S.LAT
S.CLK
S.DATA
S.LAT
S.CLK
INPUT SELECTOR
IC503
1
10
9
28
29
30
21
22
3 7
6
4
5
11
8
24
25
26
27
20
23
14 13 15
2
VIDEO1 VIDEO 1
OUT
VIDEO 1
OUT
VIDEO 2
OUT
VIDEO 2
OUT
VIDEO 3
OUT
VIDEO 3
OUT
(COM)
(COM)
RECCOM
(COM)
(COM)
RECCOM
VIDEO2
VIDEO3
LD
DVD
VIDEO1
VIDEO2
VIDEO3
LD
DVD
S.DATA
S.LAT
S.CLK
ANALOG
SECTION(2/3)
R-CH
R-CH
R-CH
R-CH
INPUT BUFFER
IC504
LEFT AMP
IC508
OFFSET AMP
IC533
REC OUT BUFFER
IC506
R-CH
R-CH
R-CH
R-CH
R-CH
R-CH
R-CH
R-CH
R-CH
LEFT+
LEFT–
DIGITAL SECTION
(DIR/ADC)
DIGITAL SECTION
(DIR/ADC)
L
R
MD/DAT
REC OUT
L
R
TAPE
REC OUT
L
R
L
R
L
R
VIDEO 3
REC OUT
VIDEO 2 REC OUT
VIDEO 1 REC OUT
L
R
R-CH
R-CH
R-CH
R-CH
R-CH
R-CH
R-CH
R-CH
R-CH
R-CH
R-CH
L
R
L
R
L
R
L
R
L
R
MIC
L
R
L
R
VIDEO 3
IN
L
R
L
S.DATA
S.LAT
S.CLK
RY9
R
L
R
• R CH: Same as L ch
• SIGNAL PATH
: AUDIO
: PHONO
: FM
: CD
: REC;DAT/MD
: PB;DAT/MD
: REC;TAPE
: PB;TAPE
: TV/DBS:AUDIO
: DVD;AUDIO
: VIDEO1,2,3;AUDIO
TV
DV
V
TV
V1
V2
V3
LD
DV
V1
V2
V3
D
E
1
(Page 23)
(Page 24)
(Page 20)
w
w
w
.
x
i
a
o
y
u
1
6
3
.
c
o
m
Q
Q
3
7
6
3
1
5
1
5
0
9
9
2
8
9
4
2
9
8
T
E
L
1
3
9
4
2
2
9
6
5
1
3
9
9
2
8
9
4
2
9
8
0
5
1
5
1
3
6
7
3
Q
Q
TEL 13942296513 QQ 376315150 892498299
TEL 13942296513 QQ 376315150 892498299
http://www.xiaoyu163.com
http://www.xiaoyu163.com

Table of Contents

Other manuals for Sony TA-E9000ES

Related product manuals