EasyManua.ls Logo

Sony TA-E9000ES - Digital (CPU (2;2)) Section

Sony TA-E9000ES
130 pages
Print Icon
To Next Page IconTo Next Page
To Next Page IconTo Next Page
To Previous Page IconTo Previous Page
To Previous Page IconTo Previous Page
Loading...
TA-E9000ES
– 29 – – 30 –
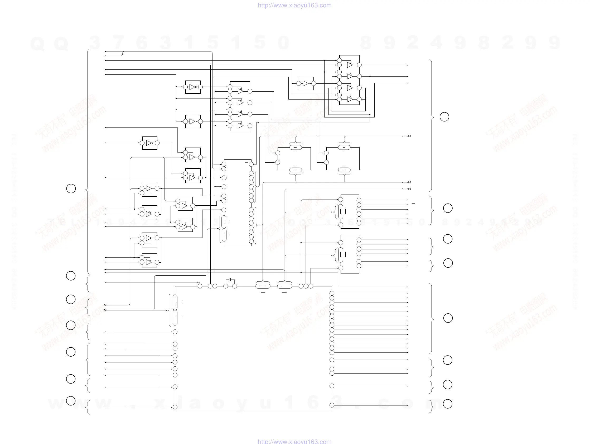
– DIGITAL (CPU (2/2)) SECTION –
DIGITAL SECTION
(CPU(1/2))
IC3017
BUFFER
IC3009
LEVEL SHIFT
2 3
1
12 11
13
5 6
4
9 8
10
BUFFER
IC3020
SWITCH
IC3018
SWITCH
IC3019
IC3007 LATCH
IC3006 LATCH
IC3016(1/3)
IC3016(2/3)
IC3016(3/3)
IC3015(3/4)
IC3014(3/4)
IC3015(1/4)
IC3015(4/4)
IC3014(4/4)
IC3014(1/4)
IC3015(2/4)
IC3014(2/4)
IC3008
CPU
INVERTER
IC3012(2/2)
IC3016
INVERTER
IC3015
BUFFER
IC3014
BUFFER
9 8
10
12 11
13
2 3
1
5 6
4
DIGITAL SECTION
(DSP)
ANALOG SECTION(2/3)
DIGITAL SECTION
(IDAC/OUT)
DIGITAL SECTION
(SRC/DAC)
DIGITAL SECTION
(DSP)
DIGITAL SECTION
(DIR/ADC)
DISPLAY SECTION
3 57
3 5
1 7
6 2
9 8
12 11
10
13
4 6
5
2 3
1
1
3
2
5 6
4
13
11
12
9 8
10
D0
D7
XLAT
Q3
Q4
Q5
11
14
15
16
Q2
17
Q1
18
Q0
19
OE
1
2
9
D0
D7
XLAT
Q3
Q4
Q5
11
14
15
16
Q2
17
Q1
18
Q0
19
OE
1
2
9
CS-A
RP
CS-F
RD-EN
CS-H
WR(DSP)
RD(DSP)
CS(DSP)
DATAH
DATAL
BUS(8BIT)
REALY MUTE
OE
XOE
REDY
LATCH5
LATCH4
HDCS1
HDCS2
HDRD
HDWR
LATCH3
FLAG0
FLAG1
FLAG2
FLAG3
HBR
HBG
CS-BIT
DIRERR
BLSTRT
BUSY
595-LAT
DATA
CLK
7822-LAT
DACCLK
DACDAT
DACLAT
DACRES
DACINI(5V)
SRCLAT(5V)
a
b
A19
A17
A18
A16
A19BT
A18EN
A18BT
A17EN
A17BT
A16EN
A16BT
BUS(8BIT)
XOE
CS-CLK
ADDL
ADDH
READY
LATCH6
LATCH7
MD1
RX1(C)
RESET
TX1(C)
1
11
19 12
Q0
Q7
D0
D7
OE
CE OE
RP
D15/A-1
WE
A18
A17
A16
A0
A7
CLK
29
17169 2 3
28
13
18
19
20
21
22
23
24
34
35
36
37
74
75
10
33
80
25
27 26
79
65 72
P30/D0
EXTAL
XTAL
P93/RD
P94/WR
P52/SCKO
P37/D7
39 46
P40/TXD2
P47
P67
P66
P65
P10/A0
P96/WAIT
P92/IRQ0
P91/IRQ1
P90/IRQ2
P60
P61
P62
P63
AN4
AN5
AN6
AN7
P80
P81
P51/RXD0
AM3
P86
P64
P17/A7
76
READY
15
P95/AS
11
P50/TXD0
P85/RXDI
4
MD1
78
P84/TXDI
1
RESET
64
57
11
1
29
D0
D7
Q0
Q7
OE
CLK
19 12
P20/A8
P27/A15
55
48
INPUT-DC
HP-SW
31
AN1
30
AN0
X3002
20MHz
(Page 28)
(Page 24)
(Page 26)
(Page 26)
(Page 28)
(Page 16)
(Page 21)
DIGITAL SECTION
(DIR/ADC)
7
DIGITAL SECTION
(DSP)
16
DIGITAL SECTION
(DSP)
14
S-VIDEO SECTION
C
ANALOG SECTION(3/3)
H
DIGITAL SECTION
(CPU(1/2))
19
18
12
F
20
21
11
4
N
AC-3RF SECTION
RF-ERR
32
AN2
O
(Page 25, 26)
(Page 19)
(Page 33)
(Page 31)
(Page 25)
(Page 23)
(Page 35)
(Page 37)
44
14
D8
16
D9
18
D10
20
D11
22
D12
25
D13
27
D14
29
D0
15
D1
17
D2
19
D3
21
D4
24
D5
26
D6
28
D7
30
12
31
2
43
34
3
11
4
A8
A15
42
35
w
w
w
.
x
i
a
o
y
u
1
6
3
.
c
o
m
Q
Q
3
7
6
3
1
5
1
5
0
9
9
2
8
9
4
2
9
8
T
E
L
1
3
9
4
2
2
9
6
5
1
3
9
9
2
8
9
4
2
9
8
0
5
1
5
1
3
6
7
3
Q
Q
TEL 13942296513 QQ 376315150 892498299
TEL 13942296513 QQ 376315150 892498299
http://www.xiaoyu163.com
http://www.xiaoyu163.com

Table of Contents

Other manuals for Sony TA-E9000ES

Related product manuals