EasyManua.ls Logo

Sony TA-E9000ES - Digital (IDAC;OUT) Section

Sony TA-E9000ES
130 pages
Print Icon
To Next Page IconTo Next Page
To Next Page IconTo Next Page
To Previous Page IconTo Previous Page
To Previous Page IconTo Previous Page
Loading...
TA-E9000ES
– 33 – – 34 –
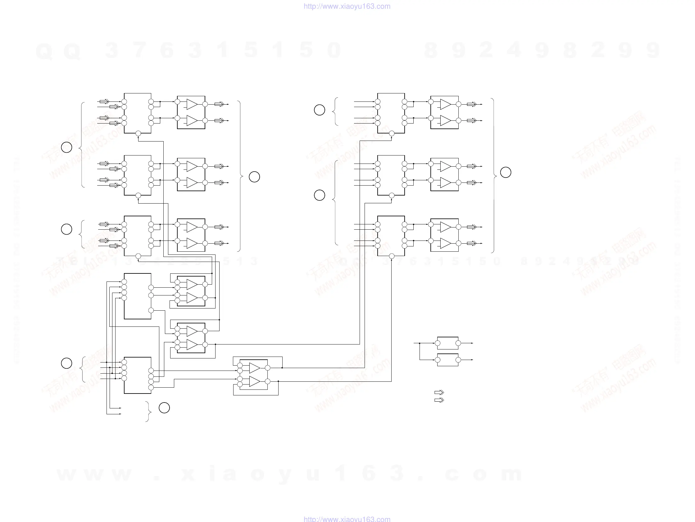
– DIGITAL (IDAC/OUT) SECTION –
D/A CONVERTER
IC5001
1
2
4
5
24
25
27
28
15
IO1+
IO2–
IO1–
IO2+
C1REF
IN1–
IN1+
FL1–
FL1+
FL2+
FL2–
IN2+
IN2–
1
2
7
6
+
+
AMP
IC5002
L+
L–
D/A CONVERTER
IC5003
1
2
4
5
24
25
27
28
15
IO1+
IO2–
IO1–
IO2+
C1REF
IN1–
IN1+
FR2–
FR2+
FR1+
FR1–
IN2+
IN2–
ANALOG
SECTION(3/3)
DIGITAL SECTION
(SRC/DAC)
(Page 32)
(Page 32)
1
2
7
6
+
+
AMP
IC5004
R–
R+
D/A CONVERTER
IC5007
1
2
4
5
24
25
27
28
15
IO1+
IO2–
IO1–
IO2+
C1REF
IN1–
IN1+
CT1–
CT1+
CT2+
CT2–
DACCLK
DACDAT
DACLAT
DACRES
IN2+
IN2–
DIGITAL SECTION
(SRC/DAC)
DIGITAL SECTION
(CPU(2/2))
1
2
7
6
+
+
AMP
IC5008
D/A CONVERTER
IC5009
2
4
13
8
9
11
V OUT2
V OUT1
V OUT3
CLK
DI
RES
1
2
7
5
6
3
+
+
BUFFER
IC5005
10
BS
D/A CONVERTER
IC5019
2
4
13
8
9
11
V OUT2
V OUT3
V OUT1
CLK
DI
RES
SRCDAT(5V)
SRCCLK(5V)
1
3
7
6
5
2
+
+
BUFFER
IC5012
10
BS
1
3
7
6
5
2
+
+
BUFFER
IC5012
5
DO
C+
C–
D/A CONVERTER
IC5010
1
2
4
5
24
25
27
28
15
IO1+
IO2–
IO1–
IO2+
C1REF
IN1–
IN1+
SW2–
SW2+
SW1+
SW1–
IN2+
IN2–
DIGITAL SECTION
(SRC/DAC)
1
2
7
6
+
+
AMP
IC5011
SW–
SW+
D/A CONVERTER
IC5013
1
2
4
5
24
25
27
28
15
IO1+
IO2–
IO1–
IO2+
C1REF
IN1–
IN1+
SL2–
SL2+
SL1+
SL1–
IN2+
IN2–
ANALOG
SECTION(3/3)
DIGITAL SECTION
(SRC/DAC)
1
2
7
6
+
+
AMP
IC5014
SL+
SL–
D/A CONVERTER
IC5016
1
2
4
5
24
25
27
28
15
IO1+
IO2–
IO1–
IO2+
C1REF
IN1–
IN1+
SR1–
SR1+
SR2+
SR2–
IN2+
IN2–
1
2
7
6
+
+
AMP
IC5017
SR–
SR+
S+7V
+5V REG
IC5015
+5V
+5V
31
+5V REG
IC5006
31
• SIGNAL PATH
: DIGITAL;AUDIO
: AUDIO
D
D
D
D
D
D
D
D
D
D
D
D
D
26
25
G
G
23
24
20
DIGITAL SECTION
(SRC/DAC)
22
(Page 30)
(Page 31)
(Page 21)
(Page 32)
(Page 32)
(Page 21)
w
w
w
.
x
i
a
o
y
u
1
6
3
.
c
o
m
Q
Q
3
7
6
3
1
5
1
5
0
9
9
2
8
9
4
2
9
8
T
E
L
1
3
9
4
2
2
9
6
5
1
3
9
9
2
8
9
4
2
9
8
0
5
1
5
1
3
6
7
3
Q
Q
TEL 13942296513 QQ 376315150 892498299
TEL 13942296513 QQ 376315150 892498299
http://www.xiaoyu163.com
http://www.xiaoyu163.com

Table of Contents

Other manuals for Sony TA-E9000ES

Related product manuals