EasyManua.ls Logo

Sony TA-E9000ES - Analog Schematics

Sony TA-E9000ES
130 pages
Print Icon
To Next Page IconTo Next Page
To Next Page IconTo Next Page
To Previous Page IconTo Previous Page
To Previous Page IconTo Previous Page
Loading...
TA-E9000ES
– 51 –
– 52 –
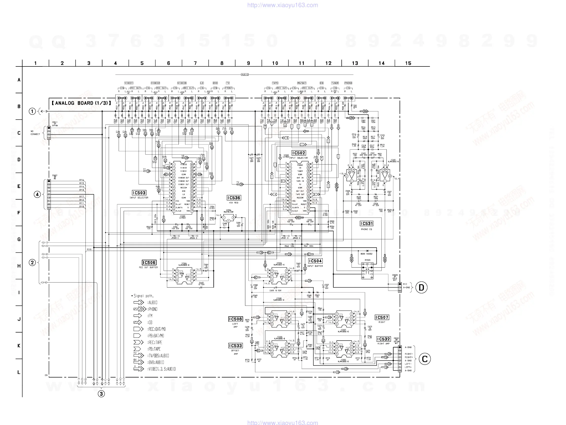
4-7. SCHEMATIC DIAGRAM – ANALOG (1/3) SECTION –
• See page 57 for Printed Wiring Board.
• See page 98 for IC Block Diagrams.
(Page 56)
(Page 56)
(Page
56)
(Page 53)
(Page 74)
(Page 63)
w
w
w
.
x
i
a
o
y
u
1
6
3
.
c
o
m
Q
Q
3
7
6
3
1
5
1
5
0
9
9
2
8
9
4
2
9
8
T
E
L
1
3
9
4
2
2
9
6
5
1
3
9
9
2
8
9
4
2
9
8
0
5
1
5
1
3
6
7
3
Q
Q
TEL 13942296513 QQ 376315150 892498299
TEL 13942296513 QQ 376315150 892498299
http://www.xiaoyu163.com
http://www.xiaoyu163.com

Table of Contents

Other manuals for Sony TA-E9000ES

Related product manuals