EasyManua.ls Logo

Sony TA-E9000ES - Power PWB Layout

Sony TA-E9000ES
130 pages
Print Icon
To Next Page IconTo Next Page
To Next Page IconTo Next Page
To Previous Page IconTo Previous Page
To Previous Page IconTo Previous Page
Loading...
TA-E9000ES
– 91 – – 92 –
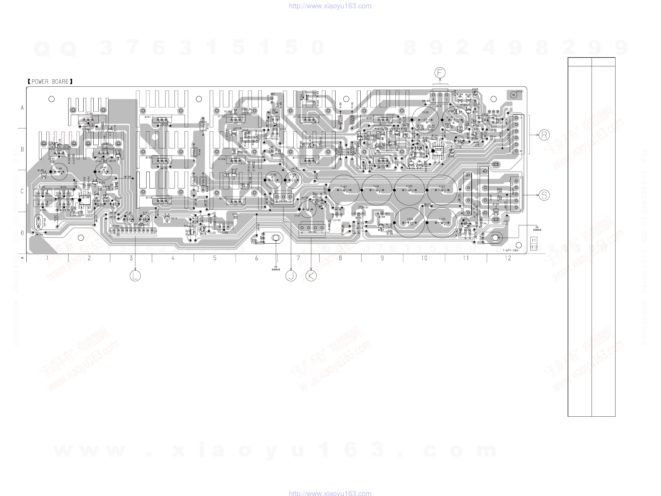
4-26. PRINTED WIRING BOARD – POWER SECTION –
• See page 12 for Circuit Boards Location.
Semiconductor
Location
Ref. No. Location
D101 B-10
D102 B-11
D103 A-11
D104 A-11
D105 D-12
D106 B-11
D107 C-11
D108 A-11
D109 B-10
D110 D-11
D111 B-9
D112 B-9
D113 B-9
D114 D-4
D115 A-5
D116 B-6
D117 C-5
D118 B-6
D119 B-2
D120 B-3
D121 C-2
D122 C-2
D123 C-2
D124 B-1
D125 A-11
D126 B-10
D127 C-3
D128 C-1
IC101 B-10
IC102 D-8
IC103 A-5
IC104 B-5
IC105 D-5
IC106 A-2
IC107 B-2
IC108 C-2
IC109 B-1
Q101 A-11
Q102 B-10
Q103 D-11
Q104 B-9
Q105 B-8
Q106 B-9
Q107 A-9
Q108 D-9
Q109 D-9
Q110 D-8
Q111 B-7
Q112 A-7
Q113 B-7
Q114 A-7
Q115 A-6
Q116 B-6
Q117 C-5
Q118 D-5
Q119 C-4
Q120 B-4
Q121 A-4
Q123 C-1
Q124 C-1
Q125 C-1
Q126 C-1
Q127 D-4
(Page 60)
(Page 60)
(Page 60)
(Page 95)
(Page 95)
(Page 58)
w
w
w
.
x
i
a
o
y
u
1
6
3
.
c
o
m
Q
Q
3
7
6
3
1
5
1
5
0
9
9
2
8
9
4
2
9
8
T
E
L
1
3
9
4
2
2
9
6
5
1
3
9
9
2
8
9
4
2
9
8
0
5
1
5
1
3
6
7
3
Q
Q
TEL 13942296513 QQ 376315150 892498299
TEL 13942296513 QQ 376315150 892498299
http://www.xiaoyu163.com
http://www.xiaoyu163.com

Table of Contents

Other manuals for Sony TA-E9000ES

Related product manuals