EasyManua.ls Logo

Sony TA-E9000ES - Analog Section Block Diagrams

Sony TA-E9000ES
130 pages
Print Icon
To Next Page IconTo Next Page
To Next Page IconTo Next Page
To Previous Page IconTo Previous Page
To Previous Page IconTo Previous Page
Loading...
TA-E9000ES
– 21 – – 22 –
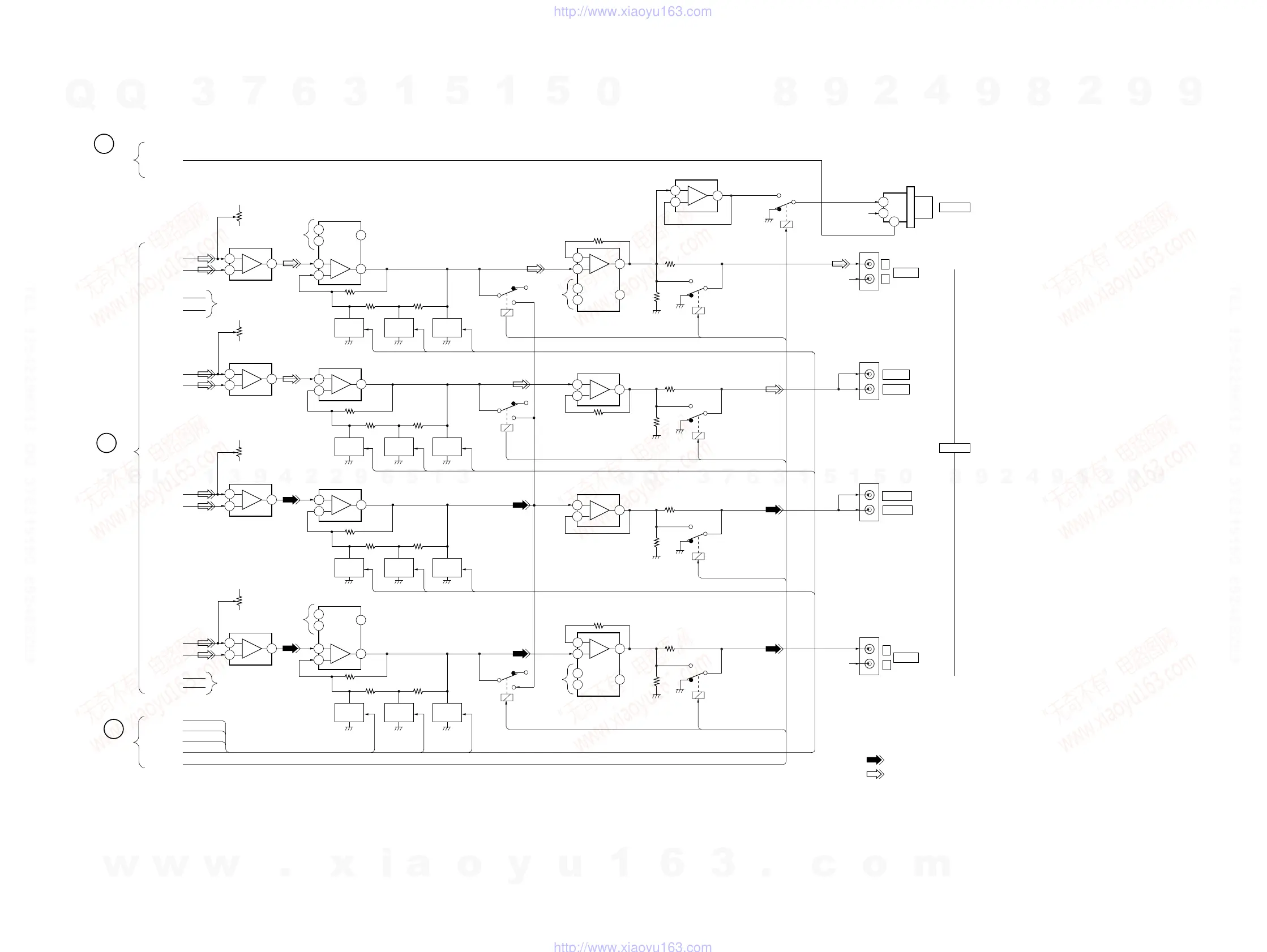
– ANALOG (3/3) SECTION –
J512
J955
5
6
GF8 GF2 GF4
GC8 GC2 GC4
GS8 GS2 GS4
GR8 GR2 GR4
7
2
3
1
+
DIGITAL SECTION
(IDAC/OUT)
AMP
IC513
3
2
7
+
CENTER
IC514
5
6
7
+
AMP
IC516(1/2)
R-CH
R-CH
R-CH
ANALOG
SECTION(2/3)
FRONT
PHONES
L
R
HP-SW
R-CH
R-CH
R-CH
R-CH
J513
CENTER
CENTER
WOOFER
WOOFER
J513
J512
REAR
• R CH: Same as L ch
• SIGNAL PATH
: SURROUND
: AUDIO
5
6
7
+
LFE MIX AMP
IC521(1/2)
5
6
7
+
HEADPHONE AMP
IC523
3
2
7
+
FRONT L
IC511
RV501
OFFSET L
ADJ
2
3
6
3
2
7
+
SUB WOOFER
IC515
3
2
1
+
AMP
IC516(2/2)
3
2
1
+
LFE MIX AMP
IC521(2/2)
LFE MIX AMP
IC522
LFE MIX AMP
IC520
6
5
7
2
3
1
+
RY501
RY1
RY7
RY8
RY6
RY5
RY4
RY508
RY504
RY505
RY506
RY507
RY502
RY2
5
6
7
2
3
1
+
AMP
IC519
R-CH
R-CH R-CH
R-CH
3
2
7
+
SURROUND L
IC517
6
5
7
2
3
1
+
RY503
RY3
PRE-OUT
HP-SW
L+
L–
C+
C–
SW+
SW–
SL+
SL–
R+
R–
R-CH
SR+
SR–
GF8,2,4
GC8,2,4
GS8,2,4
GR8,2,4
RY1-8
R-CH
L
C
C-
W
-W
L
L
L
W
C
L
W
C
C
W
L-
L-
GAIN SW
Q501
GAIN SW
Q503
GAIN SW
Q505
GAIN SW
Q507
GAIN SW
Q509
GAIN SW
Q511
GAIN SW
Q508
GAIN SW
Q510
GAIN SW
Q512
GAIN SW
Q513
GAIN SW
Q515
GAIN SW
Q517
G
2
DIGITAL SECTION
(CPU(2/2))
H
(Page 29)
(Page 33, 34)
(Page 20)
RV503
OFFSET C
ADJ
RV504
OFFSET SW
ADJ
RV505
OFFSET SL
ADJ
L
R
w
w
w
.
x
i
a
o
y
u
1
6
3
.
c
o
m
Q
Q
3
7
6
3
1
5
1
5
0
9
9
2
8
9
4
2
9
8
T
E
L
1
3
9
4
2
2
9
6
5
1
3
9
9
2
8
9
4
2
9
8
0
5
1
5
1
3
6
7
3
Q
Q
TEL 13942296513 QQ 376315150 892498299
TEL 13942296513 QQ 376315150 892498299
http://www.xiaoyu163.com
http://www.xiaoyu163.com

Table of Contents

Other manuals for Sony TA-E9000ES

Related product manuals