EasyManua.ls Logo

Sony TA-E9000ES - Page 39

Sony TA-E9000ES
130 pages
Print Icon
To Next Page IconTo Next Page
To Next Page IconTo Next Page
To Previous Page IconTo Previous Page
To Previous Page IconTo Previous Page
Loading...
TA-E9000ES
– 65 – – 66 –
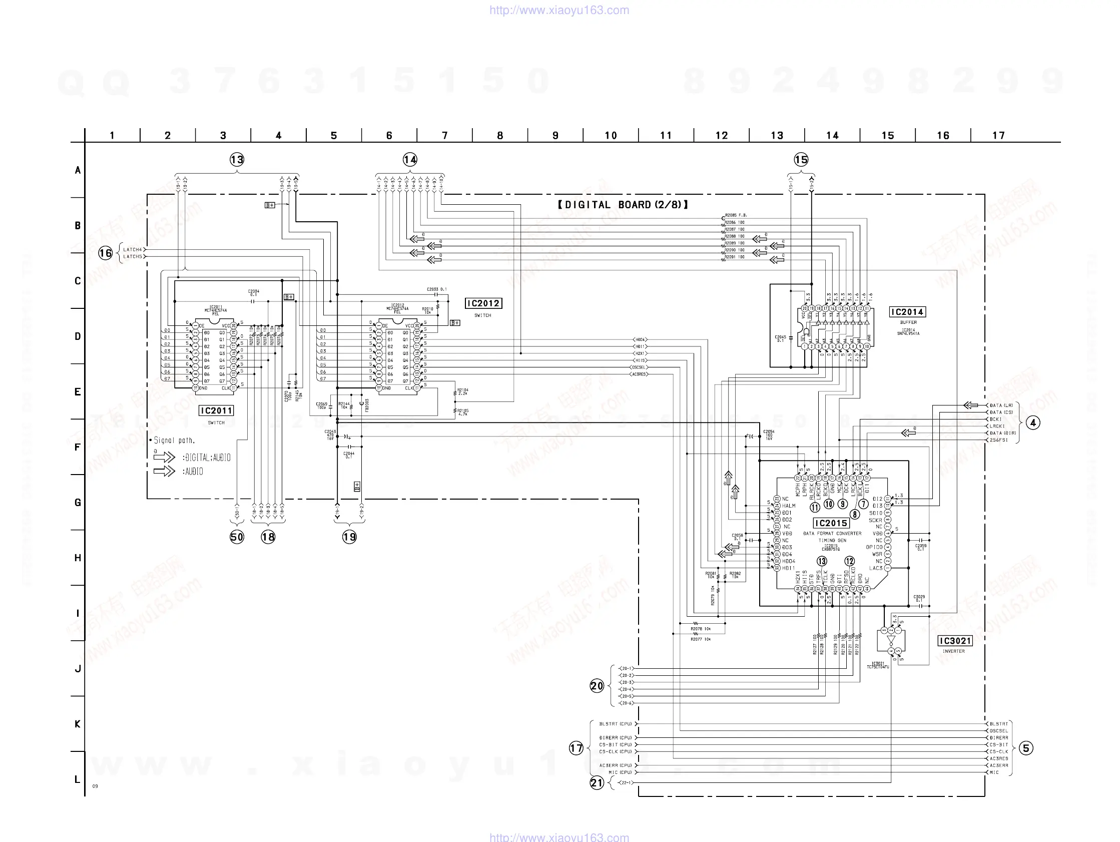
4-13. SCHEMATIC DIAGRAM – DIGITAL (2/8) SECTION –
• See page 42 for Waveforms.
• See page 59 for Printed Wiring Board.
• See page 105 for IC Pin Functions.
(Page 67)
(Page 67)
(Page 74)
(Page 69)
(Page 71)
(Page 71)
(Page 72)
(Page 72)
(Page 74)
(Page 64)
(Page 64)
(Page 68)
w
w
w
.
x
i
a
o
y
u
1
6
3
.
c
o
m
Q
Q
3
7
6
3
1
5
1
5
0
9
9
2
8
9
4
2
9
8
T
E
L
1
3
9
4
2
2
9
6
5
1
3
9
9
2
8
9
4
2
9
8
0
5
1
5
1
3
6
7
3
Q
Q
TEL 13942296513 QQ 376315150 892498299
TEL 13942296513 QQ 376315150 892498299
http://www.xiaoyu163.com
http://www.xiaoyu163.com

Table of Contents

Other manuals for Sony TA-E9000ES

Related product manuals