EasyManua.ls Logo

Sony VPL-PS10 - Page 157

Sony VPL-PS10
196 pages
Print Icon
To Next Page IconTo Next Page
To Next Page IconTo Next Page
To Previous Page IconTo Previous Page
To Previous Page IconTo Previous Page
Loading...
7-7
VPL-PS10/PX10/PX15
7-7
2
3
4
5
1
A BCDEFGH
1
2
3 4
1
23456789
10
11
121314151617
18 19
20
21
22 23 24 25 26 27 28 29
30
31
32 33 34
1
23456789
10
11
121314151617
18 19
20
21
22 23 24 25 26 27 28 29
30
31
32 33 34
G
1
234
1
23456789
10
11
12
13
14
15
16
17
18
19
20
21
22
23 24 25 26 27 28 29
30
31
32 33
34
35
36
37
38
39
40
41
42
43
44
1
234
5 6 7 8
RESET
R223
0
C200
C201
C202
X200
TP200
TP201
C216
X201
IC203
C220
C224
X202
C228
D214
C203
C204
C205
C206
C208
C209
C210
C211
C212
C213
C214
C215
C217
C218
C219
C221
C222
C223
C225
C226
C227
C229
C230
C231
C232
D200
Q203
C207
IC201
IC202
Q205
D202
D211
IC204
D212
D213
J200
D203
D204
D205
J201
D207
D210
CN200
D206
D209
R201
R200
R202
R209
R259
R208
R207
R260
R204
R205
R211
R206
R210
R212
R213
R217
R214
R215
R218
R216
R220
R221
R224
R225
R226
R227
R228
R222
R230
R229
R236
R235
R231
R232
R233
R234
R237
R238
R239
R240
R241
R242
R243
R245 R244
R246
R247
R248
R249
R250
R251
R252
R253
R256
R257 R258
FB200
FB201
FB205
FB203
FB206
FB210
FB204
FB202
FB207
FB211
FB208
FB209
Q201
Q200
D201
Q202
Q204
IC200
Q207
Q208
Q206
Q209
S-80842ANNP-ED6-
T2
RESET
1
10V
B:CHIP
4MHz
24MHz
22
6.3V
:AL-CP
22
6.3V
:AL-CP
100
16V
:AL-CP
RD5.6SB-T1
PPOTECT
24MHz
100
6.3V
:AL-CP
1
10V
B:CHIP
1
10V
B:CHIP
33p
CH:CHIP
0.1
25V
B:CHIP
0.1
25V
B:CHIP
0.1
25V
B:CHIP
33p
CH:CHIP
0.1
25V
B:CHIP
0.01
B:CHIP
0.1
25V
B:CHIP
0.1
25V
B:CHIP
0.1
25V
B:CHIP
0.022
B:CHIP
10p
CH:CHIP
10p
CH:CHIP
0.1
25V
B:CHIP
0.1
25V
B:CHIP
#
0.1
25V
B:CHIP
0.1
25V
B:CHIP
0.1
25V
B:CHIP
33p
CH:CHIP
33p
CH:CHIP
0.1
25V
B:CHIP
100p
CH:CHIP
100p
CH:CHIP
0.1
25V
B:CHIP
RB501V-40TE-17
PROTECT
DTC144EKA-T146
SW
0.1 25V B:CHIP
µPD72012GB-003-3
B4
USB HUB CONTROL
MAX890LESA-TG068
USB 5V CONT
DTC144EKA-T146
SW
DAN202K-T-146
PROTECT
RB501V-40TE-17
PROTECT
RCV4-A1T-MASK-25
RCV4
RB501V-40TE-17
PROTECT
RB501V-40TE-17
PROTECT
USB
UDZ-TE-17-3.9B
PROTECT
UDZ-TE-17-3.9B
PROTECT
RD5.6SB-T1
PROTECT
USB
UDZ-TE-17-3.9B
PROTECT
UDZ-TE-17-3.9B
PROTECT
6P
PS2
RD5.6SB-T1
PROTECT
RD5.6SB-T1
PROTECT
2.2k
1/16W
:CHIP
470k
1/16W
:CHIP
18k
1/16W
:CHIP
0
1/16W
:CHIP
56k
1/16W
:CHIP
47k
1/16W
:CHIP
1k
1/16W
:CHIP
56k
1/16W
:CHIP
1k
1/16W
:CHIP
10k
1/16W
:CHIP
1M
1/16W
:CHIP
2.2k
1/16W
:CHIP
100
1/16W
:CHIP
1.5k
1/16W
:CHIP
10k
1/16W
:CHIP
100
1/16W
:CHIP
100k
1/16W
:CHIP
100k
1/16W
:CHIP
1.5k
1/16W
:CHIP
100
1/16W
:CHIP
3.3k
1/16W
:CHIP
100
1/16W
:CHIP
15 1/16W :CHIP
15 1/16W :CHIP
15 1/16W :CHIP
2k
1/16W
:RN-CP
15 1/16W :CHIP
100k
1/16W
:CHIP
#
33k
1/16W
:CHIP
15k
1/16W
:CHIP
15k
1/16W
:CHIP
15
1/16W
:CHIP
15
1/16W
:CHIP
15
1/16W
:CHIP
15
1/16W
:CHIP
15k 1/16W :CHIP
15k 1/16W :CHIP
15k 1/16W :CHIP
15k
1/16W
:CHIP
47
1/16W
:CHIP
47
1/16W
:CHIP
1.5k
1/16W
:CHIP
75
1/16W
:RN-CP
1M
1/16W
:CHIP
56k
1/16W
:CHIP
5.6k
1/16W
:CHIP
3.9k
1/16W
:CHIP
10k
1/16W
:CHIP
5.6k
1/16W
:CHIP
10k
1/16W
:CHIP
4.7k
1/16W
:CHIP
10k
1/16W
:CHIP
1k
1/16W
:CHIP
56k
1/16W
:CHIP
56k
1/16W
:CHIP
0UH
0UH
0UH
0UH
0UH
0UH
0UH
0UH
0UH
0UH
0UH
0UH
2SA1162-YG-TE85L
PW ON SW
2SA1162-YG-TE85L
PW ON SW
RB501V-40TE-17
PROTECT
2SC2712YG-TE85L
SW
DTC144EKA-T146
SW
ST72T631K4M1-XX
USB PJ CONTROLER
DTC144EKA-T146
INV BUFF
DTC144EKA-T146
SW
DTC144EKA-T146
SW
DTC144EKA-T146
SW
CLK
DAT/RI
5V
5V
3.3V
3.3V
SIRCS-U
RESET
MS-USB
VIDEO/RGB
INPUTA/INPUTB
5V-3
US+
US-
DS1+
DS1-
DS2+
DS2-
DS3+
DS3-
DS3-
DS3+
DS2+
DS2-
VBUS
U-CL
U-DA
REQ
DS1+DS1-
VBUS
US+
US-
DAT/RZ
CLK
CLK
DAT/RZ
OUT
VDD
VSS
N.C.
VDD
OSCOUT
OSCIN
VSS
PC2
PC1
PC0
N.C.
PB7
PB6
PB5
PB4
PB3
PB2
PB1
VPP
VDDA
USBVCC
USBDM
USBDP
VSSA
PA0
PA1
N.C.
N.C.
N.C.
PA2
PA3
PA4
PA5
PA6
PA7
PB0
RESET
VDD
VSS
PC2
PC1
PC0
N.C.
PB7
PB6
PB5
PB4
PB3
PB2
PB1
VPP
VDDA
USBVCC
VSSA
PA0
PA1
N.C.
N.C.
N.C.
PA2
PA3
PA4
PA5
PA6
PA7
PB0
RESET
X2
X1
USB+
USB-
IN
IN
ON
GND
FANLT
OUT
OUT
SET
MOUSE DRIVER
US+
US-
SUB+5V
QA
(2/2)
USB HUB/PJ CONTROL,
MOUSE DRIVER
B-SS1721-WW-QA-P2
+3.3V
+3.3V
+5V
+5V
+5V
+5V
0
3.2
2.7
0 0
4.9
5.0
0
0
2.8
0.9
0.9
0.9
0
0
0
0
0
5.0
5.0
0
0
0
0
0
0
0
0
0
0
0
0
0
0
0
0
0
0.1
0
0
0.4
0
0
0
5.0
QA (2/2)QA (2/2)
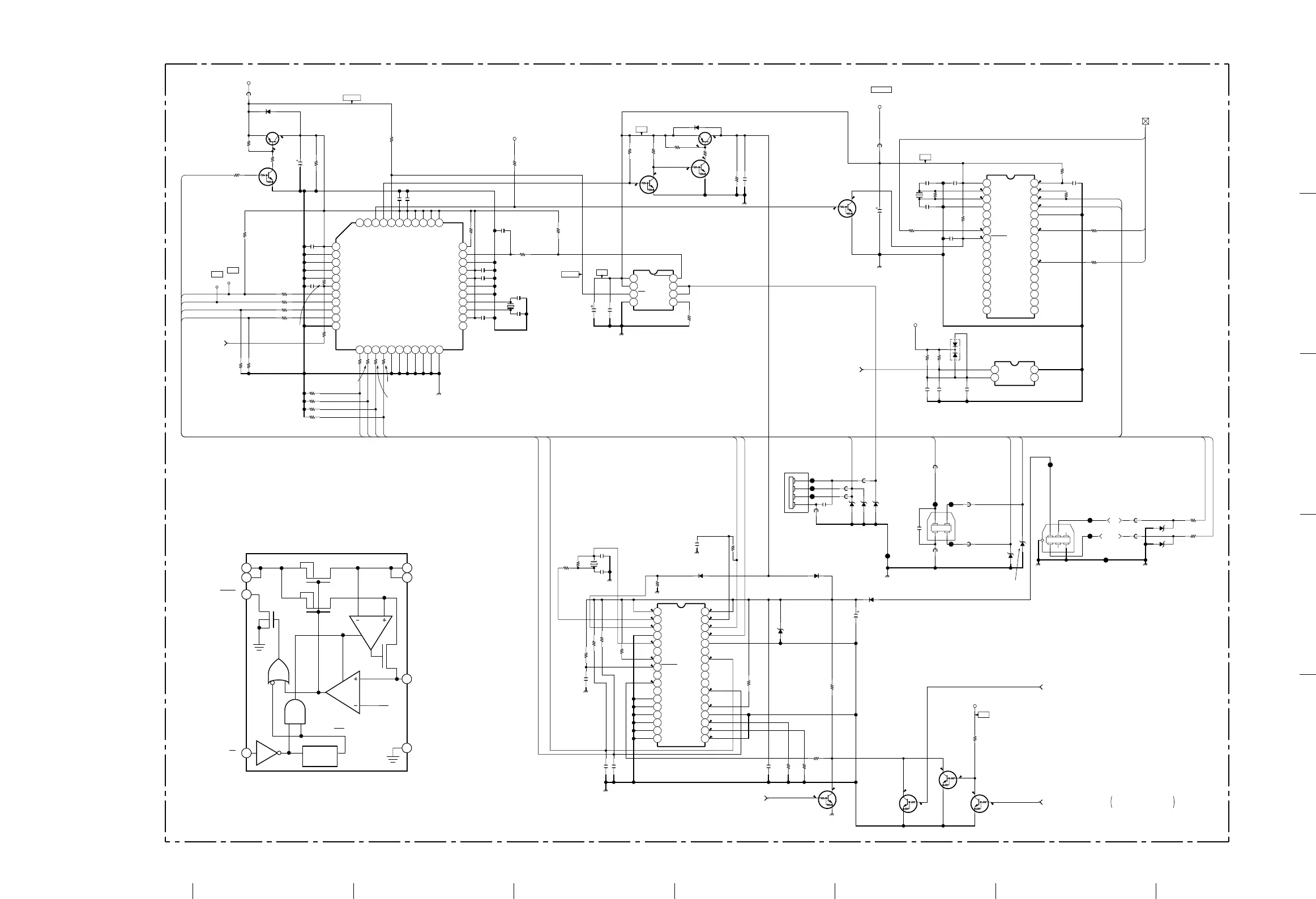
QA (2/2) MAX890LESA-TG068 (IC202)
P
P
P
SET
OUT
OUT
GND
1.24V
N
FAULT
ON
ON
CURRENT-LIMIT
AMPLIFIER
REPLICA
AMPLIFIER
ON
HOT
IN
IN
CONTROL
CIRCUITRY
1 6
72
8
3
4
5

Related product manuals