EasyManua.ls Logo

Sony VPL-PS10 - Optics Unit Assembly Removal

Sony VPL-PS10
196 pages
Print Icon
To Next Page IconTo Next Page
To Next Page IconTo Next Page
To Previous Page IconTo Previous Page
To Previous Page IconTo Previous Page
Loading...
2-7
VPL-PS10/PX10/PX15
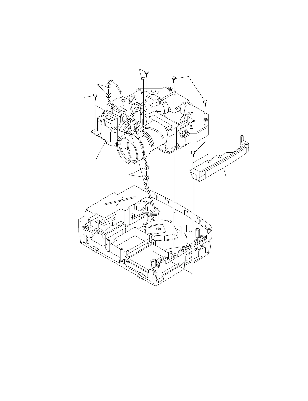
2-2-7. Optics Unit Assembly Removal
* Remove the C board. (Refer to 2-2-4.)
Two screws
(B3 x 8)
Three screws
(B3 x 8)
Three screws
(B3 x 8)
Two screws
(B3 x 8)
1
2
3
4
Optics unit asembly
Handle
Matching connector
Matching connector
5
6

Related product manuals