EasyManua.ls Logo

Sony VPL-PS10 - QB Board Removal

Sony VPL-PS10
196 pages
Print Icon
To Next Page IconTo Next Page
To Next Page IconTo Next Page
To Previous Page IconTo Previous Page
To Previous Page IconTo Previous Page
Loading...
2-13
VPL-PS10/PX10/PX15
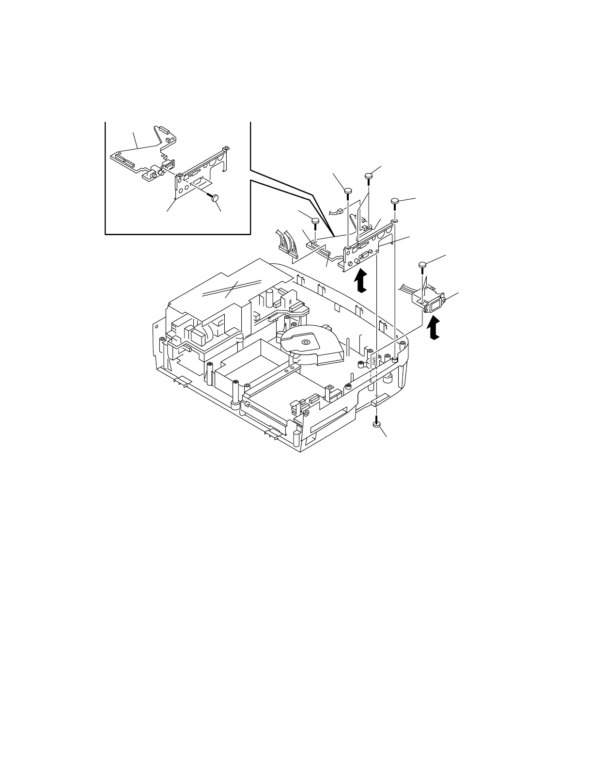
2-2-13. QB Board Removal
* Remove the QA board. (Refer to 2-2-12.)
screw
(B3 x 5)
Screw
(B3 x 5)
screw
(B3 x 5)
Two screws
(B3 x 5)
Two screws
(B3 x 5)
screw
(B3 x 5)
1
2
3
4
5
6
7
8
CN12
CN33
CN30
QB board assembly
AC inlet
QB board
Plate (CP)
Supplied screw
9!/

Related product manuals