EasyManua.ls Logo

Sony VPL-PS10 - Page 164

Sony VPL-PS10
196 pages
Print Icon
To Next Page IconTo Next Page
To Next Page IconTo Next Page
To Previous Page IconTo Previous Page
To Previous Page IconTo Previous Page
Loading...
7-14
VPL-PS10/PX10/PX15
7-14
2
3
4
5
ABCDEFGH
1
BA (2/2)BA (2/2)
V-B
V-G
V-R
V-R/G/B
V-B
V-G
V-R
R-Y
B-Y
Y
DTV-R
DTV-B
DTV-G
+9V
+9V
+9V
+9V
+5V
+5V
4.7
4.5
4.8
4.8
2.3
8.4
2.4
2.4
2.4
4.4
4.4
4.4
4.8
7.0
7.0
2.9
2.9
2.9
3.0
2.9
0
2.9
4.6
4.6
4.1
4.0
2.4
4.0
2.4
4.0
2.4
1.4
8.8
0.6
0.5
4.5
2.5
4.9
4.4
0
4.8
4.8
3.9
3.2
8.8
0
3.0
2.4
3.0
2.4
3.0
2.4
0.8
1.4
4.8
4.6
0.5
0.1
0.6
0.6
0.1
5.0
4.2
5.0
5.0
5.0
GND
HS2
VS2
R-Y2
B-Y2
Y2
HS3
VS3
PR3
PB3
Y3
HS4
VS4
R4
G4
B4
2HS5
2VS5
2R-Y5
2B-Y5
2Y5
HS1
R-Y1
B-Y1
Y1
VCC MAT
GND MAT
V PH
H PH
SDA
SCL
R OUT
G OUT
B OUT
SCP IN
VBLK IN
HP IN
VS OUT
HS OUT
SELV OUT
SELH OUT
SELCR OUT
SELCB OUT
SELY OUT
SELY IN
SELCB IN
VCC SIG
IREF YC
GND SIG
BS/H
GS/H
RS/H
GND OUT
VCC OUT
IREF SYNC
YG IN
YG OUT
EY IN
ECB IN
ECR IN
YCBCR SW
VM/SHP/COFF
VM OUT
CLP C
DPIC MUTE
DPIC C
ADDRESS
LB2 IN
LG2 IN
LR2 IN
YS/YM2
LB1 IN
LG1 IN
LR1 IN
YS/YM1
ABL IN
ABL FIL
PABL FIL
IK IN
SELCR IN
VS1
V-B
V-G
V-R
A1
A2A3
GND
VDD
Y1Y2
Y3
FROM P1
TO P1
FROM P1
FROM P1
FROM P1
FROM P1
FROM P1
SCL
SDA
E0
E1
E2
GND
VCC
WC
FROM P1
BA
(2/2)
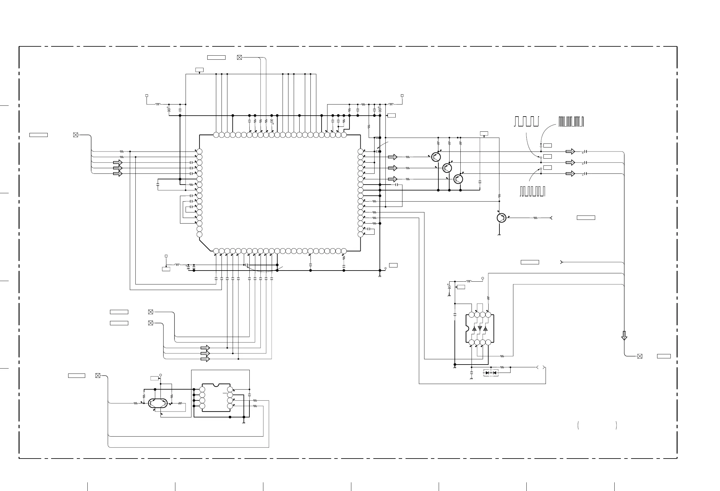
MATRIX,SYNC GEN,
E2P ROM
B-SS1721-WW-BA-P2
V-CLP
CDEC-VD
CDEC-HD
VR-Y
VB-Y
VY
DTV-R
DTV-B
DTV-G
V-HD
V-VD
V-B
V-G
V-R
SDA
SCL
DTV-HD
DTV-VD
F-RESET
F-DA
F-CL
9V
3
5
4
1
2
6
CDEC-OUT
VOUT
CDEC-SCP
I2C
9V
A
9V
A
9V
5V-3
DTVHV
DTVRGB
CDEC-CLP
SUB
5V
F
VS
47
16V
:AL-CP
47
16V
:AL-CP
0.47
16V
B:CHIP
10µH
:CHIP
10µH
:CHIP
10µH
:CHIP
10
16V
:AL-CP
10µH
:CHIP
10
16V
:AL-CP
0.47
16V
B:CHIP
0.1
16V
B:CHIP
0.1
16V
B:CHIP
0.1
16V
B:CHIP
0.1
16V
B:CHIP
0.1
16V
B:CHIP
0.1
16V
B:CHIP
0.1
16V
B:CHIP
0.1
16V
B:CHIP
1
6.3V
B:CHIP
0.47
10V
B:CHIP
0.47
10V
B:CHIP
0.47
10V
B:CHIP
0.47
10V
B:CHIP
0.47
10V
B:CHIP
0.47
10V
B:CHIP
0.47
10V
B:CHIP
0.47
10V
B:CHIP
0.47
10V
B:CHIP
0.22
16V
B:CHIP
0.01
25V
B:CHIP
0.1
16V
B:CHIP
0.47
10V
B:CHIP
0.1
16V
B:CHIP
0.001
50V
B:CHIP
0.47
16V
B:CHIP
0.47
16V
B:CHIP
0.47
10V
B:CHIP
0.1
16V
B:CHIP
47 16V
:AL-CP
0.47
10V
B:CHIP
47µF
16V
:AL-CP
47µF
16V
:AL-CP
47µF
16V
:AL-CP
0.1
16V
B:CHIP
0.1
16V
B:CHIP
0.1
16V
B:CHIP
CXA2101AQ-TL
RGB INTERFACE
2SA1162-YG-TE85L
BUFF
2SA1162-YG-TE85L
BUFF
2SA1162-YG-TE85L
BUFF
2SA1162-YG-TE85L
V.SCP
56k
1/10W
56k
1/10W
M24C64WMN6T(A)
EEPROM
TC7W14FU(TE12R)
VS.BUFF
DAN202K-T-146
PROTECT
47k
1/16W
:CHIP
3.3M
1/16W
:CHIP
27k
1/16W
:CHIP
100
1/16W
:CHIP
100
1/16W
:CHIP
47
1/16W
:CHIP
5.6k
1/16W
:RN-CP
4.7k
1/16W
:RN-CP
1k
1/16W
:CHIP
1k
1/16W
:CHIP
1k
1/16W
:CHIP
390
1/16W
:CHIP
47
1/16W
:CHIP
390
1/16W
:CHIP
47
1/16W
:CHIP
47
1/16W
:CHIP
22k
1/16W
:RN-CP
47
1/16W
:CHIP
4.7k
1/16W
:RN-CP
47
1/16W
:CHIP
100
1/16W
:CHIP
100
1/16W
:CHIP
47k
1/16W
:RN-CP
47
1/16W
:CHIP
47
1/16W
:CHIP
100
1/16W
:CHIP
1k
1/16W
:CHIP
47k
1/16W
:CHIP
100
1/16W
:CHIP
100
1/16W
:CHIP
10k
1/16W
:CHIP
HN1B01FU-TE85R
RES.SW
C202
C210
TP201
C248
TP202
TP203
TP204
L201
L202
L203
C201
L204
C228
C223
C203
C204
C205
C206
C207
C208
C209
C211
C212
C216
C218
C220
C221
C222
C224
C225
C226
C227
C235
C239
C242
C243
C246
C247
C237
C238
C240
C244
C245
C229
C250
C252
C253
C186
C187
C188
IC202
Q203
Q204 Q205
Q207
R244
R245
IC201
IC205
D201
R217
R213
R215
R208
R209
R207
R219
R225 R233 R235
R231
R201
R228
R202
R229
R230
R203
R220
R242
R243
R221
R222
R223
R214
R206
R210
R205
R204
R211
R236
R237
Q201
1 2 3 4
5678
1 2 3 4 5 6 7 8 9 10 11 12 13 14 15 16 17 18 19 20 21 22 23 24
25
26
27
28
29
30
31
32
33
34
35
36
37
38
39
40
414243444546474849505152535455565758596061626364
65
66
67
68
69
70
71
72
73
74
75
76
77
78
79
80
1234
5 6 7 8
200 mVp-p (H)
TP202(V-B)
200 mVp-p (H)
TP203(V-G)
200 mVp-p (H)
TP204(V-R)

Related product manuals