EasyManua.ls Logo

Sony VPL-PS10 - Page 188

Sony VPL-PS10
196 pages
Print Icon
To Next Page IconTo Next Page
To Next Page IconTo Next Page
To Previous Page IconTo Previous Page
To Previous Page IconTo Previous Page
Loading...
7-38
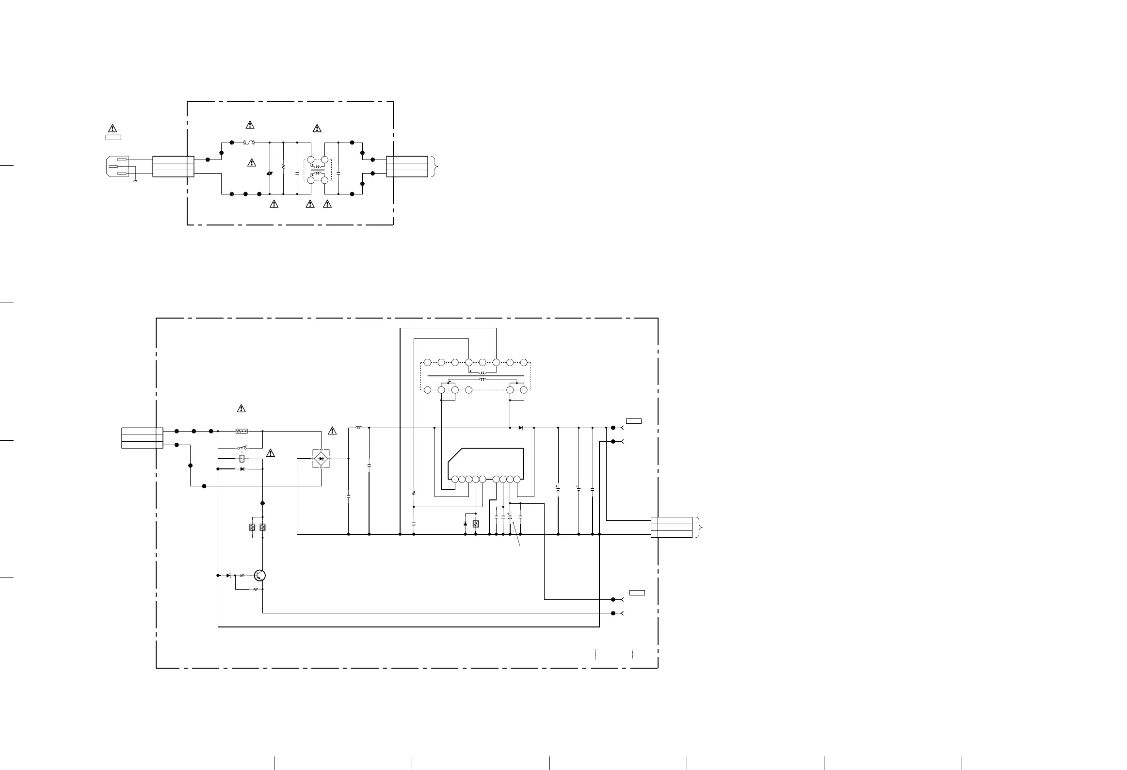
VPL-PS10/PX10/PX15
7-38
2
3
4
5
ABCDEFGH
1
F, G (1/3)F, G (1/3)
1
2
3
1
23
4
1
2
3
R1001
F1001
L1001
FH1001
FH1002
CN1002
CN1001
VD1001
C1002
C1001
560k
1/2W
:RC
6.3A
5mH
5A
3P
WHT
:VH-B
3P
BLK
:VH-B
ERZV14D471
PROTECT
275V
:MPS
0.22
275V
:MPS
N.C
AC(N)
AC(L)
N.C
AC(N)
AC(L)
AC IN
50/60Hz
AC100-240V
TO G BOARD
CN1102
F
B-SS1721-WW-F
1
3 4 8 9
10
2 5 7
1
2
3
4
8 9
10
11
12
13
14
15
16
7
1
2
3
1
2
3
RY2101
R1101
R1103
R1104
R1105
C1101
C1102 C1103
C1106
C1107
C1108
C1109
C1104
C1161
D1102
L1102
CN1102
C1105
D1103
D1105
Q1101
D1104
D1101
IC1101
CN1104
R1106
R1107
L1101
R1102
5.6
5W
:RF
330
1/2W
:CHIP
330
1/2W
:CHIP
100p
CH:CHIP
0.08
5W
:RB
0.22
25V
B:CHIP 47
:HT
0.1
B:CHIP
220
450V
2.2
450V
:MPS
220
450V
1.0
450V
:MPS
0.1
25V
B:CHIP
D6SB80
RECT
1290µH
3P
:VH-B
0.47
450V
:MPS
D1FS4A-TA
PROTECT
RD16M-T1B1
BIAS
2SA1213-Y-TE12L
RERY DRIVE
D1FS4A-TA
CLAMP
RM11C-V1
RECT
MZ1540
3P
:VH-B
3.9k
1/10W
:CHIP
4.7k
1/10W
:CHIP
250µH
10k
1/10W
:CHIP
DC(+)
DC(-)
VCC
POWER ON
DRAIN
GATE
AC SENSE
SOURCE
L SENSE
GND
COMP
VCC
CATHODE
FROM F
CN1001
N.C
AC(N)
AC(L)
DC(+)
DC(-)
N.C
BOARD
POWER FACTOR CONTROL
TO BALLAST
G
(1/3)
POWER FACTOR
CONTROL
B-SS1721-WW-G-P1
TO P2
TO P2

Related product manuals