EasyManua.ls Logo

SPE EXPERT 1.5K-FA TAURUS - Transceiver Controlled by Pc; Icom CI-V Interface

SPE EXPERT 1.5K-FA TAURUS
92 pages
Print Icon
To Next Page IconTo Next Page
To Next Page IconTo Next Page
To Previous Page IconTo Previous Page
To Previous Page IconTo Previous Page
Loading...
User manual
Expert 1.5K-FA
TAURUS
INDEX Page. 53 of 92
14. TRANSCEIVER CONTROLLED BY PC
If the transceiver is controlled by a PC using the CAT utility, the link with the amplifier can
be made as described in the following paragraphs.
Note: BEWARE, SPE assures only the direct connection between the Linear and
transceiver. The use of external control software could create malfunctions
that must be resolved by the provider of such software and is totally the
responsibility of the owner / operator.
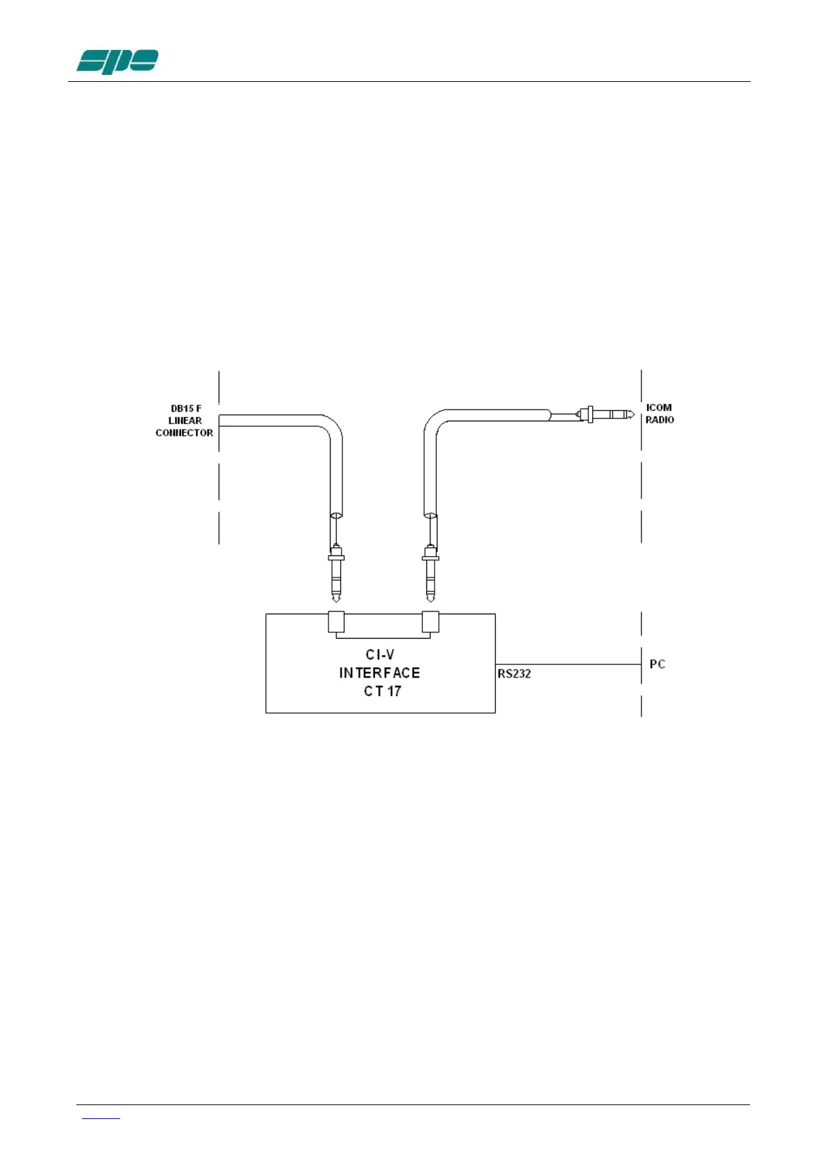
14.1 Icom CI-V Interface
If the PC has an RS232 port, use a CT17 or similar interface and the standard cable for
CI-V connection (see page 39).
If the PC has a USB ports only, use an external USB / RS232 converter.
If the transceiver has a USB CAT port, connect it directly to the PC and, with a standard
CI-V cable, connect the Expert 1.5K-FA to the “REMOTE” connector of the transceiver.
The following types of connections as described in sections 14.2, 14.3 and 14.4 are
common for Kenwood, Yaesu, TEN-TEC, Flex-Radio and ELECRAFT links. The DB-15
connector side of the amplifier remains the same. On the opposite end of the cable, it is
necessary to connect only the GND and RX 232 (RX TTL) to the cable PC / Radio.
In this way, the interrogation to the transceiver is no longer requested by the linear but is
requested by the PC. The linear analyzes only the data exchanged.
In this case, DO NOT CONNECT the TX 232 (TX TTL) of the linear because it would
create conflict in the software and could damage the hardware as well. (see
following diagrams)

Table of Contents