EasyManua.ls Logo

Stakpure Omnia Tap xs basic - Flow Charts; System Flow Diagrams

Stakpure Omnia Tap xs basic
48 pages
Print Icon
To Next Page IconTo Next Page
To Next Page IconTo Next Page
To Previous Page IconTo Previous Page
To Previous Page IconTo Previous Page
Loading...
15
_________________________________________________________________________________
OmniaTap xs
basic
; Version August 2023
Subject to technical changes
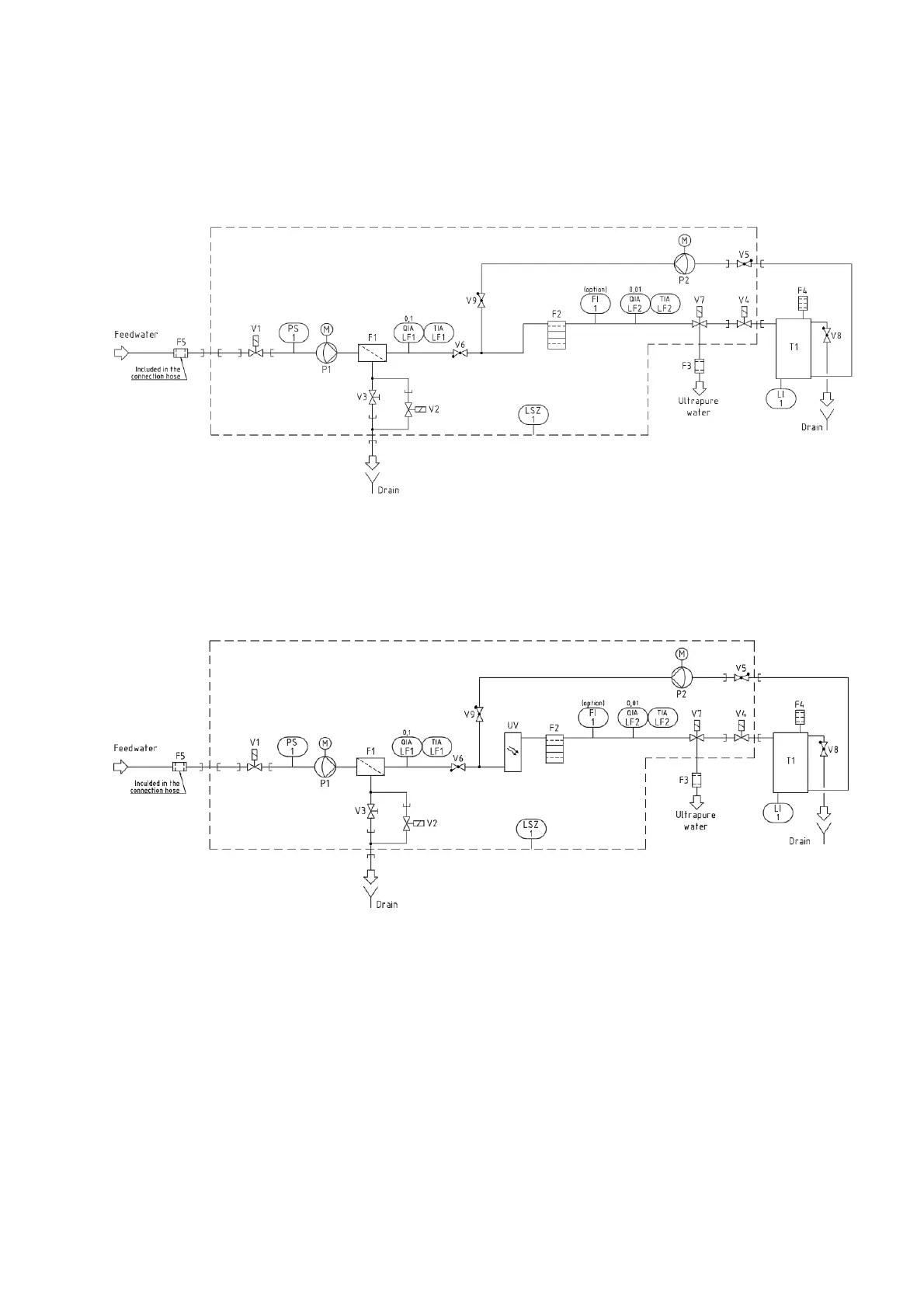
7 Flow charts
7.1 Flow chart OmniaTap xs
basic
7.2 Flow chart OmniaTap xs
basic
UV