EasyManua.ls Logo

Struers LectroPol-5 - Page 34

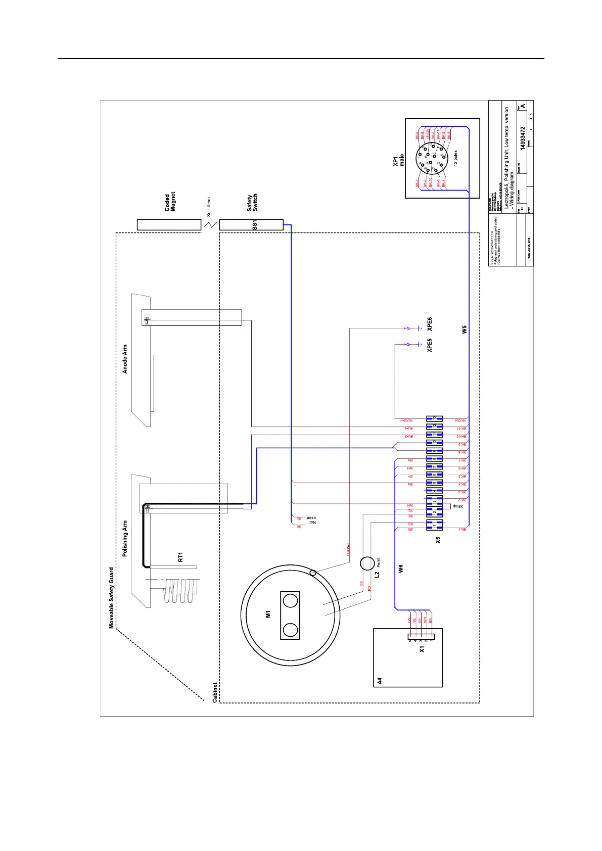
Struers LectroPol-5
38 pages
Print Icon
To Next Page IconTo Next Page
To Next Page IconTo Next Page
To Previous Page IconTo Previous Page
To Previous Page IconTo Previous Page
Loading...
14933472 A
34 LectroPol-5
9 Technical data

Related product manuals