EasyManua.ls Logo

Subaru LEGACY 2002 - General

Subaru LEGACY 2002
642 pages
Print Icon
To Next Page IconTo Next Page
To Next Page IconTo Next Page
To Previous Page IconTo Previous Page
To Previous Page IconTo Previous Page
Loading...
Mechanical
GENERAL
ME-2
1. General
The engine used in this vehicle is of a horizontally opposed, four-cylinder design. This four-stroke-
cycle, water-cooled, SOHC engine uses a total of 16 valves and its main components are made
of aluminum alloy. It is fueled by a multiple fuel injection system.
The engine’s major structural and functional features are as follows:
! The cylinder head forms pentroof combustion chambers, each having a spark plug located at
its center and two each of intake and exhaust valves (four valves per cylinder). The intake and ex-
haust ports are located in a cross-flow arrangement.
! There are a screw and nut at the valve end of each rocker arm. They are used for adjusting the
valve clearance.
! A single timing belt drives two camshafts on the left and right banks and the engine coolant
pump on the left bank. Belt tension is automatically adjusted by a belt tension adjuster, eliminating
need for a manual adjustment.
! The crankshaft is supported by five bearings with high rigidity and strength.
! The cylinder block is an aluminum die casting fitted with iron die-cast cylinder liners.
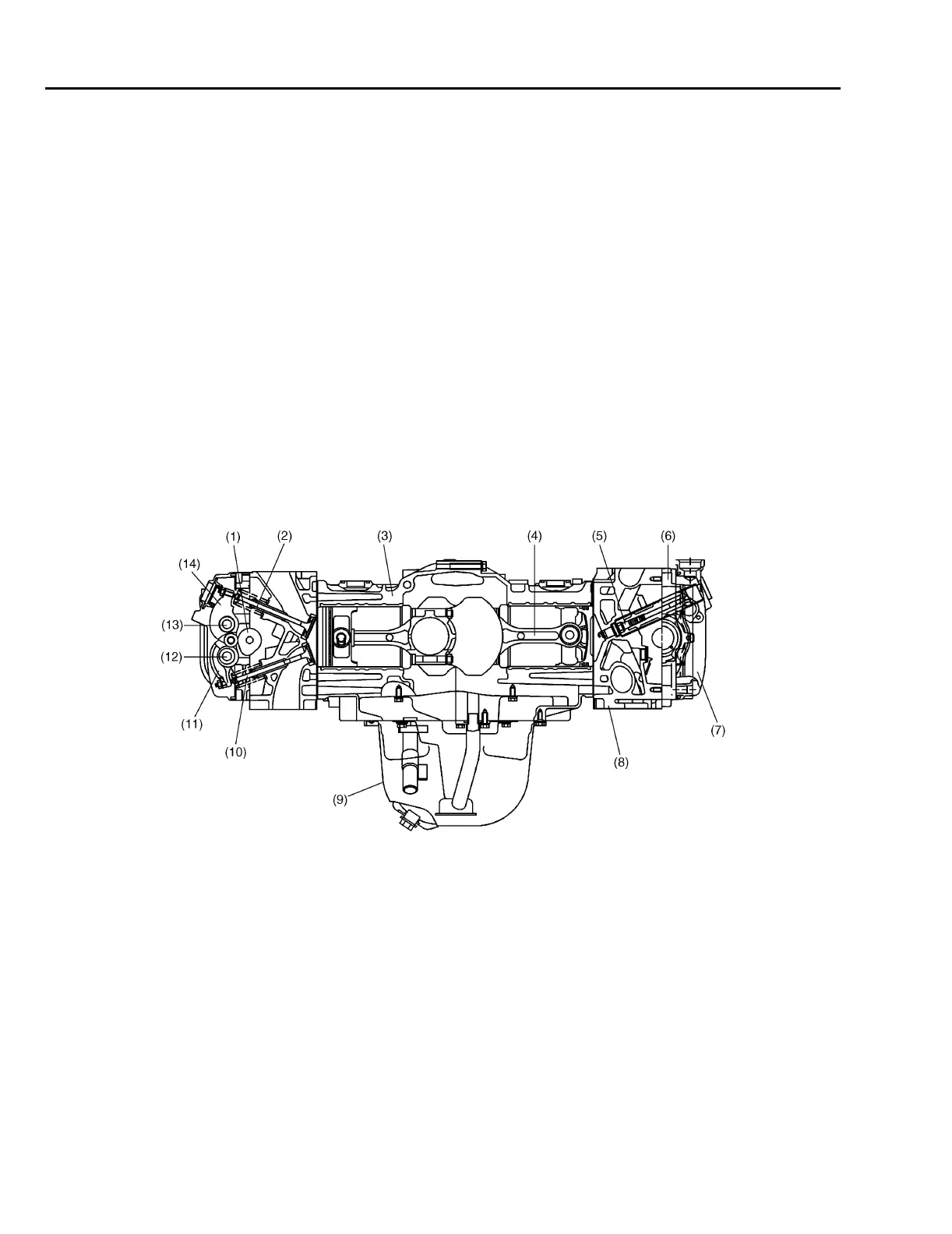
(1) Camshaft (6) Camshaft cap (11) Exhaust rocker arm
(2) Intake valve (7) Valve rocker cover (12) Exhaust rocker shaft
(3) Cylinder block (8) Cylinder head (13) Intake rocker shaft
(4) Connecting rod (9) Oil pan (14) Intake rocker arm
(5) Spark plug (10) Exhaust valve
NF0039

Table of Contents

Other manuals for Subaru LEGACY 2002

Related product manuals