EasyManua.ls Logo

Subaru LEGACY 2002 - General

Subaru LEGACY 2002
642 pages
Print Icon
To Next Page IconTo Next Page
To Next Page IconTo Next Page
To Previous Page IconTo Previous Page
To Previous Page IconTo Previous Page
Loading...
Lubrication
GENERAL
LU-3
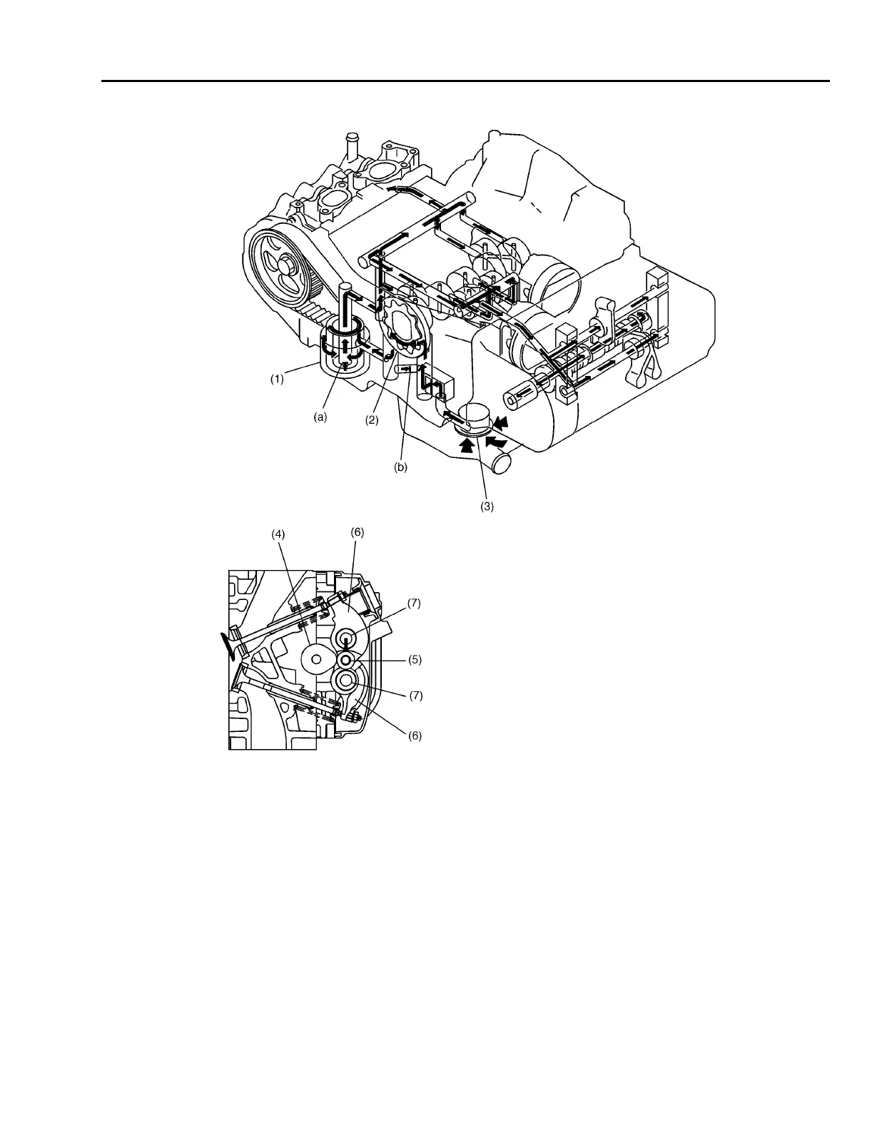
(1) Oil filter (5) Roller
(2) Oil pump (6) Rocker arm
(3) Oil strainer (7) Rocker shaft
(4) Camshaft
(a) Bypass valve opening pressure:
157 kPa (1.6 kgf/cm
2
, 23 psi)
(b) Relief valve opening pressure:
490 kPa (5.0 kgf/cm
2
, 71 psi)
B2H1964A

Table of Contents

Other manuals for Subaru LEGACY 2002

Related product manuals