EasyManua.ls Logo

Subaru LEGACY 2002 - Front and Rear Disc Brakes

Subaru LEGACY 2002
642 pages
Print Icon
To Next Page IconTo Next Page
To Next Page IconTo Next Page
To Previous Page IconTo Previous Page
To Previous Page IconTo Previous Page
Loading...
Brakes
FRONT AND REAR DISC BRAKES
BR-2
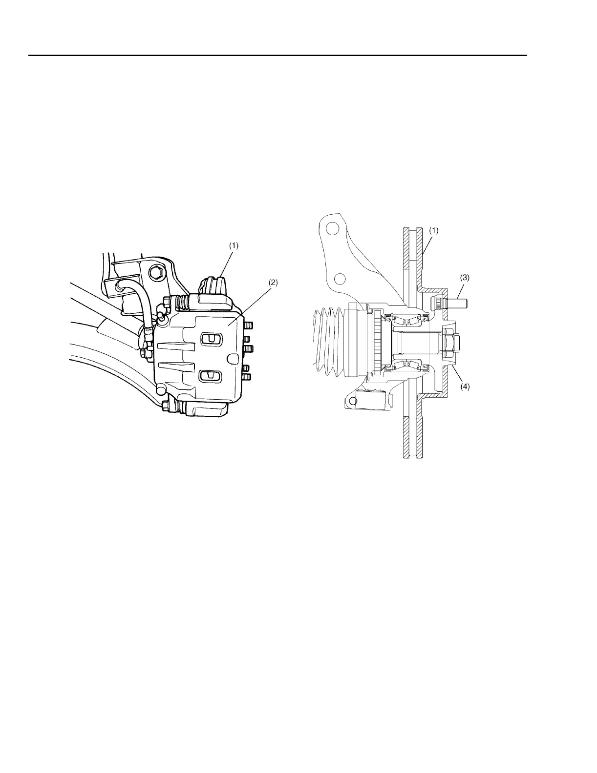
1. Front and Rear Disc Brakes
! The front disc brakes are of a ventilated disc type which features high heat dissipation and su-
perb braking stability. In addition, the front brakes quickly restores their original braking perfor-
mance even when they get wet.
! The rear brakes are disc brakes.
! Each disc rotor, which is fitted on the outside of the hub, is secured together with the wheel using
the hub bolts. This facilitates its removal and installation.
! The inner brake pad is provided with a wear indicator.
(1) Disc rotor (3) Hub bolt
(2) Caliper body (4) Hub
B4H2195C

Table of Contents

Other manuals for Subaru LEGACY 2002

Related product manuals