EasyManua.ls Logo

Subaru LEGACY 2002 - Intake Door Control

Subaru LEGACY 2002
642 pages
Print Icon
To Next Page IconTo Next Page
To Next Page IconTo Next Page
To Previous Page IconTo Previous Page
To Previous Page IconTo Previous Page
Loading...
HVAC System (Heater, Ventilator and A/C)
INTAKE DOOR CONTROL
AC-9
5. Intake Door Control
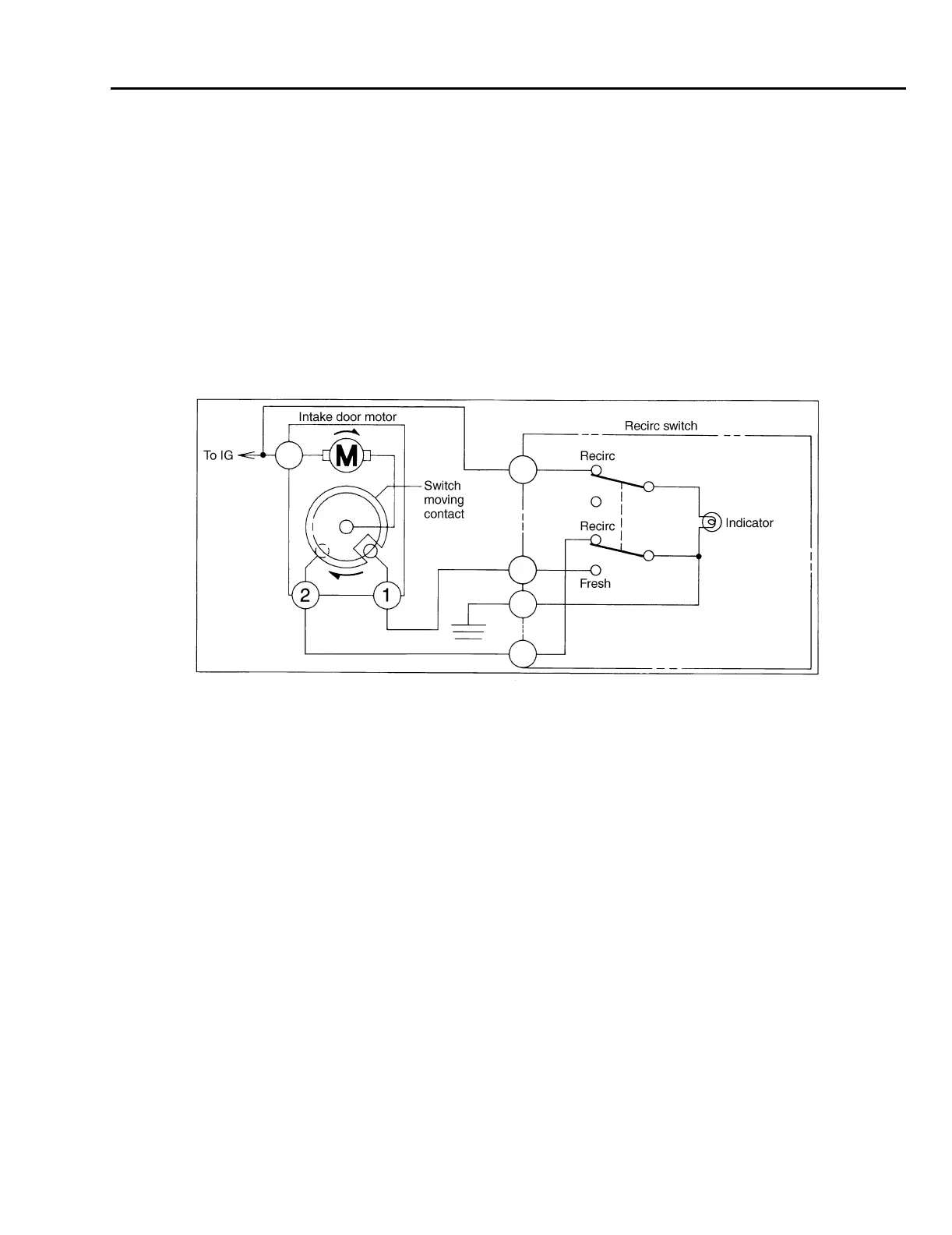
The intake door motor is located on the upper part of the intake unit. It opens and closes the intake
doors through a rod and a link. When the recirculation switch is pressed (the indicator comes on),
the ground circuit of the intake door motor is formed through terminal 2 of the moving contact in-
stead of through terminal 1. This causes the motor to make a rotation to close the intake doors.
Since the moving contact is built into the motor and rotates together with it, the ground circuit of
the motor opens when the contacts slot reaches terminal 2. The motor then stops.
When the recirculation switch is pressed again (the indicator goes out), the ground circuit is
formed through terminal 1 rather than terminal 2. The motor makes a rotation in the same direction
as when the switch is first pressed but now opening the intake doors until the moving contacts
slot reaches terminal 1.
Recirc
Fresh
G4H0741A

Table of Contents

Other manuals for Subaru LEGACY 2002

Related product manuals