EasyManua.ls Logo

Subaru LEGACY 2002 - 3. Fuel Line

Subaru LEGACY 2002
642 pages
Print Icon
To Next Page IconTo Next Page
To Next Page IconTo Next Page
To Previous Page IconTo Previous Page
To Previous Page IconTo Previous Page
Loading...
Fuel Injection (Fuel System)
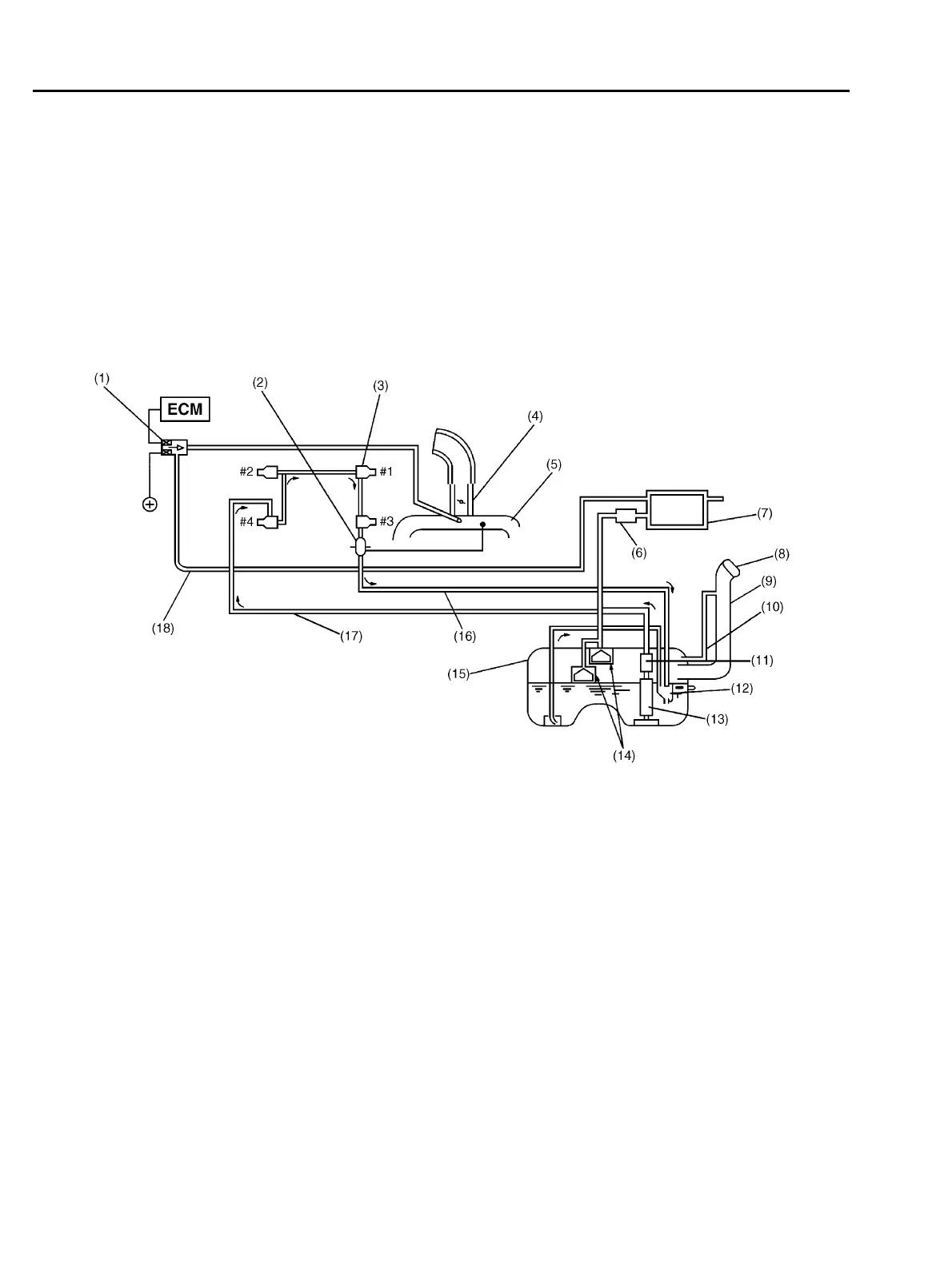
FUEL LINE
FU-8
3. Fuel Line
A: GENERAL
! The fuel pressurized by the fuel tank inside pump is delivered to each fuel injector by way of the
fuel pipe and fuel filter. Fuel injection pressure is regulated to an optimum level by the pressure
regulator.
! Each injector injects fuel into the intake port of the corresponding cylinder where the fuel is
mixed with air. The mixture then enters the cylinder.
Fuel injection amount and timing are regulated by the ECM.
(1) Purge control solenoid valve (10) Air vent pipe
(2) Pressure regulator (11) Fuel filter
(3) Fuel injector (12) Jet pump
(4) Throttle body (13) Fuel pump
(5) Intake manifold (14) Fuel cut valve
(6) Two-way valve (15) Fuel tank
(7) Canister (16) Fuel return line
(8) Filler cap (17) Fuel delivery line
(9) Filler pipe (18) Fuel evaporation line
B2H2907B
W2290GE_02_FU.fm 8 ペー 001年4月11日 水曜日 午前9時31分

Table of Contents

Other manuals for Subaru LEGACY 2002

Related product manuals